Основные понятия
По своему использованию МРС общего назначения укрупненно можно разделить на станки, обрабатывающие корпусные детали и детали типа тел вращения, а также выделить еще своеобразную группу станков со сложной кинематической структурой – станки для обработки поверхностей зубьев колес, червяков, реек и др. подобных деталей.
Каждый станок состоит из устройств, которые, взаимодействуя, выполняют или способствуют выполнению той работы, для которой предназначен данный станок. Однако можно найти для них общие функциональные черты. По назначению, характеристикам и принципам работы, а значит и по управлению можно выделить следующие группы исполнительных устройств:
1. Формообразующие устройства – рабочие органы станка, связанные с формообразованием изделий и процессами позиционирования, т.е. передвигают заготовку (или инструмент) по программируемым координатам во время обработки или перед обработкой. Отличительным свойством данной группы является то, что траекторию и путь движения можно изменять в зависимости от вводимой программы.
|
|
|
2. Манипулирующие устройства – предназначены для выполнения постоянных команд, связанных с автоматическим циклом работы оборудования. Они изменяют режимы резания, направления и скорости перемещения механизмов станка, управляют охлаждением, сменяют режущий инструмент или заготовку, закрепляют их, транспортируют и складируют. Момент ввода в действие и последовательность их работы могут быть различными. Это определяется программой цикловой автоматики.
3. Вспомогательные устройства – обслуживают процесс обработки, например, обеспечивают автоматическую сборку отходов, смазывание станка, отсос тумана и пыли, работу гидро – и пневмосистемы и др. Обычно они имеют автономную систему управления. Наиболее важными и сложными по своему управлению являются первая и частично вторая группа устройств.
Позиционированием называют движения в заранее программируемые точки (позиции), происходящие обычно без обработки, т.е. все установочные и делительные движения, осуществляемые перед формообразованием, а также движения манипулирующих устройств, сменяющих инструменты и заготовки и выполняющие другие подобные действия.
Под автоматическим циклом работы станка понимают программируемую последовательность движений основных органов станка, а также последовательность всех действий, необходимых для нормального функционирования оборудования при изготовлении единицы продукции.
Алгоритмом обозначают точное предписание, задающее процесс переработки исходных данных в однозначный результат. Алгоритм управления – предписание о последовательности выполнения операций управления.
|
|
|
При простом формообразовании и позиционировании движения осуществляются поочередно или одновременно, но при этом кинематически не взаимосвязаны. Так обработка ступенчатого валика на токарном станке по прямоугольному циклу происходит при поочередных движениях продольной и поперечной кареток суппорта с одновременным, но не обязательно взаимосвязанным вращением заготовки.
При сложном движении форма детали зависит от формы направляющих и передаточных отношений между рабочими органами станка, которые перемещаются на размеры, определяемые командами управления.
Рассмотрим произвольный профиль обрабатываемой поверхности, предположим, что это или плоский профиль, или осевое сечение детали типа тела вращения.

Такой профиль может быть обработан различным режущим инструментом: резцом 1 с точечной режущей кромкой (если это тело вращения); цилиндрической фрезой 2 с осью, расположенной перпендикулярно плоскости заготовки; пальцевой фрезой 3 с осью, расположенной в плоскости заготовки.
Однако разнообразие вариантов обработки и возможность использования различного инструмента могут быть получены ограниченным числом формообразующих движений. Возможно лишь три варианта: движение заготовки относительно неподвижного инструмента; движение инструмента относительно неподвижной заготовки и совместное их движение. Выбор варианта происходит при проектировании станка и влияет на разработку его системы управления.
Рассматривая сложное формообразование, его можно представить состоящим из простых движений, каждое по своим направляющим (координатным перемещениям). Обработка элемента сложной траектории (участок А–Б) произойдет при одновременном перемещении в продольном направлении на расстояние Sz и поперечном на расстояние Sx.
Управление станком можно представить, как процесс воздействия на него для обеспечения выполнения требуемого технологического процесса обработки детали с заданными точностью, производительностью и себестоимостью обработки. Оно может осуществляться вручную – человеком или без участия человека – системой автоматического управления (САУ).
При управлении станками вручную обеспечиваются большая универсальность и высокая мобильность. Однако управление станком вручную значительно ограничивает возможность повышения производительности обработки, а во многих случаях также снижает или делает нестабильной точность обрабатываемых деталей.
При применении САУ управление станком производится на основе заранее разработанной программы, воплощенной в программоноситель (кулачках, копире, перфоленте и др.).
Система автоматического управления (САУ) представляет собой комплекс устройств и средств связи, обеспечивающих точное и согласованное во времени взаимодействие рабочих и вспомогательных исполнительных механизмов станка в соответствии с программой управления, разработанной на основе принятого технологического процесса обработки. Программа управления – это последовательность команд, обеспечивающих заданное функционирование рабочих органов станка. Элемент или комплекс элементов, несущих на себе программу управления, называется программоносителем.
Варианты исполнения САУ приведены на рис. а, б, в.

При первом варианте исполнения САУ (рис. а) программа управления, воплощенная в программоноситель, вводится в управляющее устройство, которое осуществляет управление рабочими органами станка. САУ в этом исполнении не контролирует, как в действительности обрабатывается программа управления.
При втором исполнении САУ (рис.б) в управляющее устройство поступают не только задающие сигналы программы управления, характеризующие требуемое положение рабочих органов станка, но и сигналы от датчика обратной связи, характеризующие действительное положение рабочего органа станка, или от датчиков, характеризующих действительные параметры процесса обработки детали (рис.в.). Управляющее устройство перерабатывает получаемую информацию по определенному, заложенному в нем алгоритму. Если имеется рассогласование сигналов требуемого и действительного положения, на выходе УУ возникает управляющее воздействие, подаваемое на приводной двигатель М.
|
|
|
Классификация систем автоматического управления
и их сравнительный анализ
По виду начальной информации, включенной в программу управления все САУ можно классифицировать на две группы.
К первой группе относятся САУ, работающие на основе полной, заранее рассчитанной программы управления. Главной задачей САУ данной группы является выполнение заданной программы без ее изменения и коррекции на основе получаемых результатов процесса обработки. К данной группе относится большинство САУ станками: системы управления с распредвалами, копировальные системы управления, системы циклового программного управления (ЦПУ) и системы числового программного управления (ЧПУ).

Ко второй группе относятся САУ, работающие на основе неполной начальной информации, которая с целью оптимального управления дополняется и корректируется в процессе обработки на основе использования текущей технологической информации об управляемом процессе, получаемой с помощью различных датчиков (см. рис.в.). К данной группе относятся самоприспосабливающиеся (адаптивные), самонастраивающиеся, самоорганизующиеся и самообучающиеся системы управления.
В самоприспосабливающихся системах достижение оптимального управления осуществляется изменением только управляющего воздействия.
В самонастраивающихся системах оптимальное управление производится изменением параметров самой системы.
В самоорганизующихся системах оптимальное управление производится изменением структуры системы.
|
|
|
В самообучающихся системах – изменением алгоритма управления.
Наибольшее применение нашли самоприспосабливающиеся (адаптивные) системы управления, как более простые.
По наличию обратной связи все САУ делят на две группы: разомкнутые и замкнутые.
В разомкнутых системах (см. рис. а) отсутствует контроль действительного положения рабочего органа станка, в которое он устанавливается в результате прохождения и преобразования потока начальной информации, вводимой программоносителем. Поэтому точность перемещения рабочего органа, а следовательно, и точность обработки будут зависеть от точности передаточных механизмов привода подачи. Однако эти системы по сравнению с замкнутыми проще конструктивно, надежнее в работе и дешевле. Разомкнутыми системами управления являются системы управления с РВ, механические копировальные системы, системы ЧПУ, построенные на основе применения шаговых электродвигателей.
Замкнутые системы управления можно разделить на две подгруппы:
- системы управления с обратной связью по положению рабочих органов станка (см. рис. б). К этой группе относятся следящие копировальные системы, большинство систем ЧПУ замкнутого типа;
- самоприспосабливающиеся системы управления (см. рис. в), в которых использованы датчики, измеряющие параметры процесса обработки (силу резания, температуру в зоне резания, вибрации и др.), для дополнения и коррекции начального потока информации при изменении припуска на заготовке, твердости материала и других факторов, которые предусмотреть заранее невозможно. Эти системы управления являются самыми сложными, но обеспечивают высокую точность обработки, оптимальную производительность и минимальную себестоимость обработки.
По характеру управляющих сигналов САУ делят на две группы: непрерывные (аналоговые) и дискретные. Непрерывные сигналы представляют собой величины, значения которых являются непрерывными функциями времени. Непрерывные САУ состоят только из звеньев непрерывного действия.
Дискретной САУ является система, содержащая хотя бы одно звено дискретного действия. У такого звена выходная величина изменяется дискретно, т.е. скачками, даже при плавном изменении входной величины.
В непрерывных системах программа управления задается в виде непрерывного сигнала (профилем кулачка или копира, углом сдвига по фазе двух напряжений).
В дискретных системах программа управления задается в виде единичных импульсов (например, системы ЦПУ и ЧПУ с шаговым электродвигателем).
Для автоматического управления различных типов станков применяют системы управления с РВ, следящие копировальные системы, системы ЦПУ и системы ЧПУ.
Системы управления с РВ, их принцип работы
и классификация
Прообразом систем управления с РВ можно считать механические копировальные системы управления.

В этих системах при обработке детали 1 плоский копир 5 (кулачок) через щуп 4 (толкатель) управляет перемещением поперечного суппорта 3 с режущим инструментом и обеспечивает необходимую рабочую подачу Sпоп при перемещении продольного суппорта 2 с подачей Sпр.
Хотя эти системы конструктивно просты и надежны, при их работе возникают большие потери на холостые ходы, обусловленные необходимостью возврата копира в исходное положение при повторении цикла обработки, а также имеет место повышенный износ копира из за действия на него силы резания. В данных системах происходит управление работой только одного инструмента.
Если взять плоские копиры и обернуть их на цилиндры или изготовить в виде дисковых кулачков, которые будут установлены на один общий вал, называемый распределительным, то при его вращении получается система управления большим количеством различных рабочих органов с надежной и максимальной синхронизацией всех движений цикла при обработке заданной детали.
Полученные таким образом системы управления с РВ позволяют путем построения циклограмм заранее спроектировать и рассчитать рабочий цикл любой сложности, обеспечив строгое выполнение заданного технологического процесса обработки за определенный промежуток времени T=tp+tx.x., соответствующий, как правило, одному обороту РВ.
Программа управления, составленная в числовом виде и записанная в карте наладки, воплощается в программоносителе, которыми являются кулачок для одного исполнительного механизма и система кулачков, установленных и закрепленных в соответствии с циклограммой на РВ, для автомата в целом. Величины перемещений рабочих органов при этом задаются подъемом hk на кулачке, а их длительность на холостых ходах – углами
при отводе рабочего органа. Длительность перемещений на рабочем ходе задается углом
. 
Системы управления с РВ широко применяют в специальных и универсальных полуавтоматах и автоматах различного технологического назначения в массовом и крупносерийном производстве.
По принципу совершения холостых ходов все системы управления с РВ классифицируются на три группы.
Системы управления группы 1 с РВ
Привод вращения шпинделя и РВ с кулачками осуществляется от электродвигателя М соответственно через гитары сменных колес Х и У. Особенностью этих систем управления является то, что частота вращения РВ для каждой настройки гитары сменных зубчатых колес У будет постоянной в течении всего времени цикла Т.
Другая особенность заключается в том, что кулачки, выполняющие холостые хода, для определенного круга работ являются постоянными, требующими определенного постоянного угла поворота РВ для осуществления холостых ходов (
). В тоже время кулачки, выполняющие рабочие хода, в зависимости от характера работ в каждом отдельном случае требуют различных углов поворота РВ.

Системы управления группы 1 с РВ применяют в металлорежущих автоматах для обработки простых деталей.
Системы управления группы 2 с РВ

Особенностью систем управления этой группы является то, что РВ в течение цикла Т имеет две скорости вращения.
Медленное вращение РВ при выполнении рабочих ходов производится через гитару сменных зубчатых колес (У), позволяющую менять частоту вращения РВ при обработке различных деталей. Быстрое вращение РВ при выполнении холостых ходов производится по самостоятельной кинематической цепи с постоянным передаточным отношением С.
Частота вращения РВ на холостых ходах является постоянной. Учитывая, сто все холостые ходы в данных системах управления выполняются при максимальной скорости вращения РВ, наиболее эффективно их применять при обработке сложных деталей и деталей из труднообрабатываемых материалов. Системами управления 2 с РВ оснащены некоторые одношпиндельные и подавляющее число многошпиндельных автоматов и полуавтоматов.
Системы управления группы 3 с РВ

Они представляют собой сочетание систем управления групп 1 и 2. Распределительный вал в этих системах вращается, как в системах группы 1, с одной скоростью при выполнении всех рабочих и части холостых ходов (подвод и отвод поперечных суппортов). Остальные холостые хода (подача и зажим прутка, поворот револьверной головки, переключение частоты и направления вращения шпинделя и др.) выполняются с помощью вспомогательного вала (ВВ), вращение на который передается с максимально возможной постоянной для данного автомата скоростью по цепи с передаточным отношением (С). Выполнение холостых ходов с помощью ВВ управляется командными кулачками, установленными на РВ. Анализ производительности показал, что системы управления группы 3 занимают промежуточное положение между системами группы 1 и 2, и поэтому рекомендуется их применять для обработки деталей средней сложности.
Особенности расчета и проектирования систем
управления с РВ
При использовании имеющихся полуавтоматов и автоматов главной задачей является расчет и составление программы управления, проектирование и изготовление программоносителей (кулачков) и наладка автомата или полуавтомата в соответствии с разработанной циклограммой и программой управления. После выбора соответствующей группы системы управления с РВ рассчитывают и проектируют кулачковые механизмы. При этом необходимо: а) выбрать конструкцию кулачкового механизма (дисковый или барабанный кулачок, остроконечный или роликовый башмак, качающийся или поступательно перемещающийся толкатель); б) определить размеры кулачкового механизма (диаметры кулачка и роликового башмака, размеры рычагов, расстояние между опорами поступательно перемещающегося толкателя, величину консоли толкателя, передаточное отношение рычагов и др.;
в) обосновать и выбрать кривые, по которым будут профилироваться участки рабочих и холостых ходов на кулачке. От конструкции и размеров кулачкового механизма в значительной степени зависит производительность и надежность работы автомата, точность обработки деталей, габаритные размеры автомата и др.
Наиболее важным параметром кулачкового механизма, который оказывает влияние на указанные выше характеристики автомата, является угол давления
.

Как показывает анализ, при больших значениях этого угла увеличивается производительность автомата, уменьшаются размеры кулачка, но надежность автомата резко снижается, так как может происходить заклинивание кулачкового механизма.
При малых значениях
получаем обратную картину. В связи с этим было введено понятие оптимального угла давления
и разработана методика его расчета. Была принята эталонная схема расчета и выведена формула для определения
:
,
где
- коэффициент трение башмака о поверхность кулачка;
- коэффициент трения в опорах толкателя;
- оптимальное значение коэффициента запаса по углу 
, здесь
- угол заклинивания.
Для произвольного кулачкового механизма
определяют, приводя механизм к эталонной схеме и выражая различия в конструкции и размерах башмака через коэффициент
, а различия в конструкции и размерах толкателя через
. Определив эти коэффициенты (для эталонной схемы
), находим приведенные коэффициенты трения
и
, затем представляем их в формулу вместо значений
и
.
Для металлорежущих автоматов обычно требуется равномерное перемещение исполнительного механизма для обеспечения постоянной величины подачи режущего инструмента. Этому требованию отвечает закон Архимедовой спирали, по которому профилируют участки рабочих ходов на дисковых кулачках. На цилиндрических кулачках эти участки профилируют по закону винтовой линии. К кривым холостых ходов предъявляется требование обеспечения минимального времени холостого хода. Для сокращения затрат времени и упрощения построения профиля участков холостых ходов на дисковых кулачках их очерчивают по предварительно построенным и изготовленным шаблонам.
Преобразование числовой информации чертежа детали в аналоговый вид (кривые кулачков) требует трудоемкого изготовления полученных физических аналогов (кулачков), а также приводит к погрешностям передачи информации, получаемых при изготовлении кулачков и из-за их износа в процессе эксплуатации.
Системы циклового программного
управления (ЦПУ)
Системы ЦПУ являются развитием систем управления с РВ. Особенность системы ЦПУ заключается в том, что одна часть программы управления – информация о цикле и режимах обработки – задается в числовом виде и устанавливается на пульте управления штекерами, переключателями или вводится на перфокартах. Другая часть – размерная информация, характеризующая величины перемещений рабочих органов станка, устанавливается с помощью путевых упоров на специальных линейках или барабанах. Для каждой координаты настраивают и устанавливают свою линейку.
На рисунке показана общая блок – схема системы ЦПУ.

Информация о цикле и режимах обработки задается блоками задания и поэтапного ввода программы. Блок задания программы представляет собой штекерную панель или поворотный барабан. Блок поэтапного ввода программы выполняется в виде электронной или релейной счетно-распределительной схемы. Далее информация поступает в блок автоматики, предназначенный для усиления и размножения команд, поступающих на исполнительный блок, затем чаще всего через электромагнитные муфты, информация передается на исполнительные механизмы станка (привода подач, скоростей и др.).
Размерная информация задается упорами на линейках 1 и 4, закрепленных на продольном (ось Z) и поперечном (ось Х) суппортах. При перемещении линеек упоры воздействуют на блоки конечных выключателей 2 и 3, обеспечивающих контроль окончания обработки каждого этапа и выдачу сигналов на блок преобразования сигналов контроля и далее на блок поэтапного ввода программы для включения следующего этапа обработки.
Мобильность систем ЦПУ выше по сравнению с системами управления с РВ. Трудоемкими при переналадке остается только установка и настройка путевых упоров. Однако их не надо каждый раз изготовлять заново (как кулачки), и настройку можно делать заранее вне станка, так как линейки делаются съемными.
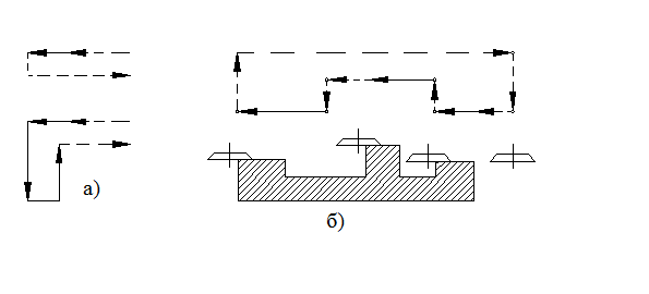
Задание размерной информации с помощью путевых упоров обуславливает дискретный способ управления (выдачу команд управления только в местах установки упоров), и управление перемещениями возможно только по прямолинейному циклу. Это значительно ограничивает технологические возможности станков с ЦПУ.

На рисунке а) показаны возможные циклы перемещений суппортов на токарном станке с системой ЦПУ, а на рисунке б) цикл перемещений стола и шпиндельной бабки на фрезерном станке с системой ЦПУ (сплошными линиями показаны рабочие, а штриховыми – холостые ходы).
Станки с ЦПУ
Исходным материалом для подготовки программы обработки является чертеж обрабатываемой детали и схема обработки. В начале на специальном бланке технолог готовит исходные данные для программирования в виде цифровых значений для перемещения и указаний о цикловых командах. Далее на станках, например, с набором переключателей, программа набирается поворотом этих переключателей. Переключатели расположены на пульте горизонтальными рядами. В каждом ряду программируют декадными переключателями величину перемещения и обычными переключателями - цикловые команды по изменению режимов резания. По окончании каждого движения по команде из блока управления шаговый искатель телефонного типа поворачивается на считывание программы со следующего ряда. Аналогичная система применена, например, в сверлильно – расточном станке мод. 2А430. Он оснащен программным управлением перемещения стола в двух направлениях с точностью
мм и на его пульте можно запрограммировать координаты 24 отверстий. Первые три декадных переключателя (6) набирают целое число мм. Другими тремя декадными переключателями (7) устанавливают тысячные доли (мм) перемещения. Набранные сигналы поступают в блоки сравнения. Далее включенные вручную двигатели 5 и 11 начинают вращать винт и перемещать гайку с контактным упором 13. Двигатель 11 отключится после того, как в блок сравнения с датчика 10 в декадный счетчик поступит количество импульсов, равное числу целых мм. координаты перемещения. Двигатель 5 отключится после того, как в другой блок сравнения через счетчик 1 и другой декадный счетчик пройдет количество импульсов, равное количеству тысячных долей (мм). отсчитываемой координаты. При этом контакт – упор (13) получит через дифференциал (12) суммарное перемещение на нужную координату. Потом вручную включается двигатель 4 привода стола, при перемещении которого с упором взаимодействует датчик 3 положения стола. Двигатель 4 отключится при наезде датчика 3 на упор 13. Производительность такого станка в 2-3 раза выше, чем у станка с ручным управлением.
Следящие системы автоматического управления
Следящие системы управления являются одной из разновидностей систем автоматического регулирования, которые обеспечивают поддержание выходной величины управляемого объекта на заданном уровне. В отличие от систем стабилизации, где задающее воздействие постоянно, и систем программного управления, где оно изменяется по заранее заданному закону, в следящих системах задающее воздействие изменяется по закону, заранее не известному.

При применении следящей системы (см. рис.) управляемый рабочий орган 7 (например, шпиндельная бабка с фрезой) с помощью силового следящего привода 6 (например, гидроцилиндра с поршнем) автоматически воспроизводит движение, задаваемое управляющим устройством 1 (например, копиром). Сигнал управления вырабатывается сравнивающим устройством 2, получающим информацию о требуемом положении рабочего органа 7 от управляющего устройства 1 и о его действительном положении с помощью отрицательной обратной связи 9. Последняя называется так, потому, что управляющий сигнал
(сигнал рассогласования) представляет собой разность сигналов
и
, характеризующих соответственно заданное и действительное перемещения рабочего органа станка.
На силовой следящий привод помимо реакции со стороны рабочего органа станка (процесс резания, силы трения) действует внешнее возмущение
.
Сигнал рассогласования
усиливается в усилителе 3 и преобразуется с помощью корректирующих устройств 4 и 8 в управляющий сигнал z. Устройство 4 принято называть последовательным корректирующим устройством, а устройство 8 – параллельным. Корректирующие устройства предназначены для обеспечения работоспособности и требуемой точности и быстродействия следящей системы. Сигнал z через усилитель мощности 5 передается на силовой следящий привод, в качестве которого в станках широко применяют электродвигатели постоянного тока и гидроприводы (гидроцилиндр с поршнем или гидродвигатель).
Следящие системы управления могут быть непрерывными и дискретными, а так же линейными и нелинейными. Важнейшими показателями работоспособности и качества следящей системы управления является устойчивость ее работы, точность и быстродействие. Устойчивость определяет работоспособность систем, а быстродействие влияет на динамическую точность и производительность станка. Под устойчивостью следящей системы управления понимается ее способность возвращаться к установившемуся состоянию после прекращения воздействий, которые вывели систему из этого состояния.
Следящие копировальные системы
управления
В основу работы следящих систем копировальных систем управления заложен рассмотренный выше принцип (см. блок – схему). Программа управления в этих системах воплощается в аналоговом виде, в форме копира, представляющего собой прототип детали или ее частей. Копир является программоносителем для этих систем. В качестве программоносителя применяют иногда первую деталь, обработанную при управлении вручную. Следящие копировальные системы применяются: 1. Механические; 2. Электрические (в том числе индуктивные и контактные); 3. Гидравлические; 4. Электрогидравлические; 5. Пневматические; 6.Фотоэлектрические.
Механические копировальные системы. Они совмещают в себе функции механического привода и функции управления. По принципу действия механические системы бывают двух видов: прямого действия и станки со следящей системой. Они наиболее просты, так как выполняют непосредственное копирование и не требуют сложных копировально – измерительных приборов. Все это заменяется жесткой связью между щупом и инструментом. В данном случае траектория фрезы повторяет форму копира, передавая ее обрабатываемой детали. Поперечную подачу обеспечивает груз, а продольную – механизм станка. Взаимное расположение копировального пальца (щуп) и режущего инструмента осуществляется с помощью механических упругих связей. Большие силы, действующие копир снижают точность обработки до порядка 0,1 … 0,2 мм. Механические системы прямого действия применяются в копировально – фрезерных станках с копирной линейкой. В отличие от механических копировальных систем прямого действия, где копир выполняет две функции – управление перемещением рабочего органа и его подачи, в следящих копировальных системах копир выполняет только функцию управления, а функцию рабочей подачи выполняет силовой следящий привод. Это позволяет изготовлять копиры из легкообрабатываемых материалов, снижать их износ и тем самым повышать точность обработки.
Формообразование на станках со следящими копировальными системами управления может осуществляться двумя методами: 1) путем обхода копира при включении и выключении движений подач на короткие промежутки времени при подъеме или опускании щупа (система включено - выключено); 2) путем обхода копира при непрерывном регулировании соотношения скоростей подачи – методом слежения.
Электрические следящие копировальные системы
Примером электрической следящей копировальной системы является схема копировального прибора с индуктивным датчиком, показанная на рисунке. Щуп 2 благодаря шарнирной опоре 3 может перемещаться копиром 1 в осевом направлении и отклоняться на небольшой угол. На конце щупа

И на качающемся рычаге 5 имеются конические гнезда, куда помещен шарик 4. Благодаря этой опоре отклонение рычага 5 происходит не только при осевом смещении щупа 2, но и при его угловом отклонении. На конце рычага 5 установлен якорь 6, расположенный между двумя сердечниками 7 дифференциального трансформатора.
На первичную обмотку трансформатора подается напряжение, а со вторичной снимается управляющее напряжение (сигнал рассогласования) при отклонении якоря 6 от среднего положения вправо или влево. На рисунке показано, как осевое перемещение щупа 1 при скольжении его по копиру изменяет воздушный зазор между якорем 2 и сердечниками трансформатора 3. Сигнал рассогласования после усиления подается на двигатель следящей подачи
, вращение которого постоянно стремится вернуть якорь в нейтральное положение, при этом траектория перемещения, повторяет профиль копира. Задающая подача
осуществляется с постоянной скоростью от дополнительного привода.
Электрокопировальный фрезерный полуавтомат мод. 6441Б работает с индуктивной копировальной головкой КГ. Он имеет кинематическую группу привода вращения фрезы
и три кинематические группы привода подач (
,
,
), связанных между собой кинематическими и электрическими связями управления. Все три двигателя подач – постоянного тока.
Задающая подача
через копир К, копировальную головку КГ и усилитель УС регулирует скорость и направление вращения электродвигателя
следящей подачи
С помощью жесткой обратной связи
- КГ между фрезой и корпусом копировальной головки поддерживается равенство зазоров между якорем и сердечниками трансформатора. По окончании каждого прохода упор
через конечный выключатель КВ реверсирует направление задающей подачи
и кратковременно включает двигатель
строчной подачи
для перевода фрезы и пальца электрощупа 2 на следующую строчку обработки. Функцию задающей подачи может выполнять продольная
и вертикальная
подачи, а функцию следящей подачи – любая из них.
Электроконтактные копировальные системы. В этих системах в качестве привода подач используют двигатели переменного тока. Вращаются они все время в одном направлении с постоянной скоростью. В каждой цепи привода подач имеется по две быстродействующие электромагнитные муфты включения прямого и обратного хода. Эти муфты под воздействием копира К

кратковременно включаются, включая прямой или обратный ход следящей подачи
. При этом следящая подача перемещает не только фрезу, но и корпус копировальной головки КГ, восстанавливая его номинальное положение относительно щупа. Палец щупа под воздействием копира отклоняется и замыкает контакты 2 или 3. Предохранительный контакт 4 размыкается при недопустимо большом отклонении пальца электрощупа и отключает все двигатели подач.
Теоретически, траектория результирующей подачи – ступенчатая кривая, но практически из - за малости ступенек поверхность детали достаточно ровная.
Электроконтактное копирование дает меньшую точность, чем индуктивное.
Графические следящие копировальные системы
К ним относят, например, гидрокопировальный токарный полуавтомат модели 1722.
Полуавтомат предназначен для обработки в центрах сложных деталей класса валов методом копирования формы шаблона или эталонной детали. Рамная конструкция полуавтомата обеспечивает высокую его жесткость, позволяющую работать твердосплавным инструментом на высоких режимах резания. Применяется он для высокопроизводительной обработки в условиях серийного и массового производства. Заготовка получает вращение от двигателя
мощностью 28 кВт через коробку скоростей
. Все остальные движения, кроме ручных установочных, выполняются гидроцилиндрами, получающими масло через панели управления от насоса высокого давления
для рабочих подач и от насоса низкого давления
для вспомогательных движений.
Гидроцилиндр
выполняет заданную подачу
, а гидроцилиндр
, управляемый копировальной головкой КГ, щуп которой Щ движется по копиру или эталонной детали, закрепляемым в верхних центрах, выполняет следящую подачу
.
При многопроходной обработке в начале последующих проходов маховичком
вручную перемещением упора
устанавливается глубина резания. Поворотом в центрах блока копиров, число которых устанавливается равным числу проходов, меняется программа обработки. Установка начала цикла выполняется вручную маховичком
, перемещая копировальную головку КГ в радиальном и маховичком
-в продольном направлениях. Поперечное движение
подрезных суппортов выполняется продольным перемещением от гидроцилиндра
плоских копиров К.
Пиноль задней бабки поджимается гидроцилиндром
и закрепляется гидроцилиндрами
.
Электрогидравлические копировальные системы

Они используют ток от индуктивной электромагнитной головки КГ после усиления с помощью УС для перемещения с помощью электромагнита ЭМ иглы, регулирующей подачу масла в золотниках управления Зу. Последний управляет скоростью движения не только гидроцилиндра следящей подачи
, но и гидроцилиндра задающей подачи
, чтобы поддерживать постоянной результирующую скорость копирования. Эта система работает устойчивее и дает мощную скорость копирования на участках, где одна из скоростей следящей или задающей подачи приближается к нулю.
Фотокопировальные системы
Необходимость преобразования информации чертежа детали и изготовление на ее основе физического аналога копира, большая трудоемкость его изготовления определили задачу использования в качестве программоносителя непосредственно чертежа детали. Системами с таким программоносителем являются фотокопировальные следящие системы управления. Их применяют для обработки плоских деталей на фрезерных станках, а также на гравировальных станках, газорезательных машинах и др.
Считывание программы управления (слежение за линиями чертежа детали) производится фотоэлектрической головкой, от которой сигналы управления поступают на силовые следящие приводы (электродвигатели постоянного тока).

Отраженный от плоскости чертежа 1 свет, излучаемый источником 2 света, попадает через объектив 3 на металлическую диафрагму 4 с круглым отверстием 5, расположенным с эксцентриситетом (С) относительно оси вращения (являющейся также оптической осью) синхронного двигателя 6 с полым валом 7. Диаметр светового отверстия, толщина линии чертежа и расстояние от объектива до плоскости чертежа выбирается с таким расчетом, чтобы изображение линии чертежа в плоскости диафрагмы полностью закрывало световое отверстие. При этом условии за каждый оборот синхронного двигателя световое отверстие два раза пересекает изображение линии, что вызывает затемнение фотоэлемента 8 и, следовательно, фототока (также дважды за один оборот). Эти два импульса фототока используются в качестве первичных сигналов для управления корректирующей и электрической системами.
В фотокопировальных системах имеем в качестве программоносителя физический аналог (контур детали), изготовление которого также трудоемко. При изготовлении возможны погрешности вычерчивания, которые переносятся на обрабатываемую деталь. Поэтому фотокопировальные системы управления широкого применения (особенно для обработки точных деталей) не получим.