При последовательном соединении пневматических сопротивлений стоит задача определения давления р 1 в междроссельной камере (см. схему). Рассматриваемая схема является элементом (половиной) пневматического распределительного устройства типа струйная трубка или делителем давления. В случае регулируемых дросселей это простейший регулятор давления.
При анализе этой схемы задано: входное давление - p z, выходное давление р а, проходные сечения соответствующих сопротивлений А 11 и А 21, параметры сжатого газа k,R,T.
Необходимо определить давление р 1в междроссельной камере.
Расходом G 1из междроссельной камеры задаются.
Для расчета примем допущения: коэффициенты расхода дросселей одинаковы 1= 2, температуры газа перед дросселями равны между собой и постоянны T 1 = T 2 = Tz.
Исходным соотношением для решения задачи является уравнение неразрывности расходов
G 11 = G 21 + G 1.
В приведенном уравнении неразрывности расходы определяются соответствующими дросселями. Рассмотрим несколько частных случаев.
1. Режим течения через оба дросселя сверхкритический
р 1 / p z≤ k, pa/ р 1≤ k,
расхода из камеры нет G 1 = 0.
Подставляя уравнения расхода через каждый дроссель в уравнение неразрывности получим
11 A 11 pzФ(k)Ф(RTz) = 21 A 21 р 1 Ф(k)Ф(RTz)
откуда


Примечание: При использовании результатов расчета по приведенной формуле необходимо проверить выполнение условий сверкритического течения через оба дросселя.
2. Режим течения через оба дросселя сверхкритический
р 1/ p z≤ k, pa/ р 1≤ k,
расход из камеры не равен нулю G1 0.
На основании уравнения неразрывности можно определить расход газа G 1при известном давлении р 1
G 1 = 11 A 11 pzФ(k)Ф(RTz) - 21 A 21 р 1 Ф(k)Ф(RTz)
или по заданному расходу определить давление в междроссельной камере

3. Режимы течения произвольные, расхода из камеры нет G 1 = 0.
G 11 = G 21,
G 11 = 11 A 11 pzФ(k)Ф(RTz), при p 1 / pz ≤ k,
G 11 = 11 A 11 pzФ(RTz)Ф(k)Ф(), при р 1 / pz≥ k,
G 21 =21A21р 1 Ф(k)Ф(RTz), при pa/ р 1≤k,
G21 = 21 A21 р 1 Ф(RTz)Ф(k)Ф(), при pa/ р 1 ≥ k,
Приведенная система уравнений является нелинейной и решается или численными методами на ЭВМ или графо-аналитически. При решении на машине необходимо описать расход не только в положительной, но и в отрицательной областях как показано на рисунке.

При графо-аналитическом решении необходимо все расходы представить как функции одного аргумента. Для расхода G 11 это = р 1/ p z, для расхода G 21 это = pа/ р 1 = (pa/ p z)/(р 1/ p z).
5.4. Наполнение и опорожнение полости.
Динамические процессы в пневматических системах в основном определяются процессами в емкостях. Под динамическими процессами понимаются временные задержки, связанные с временем наполнения и опорожнения полостей сжатым газом.
Описание указанных процессов является достаточно сложным, т.к. необходимо учитывать одновременное изменение нескольких переменных:
- изменения давления р в емкости и, связвнное с ним, изменение режимов истечения,
- изменение температуры Т газа в полости, обусловленное расширением или сжатием газа,
- подвод или отвод теплоты, т.к. процессы в общем случае являются политропными.
Исследованиями установлено, что показатель политропы n изменяется в процессах наполнения и опорожнения от значения показателя адиабаты n = k (при очень быстром процессе) до значения n =1 (при очень медленном процессе). Вне зависимости от того теплоизолированы стенки резервуара или нет, в начале истечения процесс расширения газа в емкости адиабатический, а к концу приближается к изотермическому. Расхождения в определении времени наполнения или опорожнения полости при применении адиабатического или изотермического описаний составляет около 20%.
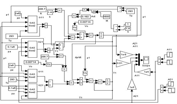
Исходную схему для анализа представим в приведенном выше виде.
К ранее рассмотренной схеме здесь добавлена полость объемом Vo. Задачей анализа является определение зависимости р 1 (t).
Исходными положениями являются:
- закон сохранения энергии (первый закон термодинамики),
- закон сохранения вещества (неразрывность потока),
- уравнение состояния идеального газа.
Уравнение первого закона термодинамики будет

Изменение теплоты, которое сообщается газу в емкости определяется следующими процессами:
- вносится теплота с входным газовым потоком

- выносится теплота с выходным газовым потоком

- поступает или отдается теплота через стенки сосуда в зависимости от соотношения температур
dQт/dt.
Так как мы рассматриваем процесс в замкнутом постоянном объеме, то работа термодинамической системы равна нулю потому, что dV = 0
dL/dt = 0.
Внутренняя энергия газа в полости определяется его температурой и теплоемкостью при постоянном объеме

откуда получим

После подстановки приведенных соотношений в уравнение первого закона термодинамики получим

В полученном выражении необходимо избавиться от массы газа и ее производной для чего можно использовать уравнение состояния

откуд после диференцирования получим

После подстановки в уравнение сохранения энергии получим с учетом, что dV/dt=0

или окончательно с учетом, что k = cp/cv
(а)
В итоге преобразований мы получили дифференциальное уравнение с двумя переменными (p 1, T 1). Для определения однозначного решения необходимо еще одно уравнение связывающее эти две переменные. Дополнительную связь между ними можно получить на основании уравнения сохранения количества вещества
Vo = m,
где - плотность газа в емкости. После диффиринцирования получим

где

Плотность газа определяется на основании уравнения состояния
= р 1/(RT 1)
откуда для производной плотности по времени получим

Подставляя полученное выражение в уравнение производной плотности после преобразований получим
(б)
Полученное уравнение связывает искомые переменные р 1 и T 1 и вместе с полученным ранее позволяет получить однозначное решение задачи. При этом имеется возможность находить зависимость давления р 1(t) и температуры T 1 (t) в полости как при наполнении, так и при опорожнении.
Полученные уравнения является нелинейными и, в общем случае, для решения требуют применения численных методов, например, в среде MATLAB. Схема решения системы урвнений (а) и (б) для некоторых конкретных параметров приведена ниже. В начале процесса производится наполнение полости, для чего открывается проходное сечение дросселя А11. Через 2 секунды входной дроссель А11 закрывается. Затем на 3-й секунде открывается дроссель опорожнения А21 на 1 секунду. Давление в полости р 1 и температура Т1 изменяются как показано на графике. При наполнении полости газ сжимается и его температура Т1(t) растет, при опорожнении – температура газа в полости падает. При закрытых дросселях температура Т1(t) за счет теплообмена с окружающей средой вырвнивается и становится равной окружающей температуре.

Графики решения системы уравнений (а) и(б).

Для последующего анализа наполнения и опорожнения полости постоянного объема рассмотрим некоторую идеализацию процессов. Будем считать, что теплообмен отсутствует k т= 0. Будем считать температуру в полости постоянной и равной входной температуре T 1 = Tz= const, т.е. dT 1 /dt = 0. При этих допущения уравнения примут вид


Уравнения по структуре одинаковы, только отличаются множителем k. Первое уравнение соответствует адиабатической гипотезе процессов в полости, второе - изотермической.