Принципы построения усилительных устройств.
Основы построения электронных усилителей
Лекция №3
Усилительные устройства состоят из отдельных каскадов, представляющих элементарные ячейки (рис.2.2.). Каждый отдельный каскад электронного усилителя может быть построен с использованием электронных ламп, полевых или биполярных транзисторов. Транзистор или электронная лампа в усилительной схеме работают в активном режиме. Как известно, активный режим соответствует определенному постоянному напряжению на управляющем электроде, обеспечивающему работу усилительного элемента на линейном участке характеристики. Это напряжение называют напряжением смещения.
При построении усилительного каскада составляют входную и выходную цепи. Входная цепь содержит источник сигнала, элемент связи и элементы для подачи напряжения смещения на управляющий электрод. Выходная цепь содержит основной источник питания, за счет которого происходит усиление сигнала, и нагрузочное сопротивление Rн, на котором происходит выделение усиленного напряжения.
|
|
|
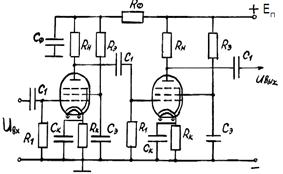
Принципиальная схема двухкаскадного усилителя на электронных лампах приведена на рис.3.1.

Рис.3.1. Принципиальная схема усилителя на электронной лампе.
Принцип работы электронной лампы основан на термоэлектронной эмиссии электронов накаленным катодом. Ток анода управляется напряжением на управляющей сетке. С целью обеспечения нужного режима работы, необходимо, прежде всего, правильно подать питающие напряжения на электроды усилительного элемента.
В усилителях небольшой мощности все цепи анодов или коллекторов обычно питаются от одного общего источника питания - выпрямителя, сети постоянного тока, аккумуляторной батареи и т. д.
Источник анодного питания для ламповых усилителей имеет напряжение 150¸300 В. При этом потенциал анода усилительных ламп лежит в пределах 120¸200 В.
Входная цепь усилителя содержит входные клеммы, элемент связи С1, сопротивление утечки R1 и элемент подачи смещения Rк. Постоянное отрицательное напряжение во входной цепи, которое определяет режим работы усилительного элемента, называют напряжением смещения. Наиболее распространенным способом подачи смещения на управляющую сетку лампы является получение его на резисторе Rк, включенном в цепь катода. Падение напряжения, вызванное прохождением через этот резистор анодного тока
и тока экранирующей сетки
, равное
, определяет потенциал управляющей сетки. Падение напряжения на R1=0, поскольку ток в цепи управляющей сетки отсутствует. Такой способ подачи отрицательного смещения на сетку называют катодным смещением или автоматическим смещением. Элемент связи C1 иначе называют разделительной емкостью, поскольку эта емкость разделяет переменную и постоянную состовляющие напряжения. Сопротивление Rк шунтируется емкостью Cк, которая замыкает переменную составляющую выходного тока.
|
|
|
В многокаскадных усилителях коллекторные или анодные цепи обычно подключают параллельно к общему источнику питания, и для ослабления паразитной связи каскадов через этот источник все анодные цепи ламп, за исключением последней, как и цепи коллекторов транзисторных усилителей, защищают развязывающими фильтрами
.
Наиболее простым и экономичным способом подачи положительного потенциала на экранирующую сетку относительно катода является через гасящий резистор Rэ, сопротивление которого рассчитывают по формуле:
. (3.1)
Питание цепей накала электронных ламп производят как постоянным, так и переменным током. Выходная цепь каждого каскада содержит сопротивление нагрузки Rн, источник питания Eп. В усилительном каскаде источник сигнала Uвх малой мощности управляет током в выходной цепи, создаваемым источником питания.
Таким образом, за счет энергии источника питания Еп на выходных зажимах получаем усиленное напряжение Uвых = Еп – iвыхRн, причем выходное напряжение является функцией усиливаемого сигнала. Схему, приведенную на рис.3.1., называют однотактной или нессиметричной. В этой схеме входная и выходная цепи нессиметричны относительно общей точки. Другими словами, однотактный усилитель имеет несимметричный вход и выход.
Усилители могут быть построены по двухтактной схеме, содержащей два усилительных элемента, работающих на общую нагрузку. Двухтактные каскады представляют собой как бы два одинаковых однотактных каскада, объединенных общим проводом и источником питания, работающими со сдвигом фаз на 180°. Особенности построения этих схем подробнее рассмотрены в разделе "Выходные усилители".