![]() |
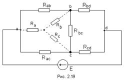
Рассмотрим схему:
Несмотря на то, что эта схема имеет один источник питания, она не поддаётся расчету методом эквивалентных сопротивлений, так как в ней нет сопротивлений, включенных между собой последовательно или параллельно.
Особенностью этой схемы является наличие замкнутых контуров из трёх сопротивлений (Rab, Rbc, Rac и Rbd, Rcd, Rbc) причём точки, разделяющие каждую пару смежных сопротивлений, являются узловыми. Такие контуры называются треугольниками сопротивлений.
Воспользуемся способом расчета, который состоит в замене треугольника сопротивлений эквивалентной трёхлучевой звездой сопротивлений (Ra, Rb, Rc ) как показано на рис. пунктиром.
Замена треугольника сопротивлений эквивалентной звездой, и наоборот, осуществляется при условии, что такая замена не изменяет потенциалов узловых точек a, b, c, являющихся вершинами треугольника и эквивалентной звезды.
Одновременно предполагается, что в остальной части схемы, незатронутой преобразованием, режим работы не изменяется (не изменяются токи, напряжения, мощности).
|
|
|
Без доказательства приведём формулы, которые служат для определения сопротивлений трёхлучевой звезды по известным сопротивлениям эквивалентного треугольника.
;
;
.
Обратное преобразование трёхлучевой звезды (Y) в эквивалентный треугольник (∆), осуществляется по формулам
;
.
Или через проводимости
;
;
.
Вопросы для самоконтроля
· Метод преобразований
· Последовательное соединение элементов
· параллельное соединение элементов
· Соединение элементов в U
· Соединение элементов в D
·
Взаимные преобразованияU D
·
Преобразование D U
· Преобразование параллельных ветвей, содержащих ЭДС
· Метод двух узлов
Лекция № 10
