КЛАССИЧЕСКИЕ МЕТОДЫ ФОРМИРОВАНИЯ МАТЕМАТИЧЕСКИХ МОДЕЛЕЙ
Займемся топологическим обоснованием обобщенного метода узловых потенциалов, т.е. представим его как совокупность топологических и компонентных уравнений. Перед применением метода узловых потенциалов все источники ЭДС схемы, если таковые имеются, должны быть преобразованы в эквивалентные источники тока, согласно преобразованиям Тевенина-Нортона. Это связано с тем, что свободные члены узловой системы уравнений представляют собой токи узлов.
Каждый пассивный элемент цепи можно описать законом Ома или компонентным уравнением
, (3.1)
где
– диагональная матрица проводимости ветвей;
– векторы напряжений и токов.

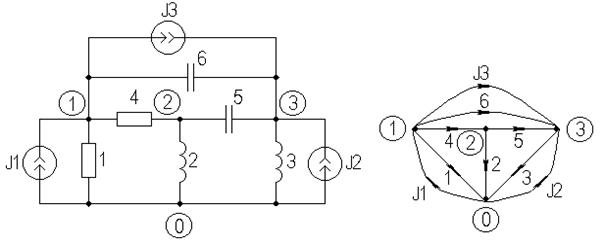
Рисунок 3.1 – Электрическая цепь и ее направленный граф
Для цепи, изображенной на рис. 3.1, система компонентных уравнений имеет вид:
.
Дополненная матрица инциденций
пассивных элементов и источников тока схемы рисунка 3.1 имеет вид

Порядок нумерации ветвей в матрицах
и
должен быть одинаков.
Согласно закону Кирхгофа для токов
|
|
|
,
запишем
,
где
– вектор известных источников токов.
Из последнего соотношения, используя (3.1), получаем
. (3.2)
Соотношение, связывающее напряжения ветвей через узловые напряжения, имеет вид
,
где
– напряжение на ветвях источников.
Последнее выражение можно представить двумя независимыми системами уравнений

Второе уравнение позволяет найти напряжения на источниках тока при найденных напряжениях на узлах. Если же первое из уравнений подставим в (3.2), то получим
.
Если обозначить узловую матрицу проводимости
, (3.3)
а вектор эквивалентных источников узловых токов
, (3.4)
то получим традиционную узловую систему уравнений
. (3.5)
Для схемы, изображенной на рисунке 3.1, в соответствии с (3.3) и (3.4) матрица проводимости и вектор узловых токов запишутся как
,
.
При топологическом обосновании обобщенного метода узловых потенциалов, кроме рассмотренного подхода, часто используют понятие обобщенной ветви (рис. 3.2)

Рисунок 3.2 – Обобщенная ветвь
Компонентные уравнения в виде законов Ома для обобщенных ветвей запишутся
, (3.6)
где
;
;
– диагональная матрица компонент. Если раскрыть равенство (3.6) и умножить обе части на матрицу инциденций, то получим
.
Из предыдущего изложения известно, что
;
;
.
В силу этих соотношений имеем

или, учитывая (3.3), запишем
,
где
– вектор, обусловленный независимыми источниками тока;
– вектор, обусловленный независимыми источниками напряжения и соответствующий преобразованию источников ЭДС в источники тока, согласно преобразованиям Тевенина-Ньютона.
Представляет также интерес обоснование метода узловых потенциалов при использовании управляемых источников тока, связанных индуктивностей и других многополюсных элементов.
|
|
|
Сразу оговоримся, что в обобщенном узловом методе речь может идти об источниках тока управляемых как током, так и напряжением. Изложение будем вести на конкретных примерах, поскольку обобщение результатов не представляет сложностей.
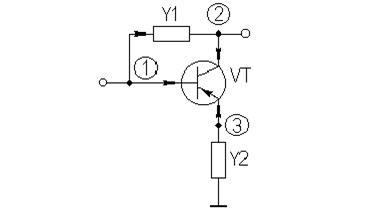
Рассмотрим упрощенную линейную модель полевого транзистора (ПТ), использующего источник тока, управляемый напряжением. ПТ включен по схеме с общим истоком (ОИ) (рис. 3.4).

Рисунок 3.4 – Упрощенная линейная модель полевого транзистора
Матрица инциденций изображенной модели

Матрица проводимостей ветвей модели
.
Заметим, что крутизна
управляемого источника как отдельной ветви записывается на пересечении соответствующей строки и столбца с номером ветви с управляющим напряжением. После перемножения матриц в соответствии с (3.3):
,
получаем матрицу проводимости полевого транзистора, включенного по схеме с ОИ.
Интересно также рассмотреть вопрос о построении матрицы проводимости схемы, содержащей подсхемы с известными матрицами проводимости. В качестве примера рассмотрим транзисторный каскад, изображенный на рисунке 3.6, где транзистор, как подсхема, представлен известной матрицей проводимости.

Рисунок 3.6 – Схема транзисторного каскада
Матрицу инциденций схемы в соответствии с указанными направлениями ветвей можно записать
,
где второй блок, из трех последних столбцов, представляет матрицу инциденций транзистора как подсхемы. Матрица проводимостей транзистора как трехполюсника в общем виде, запишется
.
Матрица проводимостей компонент схемы в этом случае запишется следующим образом
.
Перемножая матрицы в соответствии с (3.3)
,
получим матрицу проводимости транзисторного каскада, выраженную через элементы матрицы проводимости транзистора.






