Формализованное изложение обобщенного метода узловых потенциалов, с позиций многополюсного подхода, позволит сформулировать алгоритм формирования узловой системы уравнений на основе входной информации о ветвях схемы без привлечения топологических матриц.
Суть многополосного подхода заключается в следующем. Цепь представляется в виде тела многополюсника (рисунок 3.7) с (
) полюсами и один из них, обычно (
)-ый, принимается за общий узел.

Рисунок 3.7 – Многополюсник
Все токи считаются направленными вовнутрь многополюсника, а напряжения узлов (полюсов) отсчитываются относительно общего опорного узла. Такому представлению цепи соответствует система узловых уравнений (
-параметров короткого замыкания), которая устанавливает связь между токами и напряжениями узлов:
(3.7)
В матричной форме эта система может быть записана как
.
Рассмотрим физический смысл
-параметров. Из системы уравнений (3.7) следует, что
, при
, где
и
.
То есть, собственная проводимость может быть определена, путем подключения к
-ому узлу источника напряжения
и измерения тока этого узла
при замкнутых на общий узел остальных узлах.
Взаимная проводимость
, при
, где
и
, может быть определена путем подключения к
-ому узлу источника напряжения
и измерения тока
при замкнутых остальных узлах.
Из рассмотрения следует, что в случае пассивной цепи, собственная проводимость узла
равна сумме проводимостей ветвей, подключенных к
-му узлу, т.к. остальные узлы при этом закорачиваются. Взаимная проводимость
равна суммарной проводимости ветвей, соединяющих узлы
и
, поскольку остальные узлы замкнуты. При определении собственной проводимости ток и напряжение измеряются на одном и том же узле, поэтому, учитывая их со-направленность, собственную проводимость берут со своим знаком. При определении взаимной проводимости напряжение прикладывается к одному узлу, а ток измеряется в другом и соответственно имеет другое направление относительно узла, поэтому взаимная проводимость берется с противоположным знаком. Для наглядности представления смысла матрицы проводимости и правил формирования необходимо сделать ряд исходных предпосылок.
1. Если принять, что прикладываемое напряжение
, в этом случае
- ток пропорционален проводимости.
2. ЭДС, прикладываемая к узлу, имеет направление от общего провода к узлу, а ток, возникающий под действием ЭДС, направлен навстречу, из узла.
3. Источник ЭДС идеальный (внутреннее сопротивление равно нулю), следовательно, его энергия бесконечна и ток в каждой из ветвей пропорционален ее проводимости, т.е. не зависит от наличия других ветвей (шунтирования нет).
4. Ток измеряется амперметром с внутренним сопротивлением, равным нулю, и его присутствие одновременно реализует режим короткого замыкания при измерении взаимных проводимостей.
5. При измерении ток, вытекающий из узла, считаем положительным, а втекающий - отрицательным.
С учетом этих предпосылок, проводя серию мысленных экспериментов, можно определить все элементы матрицы проводимости пассивной схемы. Для иллюстрации алгоритма заполнения матрицы проводимости компонентами пассивных ветвей изобразим на рисунке 3.8 отдельную пассивную ветвь с узлами подключения
и
.

Рисунок 3.8 – Пассивная ветвь цепи
Компоненты матрицы проводимости пассивного элемента в соответствии со сформулированными выше правилами и рисунком 3.8 можно изобразить фрагментом
.
С другой стороны, модели активных элементов содержат управляемые источники тока. В узловом методе без предварительных преобразований допустимы лишь источники тока, управляемые токами ветвей и напряжениями на узлах. Моделирование активности и невзаимности активных схем приводит, в отличие от пассивных схем, к несимметричным матрицам.
Влияние управляемых источников на матрицу проводимости опирается на следующие исходные предпосылки, в дополнение к ранее названным для пассивных схем:
6. Источник тока идеальный с бесконечным внутренним сопротивлением.
7. Управляемый источник активизируется лишь при приложении управляющих токов либо напряжений.
8. Важно исходное со-направление управляющих воздействий и управляемого источника относительно узлов подключения. При изменении направления управляющих воздействий изменяется полярность источника.
Заметим, что действие управляемого источника, в отличие от независимого источника, проявляется, лишь при возникновении соответствующих управляющих токов либо напряжения. Наличие управляемых источников в цепи приводит к появлению дополнительных компонент матрицы проводимости.
Для физической интерпретации и выявления особенностей отражения управляемых источников необходимо ввести в рассмотрение две пары полюсов (управляющих
,
и управляемых
,
) в соответствии с рисунком 3.9. Здесь важно исходное со направление, поскольку изменение знака управляющего тока либо напряжения ведет к изменению полярности источника.

Рисунок 3.9 – Управляемые источники тока
Дополнительные составляющие матрицы проводимости, обусловленные управляемыми источниками, в соответствии с вышеуказанными правилами будут находиться на пересечении строк с номерами управляемых узлов и столбцов с номерами управляющих узлов. В соответствии с рис. 3.9 и оговоренными правилами определения компонент матрицы проводимости дополнительные компоненты, обусловленные управляемыми источниками, можно отразить следующими фрагментами матриц:
.
На основании предпосылок и правил можно сформулировать алгоритм формирования матриц проводимости электронных схем.
1. Любой пассивный элемент, подключенный к узлам
и
, входит в компоненты матрицы на пересечении соответствующих строк и столбцов, причем в диагональные элементы
и
проводимость входит со своим знаком, а в недиагональные -
и
- с противоположным знаком.
2. Управляемый источник отображается компонентами матрицы проводимости на пересечении строк с номерами управляемых узлов
и
и столбцов с номерами управляющих узлов
и
, причем со-направленные компоненты
и
содержат составляющие со своим знаком, а разнонаправленные
и
- с противоположным.
Сформулированный алгоритм несложно реализовать в виде процедуры формирования матриц проводимости на основе информации о ветвях схемы, содержащей признаки, номиналы и узлы подключения.
Кроме матрицы проводимости, необходимо также рассмотреть вопрос о формировании вектора свободных членов узловой системы, содержащей токи узлов, обусловленные независимыми источниками тока. Заметим еще раз, что независимые источники напряжения должны быть предварительно преобразованы в независимые источники тока.
Составляющие вектора, обусловленные независимыми источниками тока, формируются в соответствии с узлами подключения. Значение источника тока заносится в компоненты вектора свободных членов с плюсом, если источник направлен к узлу, и с минусом, если направлен от узла. Кажущееся противоречие с правилом простановки знаков в зависимости от направления обусловлено тем, что вектор токов стоит справа от знака равенства. Проиллюстрируем это правило на примере рисунка 3.10, содержащего независимый источник тока.

Рисунок 3.10 – Независимый источник тока
Компоненты вектора свободных членов, обусловленные источником в соответствии с рисунком 3.10 и сформулированными правилами, можно отобразить следующим фрагментом:
.
Составляющие вектора, обусловленные источниками напряжения, предварительно преобразованные в источники тока, также формируется на основе узлов подключения. Т.к. направление ЭДС противоположно возникающему току, компоненты с номерами узлов, на которые указывает стрелка, следует брать с минусом, а компоненты с номерами узлов, откуда исходит стрелка - с плюсом. Кроме того, источники напряжения могут порождать дополнительные компоненты вектора тока через управляемые источники тока, если управляющая ветвь содержит источники ЭДС. Координаты компонент определяются узлами подключения управляемых источников тока, а значение определяется произведением крутизны на ЭДС с учетом направления источника, относительно узлов подключения и со-направления с источниками ЭДС.
Если выполнены предварительные преобразования источников ЭДС в источники тока, то, перебирая значения сторонних источников и узлы подключения, вычисляем алгебраическуюсумму сторонних токов каждого узла. Данная процедура формирования вектора свободных членов также просто реализуется на ЭВМ.

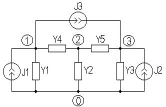
Рисунок 3.11 – Схема с источниками токов
Т.о., нами сформулировано содержание алгоритма формирования узловой системы уравнений на основе исходной информации о ветвях схемы. Рассмотрим применение этого алгоритма на примере схемы рис. 3.11.
В соответствии с изложенным алгоритмом для приведенной схемы узловую систему уравнений можно записать в виде
.






