1. Определяют расчетный тока замыкания по формуле:
I3 = Uл ∙ (35
lк+lв) / 350, А, (4)
2. Определяют и рассчитывают необходимое сопротивление заземляющего устройства Rз в соответствии с табл. 1. В случае, если Rз больше допустимого значения, то в дальнейших расчетах Rз принимают равным допустимому значению.
Таблица 1
Сопротивления защитных заземлителей в электрических установках
| Характеристика установок | Допустимое сопротивление заземлителей Rз, Ом |
| Установки напряжением выше 1000 В. Защитное заземление в установках с большими токами замыкания на землю (IЗ > 500 А) | RЗ ≤ 0,5 |
| Заземляющее устройство одновременно используется для установок напряжением до и выше 1000 В (Iз < 500 А) | RЗ = 125 / IЗ ≤ 4 |
| Заземляющее устройство используется только для установок выше 1000 В и током замыкания на землю IЗ < 500 A | RЗ = 250 / IЗ ≤ 10 |
| Электроустановки напряжением 380 / 220 В | RЗ ≤ 4 |
3. Определяют расчетное удельное сопротивление грунта ρр:
ρр = ρизм ∙ Y, Ом ∙ м (5)
где ρизм – удельное электрическое сопротивление грунта, полученное измерением или из справочной литературы (табл.2.3.2); Y - коэффициента сезонности,значение которого зависит от климатической зоны; (для четвертой климатической зоны со средними низшими температурами в январе от 0 до – 5 0С и высшими в июле от +23 до +26 0С Y= 1,3).
|
|
|
При высоком удельном сопротивлении земли применяют способы искусственного снижения ρизм в целях уменьшения размеров и количества используемых электродов и площади территории, занимаемой заземлителем. Существенного результата достигают химической обработкой области вокруг заземлителей с помощью электролитов, либо путем укладки заземлителей в котлованы с насыпным углем, коксом, глиной.
Таблица 2
Приближенные значения удельного электрического сопротивления
различных грунтов, Ом∙м
| Вид земли и воды | ρизм, Ом∙м | Вид земли и воды | ρизм, Ом∙м |
| Кокс, коксовая мелочь | 2–5 | Пахотная земля, смешанный грунт | 20–80 |
| Торф | 10–30 | Почва | 10–300 |
| Садовая земля | 20–60 | Супесь водонасыщенная (текучая) | 20–60 |
| Чернозем | 10–50 | Супесь влажная (пластинчатая) | 100–200 |
| Каменный уголь | 100–150 | Супесь слабовлажная (твердая) | 200–400 |
| Известняк пористый | 150–200 | Песок при глубине залегания вод менее 5 м | 300–700 |
| Глины пластиночные | 3–80 | Песок при глубине залегания вод 6–10 м | 500–1500 |
| Глины полутвердые | 40–80 | Суглинок полутвердый (слабовлажный) | 5–150 |
| Суглинок пластичный (влажный) | 5–40 | Гравий, щебень | 4000–7000 |
4. При использовании искусственных заземлителей вначале выбирают материал, тип и размеры заземлителей.
В качестве заземлителей применяют стальные трубы с толщиной стенок 35 – 50 мм, длиной 2 – 3 м; угловую сталь толщиной не менее 4 мм; прутковую сталь диаметром не менее 10 мм, длиной до 10 м. Заземлители размещают в земле вертикально на глубине 0,5 – 0,8 м и соединяют при помощи сварки горизонтальной металлической полосой шириной 20-40 мм.
|
|
|

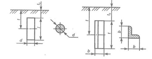
а) б)
Рис. 5. Схематическое изображение заземлителей: а – стержневой (трубчатый);
б – уголковый.
Сопротивления одиночного вертикального стержневого заземлителя, заглубленного ниже уровня земли на t0 ,м определяется по формуле:
, Ом (6)
где: ρр – расчетное удельное сопротивление грунта, Ом
м;
l – длина стержня, м;
d – диаметр стержня, м;
t – расстояние от поверхности земли до середины заземлителя, м;
t0 – глубина забивки заземлителя, м.
5. Определяют приближенное число заземлителей:
, шт (7)
где Rз – допустимое сопротивление защитного заземления
(по табл. 1), Ом.
6. По приближенному числу заземлителей – n и по отношению расстояния между заземлителями а к длине вертикального заземлителя l, определяют коэффициент использования заземлителей ηиз (табл. 3); а/ l принимают равным 1; 2; З.
7. Предварительное определение количества заземлителей:
, шт. (8)
8. Сопротивление полосы (без учета коэффициента использования полосы), соединяющей одиночные вертикальные стержни заземлителя определяется по формуле:
, Ом (9)
где: b – ширина полосы, равная 20– 40 мм; l1 – длина полосы, соединяющей заземлители по контуру равна периметру Р, м (рис. 6).
Если предварительное количество заземлитетей nз ≤ 20, то заземлители располагаются в ряд. В этом случае длина соединительной полосы определяется по формуле:
(10)
где a – расстояние между заземлителями;
а = (1÷3) · l; l – длина вертикального заземлителя.
![]() |
0,8 t
b
Рис. 6 – Схема заложения полосы.
9. Сопротивление соединительной полосы с учетом коэффициента использования (табл. 4):
, Ом (11)
10. Уточняется необходимое сопротивление вертикальных стержневых заземлителей с учетом сопротивления полосы:
, Ом (12)
11. Уточненное количество заземлителей с учетом коэффициента использования заземлителей, определяется по формуле:
, шт (13)
12. Выполняется схема защитного заземления в соответствии с результатами и исходными данными расчета (Рис. 4 а, б).
13. Определить полное сопротивление заземляющего устройства (заземлителей и соеденительных полос) по формуле:
(14)
где
- коэффициент использования соединительной полосы, определяется по таблице 4;
- коэффициент использования заземлителей. При вертикальных заземлителях принимается из таблицы 3, при горизонтальных полосовых заземлителях – из таблицы 4.
Если полученное значение полного сопротивления защитного заземления значительно меньше (в два и более раз) допустимого сопротивления
необходимо уменьшить количество заземлителей, или изменить их размеры, или выбрать грунт с большим удельным сопротивлением.
Заземляющее устройство представляет собой конструкцию куда входят: металлический проводник, находящийся в контакте с землей; заземляющие проводники соединяющие части электроустановки с заземлителями; металлические полосы, связывающие сами заземлители.
Различают два типа заземляющих устройств:
- выносное (сосредоточенное)
- контурное (распределенное)

Выносное заземляющее устройство характеризуется тем, что заземлитель выносится за пределы производственной площадки на которой размещено заземляющее оборудование, или сосредоточен на некоторой части этой площади.
Применяется лишь при малых значениях тока замыкания на землю, в частности установках U=1000 В.
Контурное заземляющее устройство характеризуется тем, что одиночные заземлители размещаются равномерно по периметру на котором находится заземляющее оборудование, или распределены по всей площадке по возможности равномерно.
Если выносное заземление защищает только за счет своего малого сопротивления, так как используется большое количество одиночных заземлителей, то при контурном заземлители поля растекания тока от заземлителей накладываются друг на друга и любая точка поверхности грунта внутри тока имеет значительный потенциал.
|
|
|
При этом разность потенциалов между точками внутри контура будет снижена и в этом случае, ток проходящий через человека при его прикосновении к корпусу эл.установки будет меньше, чем при выносном заземлении.
