


3.1 УГР и функциональная схема мультиплексора К155 КП1


Рисунок 13- УГР и функциональная схема мультиплексора К155 КП1
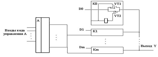
3.2Структурная схема аналогового мультиплексора с ключами на КМОП

Рисунок 14- Функциональная схема аналогового мультиплексора

4. Полусумматоры и сумматоры






