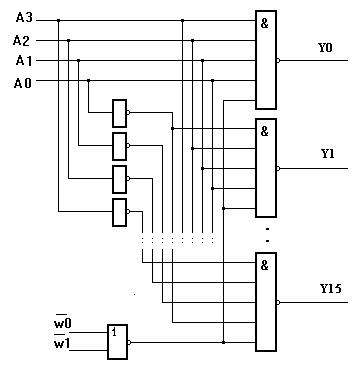
Функциональная схема линейного дешифратора 4-16, соответствующая ФАЛ
Дешифраторы
Компараторы
Полусумматоры и сумматоры
Дешифраторы относятся к комбинационным схемам, которые предназначены для преобразования двоичного или двоично-десятичного кода в позиционный.
1.1 Функция алгебры логики дешифратора:
,
,
,
---------------------
,

Рисунок 1 – Линейный дешифратор 4-16 на элементах И-НЕ с однократной инверсией входных переменных и управляющими входами

Рисунок 2 - Линейный дешифратор 3-8 на элементах И с двойной инверсией входных переменных