Рассмотренные логические элементы могут иметь некоторые схемотехнические особенности построения выходных каскадов. Рассмотрим основные из них на примере ТТЛ элементов, учитывая при этом, что подобные решения применяются и для логических элементов, выполненных с использованием других технологий. Наряду с базовым элементом И-НЕ, рассмотренным ранее, там, где не требуется высокого быстродействия, широко используются элементы И-НЕ с «открытым коллектором». Упрощенное схемное изображение этого элемента представлено на рис. 4.13.

Рис. 4.13. Упрощенная схема элемента 2И-НЕ с открытым коллектором
Этот элемент требует подключения внешней нагрузки, в качестве которой могут использоваться резистор, исполнительные устройства (реле, двигатели и т. п.), элементы индикации. Элементы с открытым коллектором допускают, в отличие от основной схемы параллельное соединение выходов с целью получения «монтажного ИЛИ».
Кроме элементов с открытым коллектором иногда используются логические элементы с «открытым эмиттером». Они обозначаются
|
|
|
знаком
.
Вместе с элементами с двумя логическими состояниями используются элементы, имеющие третье (нейтральное) состояние. При переходе элемента в третье состояние, его выходное сопротивление становится очень большим и выход элемента не оказывает влияния на соединенные параллельно с ним входы и выходы других элементов. Такие элементы носят название тристабильных.
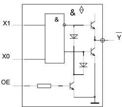
Упрощенная схема тристабильного элемента 2И-НЕ приведена на рис. 18.

Рис. 4.14. Упрощенная схема тристабильного элемента 2И-НЕ
Если сигнал ОЕ (Output Enable) низкого уровня, дополнительный транзистор закрыт и включенные встречно диоды не оказывают влияния на работу выходного каскада. Если сигнал ОЕ высокого уровня, дополнительный транзистор входит в состояние насыщения, закрывая транзисторы выходного каскада и логический элемент переходит в третье состояние.
Такие элементы используются там, где необходима передача информации по одной линии от нескольких источников к одному или нескольким приемникам (многоканальные системы уплотнения с временным уплотнением сигналов), а также при разработке микросхем сложных логических устройств, где один вывод микросхемы реализует несколько функций.






