Описание основных схемотехнических решений базовых логических элементов.
Переходные процессы в логических схемах
Наличие t
при прохождении сигнала через логический элемент иногда приводит к появлению нежелательных явлений в выходном сигнале не соответствующих реализуемой логической формуле. Это явление носит название «эффекта гонок».
Это явление иллюстрируется следующим примером:
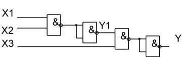
Допустим нам необходимо реализовать следующую логическую функцию (дешифратор 111):
Y= X1*X2*X3, (21)
но в нашем распоряжении имеются только логические элементы И-НЕ, имеющие два входа. Поэтому для реализации необходимой функции, ее необходимо преобразовать к следующему виду:
Y=
, (22)
Схема электрическая принципиальная этого устройства приведена на рис.4.3.

Рис.4.3. Схема электрическая принципиальная дешифратора 111.
Рассмотрим работу этого устройства при подаче на его входы периодических последовательностей, как изображено на рис.4.4.

Рис.4.4. Временные диаграммы сигналов дешифратора 111.
Как видно из временных диаграмм, сигнал на выходе Y1 (рис. 4.3) задержан, т. к. проходит последовательно через два логических элемента. Это в свою очередь приводит к появлению непредусмотренного логической формулой короткого сигнала (
*
*
). Эффект гонок приводит к возникновению сбоев и нарушению алгоритма работы цифровых автоматов. Для устранения этого явления используют несколько способов:
|
|
|
1) добавление в логическую функцию дополнительных операций, например, для рассматриваемого случая, если функцию представить в виде:
Y=
*
, (23)
нежелательный эффект исчезнет,
2) использование стробирующих сигналов, когда считывание состояния автомата происходит после окончания переходных процессов.
Большая часть логических устройств реализована путем того или иного соединения базовых логических элементов, поэтому их параметры существенно зависят от выбранного схемотехнического типа базовых логических элементов. Физическая реализация даже самого простого цифрового логического элемента представляет собой схему, содержащую несколько десятков элементов, таких как резисторы, диоды, транзисторы, конденсаторы. Первоначально их соединение реализовывалось посредством печатного монтажа, что обуславливало большие габариты, низкое быстродействие, невысокую надежность. Бурное развитие микроэлектронной технологии обусловило создание полупроводниковых интегральных микросхем, которые под час реализуют весьма сложные логические функции. На современном этапе существуют микросхемы низкой степени интеграции, в которых число дискретных элементов не превышает 100 (ИС), микросхемы средней степени интеграции (СИС), содержащие до 1000 дискретных элементов большие (БИС) и сверхбольшие (СБИС) интегральные микросхемы, у которых число элементов достигает от 1000 до нескольких миллионов. При проектировании таких устройств существенное значение имеет однородность построения схемных решений, т. е. минимальное число типов, используемых элементов, построение логических структур на базовых логических элементах. Обновление технических решений и конструктивно-технологических методов построения микросхем происходит исключительно высокими темпами. Средний срок жизни микросхем не превышает
|
|
|
5-7 лет.
К настоящему времени разработано много способов схемной реализации базовых логических элементов:
- резисторно-транзисторная логика РТЛ, отличается невысоким быстродействием, требует большой площади на подложке и в настоящее время применяется очень редко;
- диодно-транзисторная логика ДТЛ, имеет среднее быстродействие, ранее выпускался широкий набор микросхем низкой степени интеграции с использованием этих элементов. Для них t
составляло 20…100 нс. В настоящее время применение ограничено вследствие появления устройств с более высоким быстродействием и низкой потребляемой мощностью;
- транзисторно-транзисторная логика ТТЛ является дальнейшим развитием ДТЛ, имеет среднее быстродействие и более низкую потребляемую мощность, по-сравнению с ДТЛ. ТТЛ более технологична при изготовлении микросхем с большой степенью интеграции изготовлении. Относится к наиболее разработанным типам. Включает в свой состав большое количество типов элементов;
- транзисторно-транзисторная логика с диодами Шотки (ТТЛШ) разработана на основе ТТЛ с целью дальнейшего повышения быстродействия и снижения потребляемой мощности;
- эмиттерно-связанная логика имеет высокое быстродействие при высокой потребляемой мощности. Используется в основном в синтезаторах частоты при построении делителей частоты;
- логические элементы на МДП (металл-диэлектрик-полупроводник) транзисторах характеризуются невысоким быстродействием и высокой технологичностью изготовления. Для повышения быстродействия были разработаны логические устройства на МДП транзисторах с разной проводимостью КМОП (комплементарные металл – оксид - полупроводник) логика. Этот вид устройств на сегодняшний день является самым технологичным и наиболее распространен в цифровой технике при построении СБИС;
- интегрально-инжекционная логика И
Л имеет высокое быстродействие и весьма высокую технологичность изготовления, но невысокую помехоустойчивость. Применяется исключительно в составе БИС и СБИС.
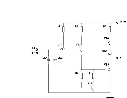
Рассмотрим реализацию базового логического элемента И-НЕ на микросхемах разных типов.
Схема, реализующая базовый элемент И-НЕ ТТЛ, представлена на
рис. 4.5.
При подаче хотя бы на один из входов логического «0», транзистор VT1 переходит в состояние насыщения, при этом транзистор фазорасщепителя VT2 запирается, запирается также транзистор VT5, а ток текущий в базу транзистора VT4 через резистор R2 отпирает его и на выходе Y устанавливается высокий уровень логической «1». При наличии на обеих входах X1, X2, логической «1», ток через эмиттерные переходы VT1 не течет, при этом коллекторный переход VT1 оказывается смещенным в прямом направлении и протекающий через него и R1 ток приводит в состояние насыщения транзистор VT2. Ток, протекающий через резистор R2 и транзистор VT2, приводит к насыщению транзистора VT5. При этом напряжение на базе транзистора VT5 оказывается недостаточным для его открывания, и он запирается.

Рис.4.5. Схема электрическая принципиальная элемента 2И-НЕ ТТЛ.
Таким образом, на выходе Y устанавливается низкий уровень. Такой сложный выходной каскад (VT4, VT5) необходим для уменьшения t
, т. к. позволяет обеспечить малое выходное сопротивление элемента как в состоянии лог. «1», так и лог. «0» и тем самым достаточно быстро перезаряжать нежелательные входную емкость последующих логических элементов и емкость монтажа. Цепь, состоящая из резисторов R3, R4 и транзистора VT3 позволяет улучшить прямоугольность передаточной характеристики. Диоды VD1, VD2 выполняют защитную функцию, предотвращая попадание на вход больших отрицательных напряжений.
|
|
|
Такое построение логического элемента позволяет получить И-НЕ с числом входов до восьми, при этом к выходу такого элемента допускается подключать до десяти входов однотипных элементов. Параллельное соединение выходов таких элементов не допускается. К одному из существенных недостатков этого схемного решения является большой импульсный «сквозной» ток во время изменения логического состояния выхода элемента, когда транзистор VT5 еще не успел закрыться, поскольку был в состоянии насыщения, а VT4 уже открылся. Поэтому с увеличением частоты переключения растет и потребляемая элементом от источника питания мощность.
Для ограничения этого тока служит резистор R5.
Для решения вспомогательных задач, например подключение элементов индикации, исполнительных узлов (реле и пр.), были разработаны элементы ТТЛ с открытым коллектором, где в схеме отсутствуют R3, R4, R5, VD3, VT3, VT4. При этом быстродействие существенно уменьшается, но появляются дополнительные возможности. Кроме описанного элементы с открытым коллектором позволяют, там, где не требуется высокого быстродействия, параллельно соединять несколько выходов, реализуя тем самым операцию монтажного ИЛИ-НЕ. При этом соединенные выходы необходимо подключить через резистор к источнику Uпит.
Существуют и ТТЛ элементы с увеличенной нагрузочной способностью, при этом транзистор VT4 выполняется в виде составного по схеме Дарлингтона. При этом к выходу элемента допускается подключать в 3…5 раз больше входов.
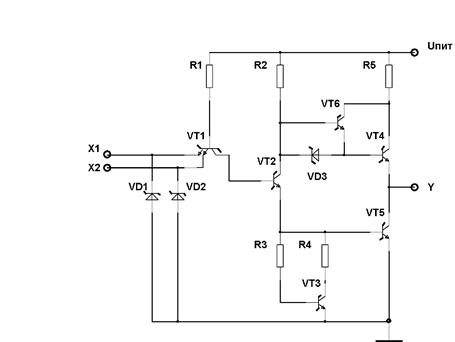
Повышение быстродействия ТТЛ элементов возможно за счет уменьшения величины сопротивления R2, R4. При этом уменьшается время перезаряда емкостей коллекторных переходов VT4, VT5. Такое решение хотя и позволяет увеличить быстродействие в 3 – 4 раза, но применяется редко, поскольку существенно возрастает потребляемая мощность. Дальнейшие исследования привели к разработке ТТЛ с диодами Шотки – ТТЛШ. Дело в том, что основной вклад в t
, вносит время рассасывания неосновных носителей после насыщения VT1, VT2, VT5. Поэтому было найдено решение с шунтированием коллекторных переходов транзисторов диодами с барьерами Шотки. При этом транзисторы работают без захода в область насыщения, и t
при том же потребляемом токе уменьшается более чем в 5 раз. Диоды Шотки образуются контактом металла с полупроводником и имеют пороговое напряжение открывания примерно в два раза меньше по-сравнению с обычными переходами. Поскольку они включены параллельно коллекторным переходам, насыщения последних не происходит. С другой стороны накопление заряда в самих диодах Шотки не происходит. Схема базового элемента 2И-НЕ ТТЛШ приведена на рис. 4.6.
|
|
|
Разработаны также элементы ТТЛШ, имеющие быстродействие такое же, как у ТТЛ, но потребляющие ток на порядок меньше, что особенно актуально при создании БИС и СБИС, где степень интеграции ограничивается потребляемой микросхемой мощностью.

Рис. 4.6. Схема электрическая принципиальная элемента 2И-НЕ ТТЛШ.






