Мультиплексором называется логическое устройство, которое имеет
входов и один выход, где m- число адресных входов, а 2
- число информационных входов мультиплексора. В условных графических изображениях мультиплексоры обозначаются буквами MS, MX, MUX. Условное графическое обозначение сдвоенного четырех канального мультиплексора К155КП2 приведено на рис. 4.16.

Рис. 4.16. Условное графическое изображение сдвоенного четырех канального мультиплексора К155КП2
Логическое уравнение для выхода Y будет иметь вид:
. (30)
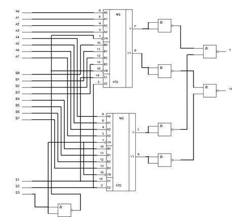
Входы VA, VB используются при необходимости увеличения числа коммутируемых входов как показано на рис. 4.17.

Рис. 4.17. Пример схемы электрической принципиальной сдвоенного мультиплексора на 8 каналов на микросхемах К155КП2.
Входы VA, VB могут использоваться также и для других целей, например в качестве стробирующих для устранения эффекта гонок.
Демультиплексоры выполняют функцию обратную мультиплексированию, т. е. производят коммутацию одного входного сигнала на
выходов, где m число адресных входов. Демультиплексоры описываются системой логических уравнений:
;
,
где
- минтермы переменных,
например, для n=2 и адресных входах
:

В условных обозначениях демультиплексор обозначается буквами DMX, DM.
Основное назначение демультиплексоров – разделение последовательных потоков данных, например при использовании в системах с временным уплотнением каналов, цифровых АТС и т. п.. Условное графическое изображение демультиплексора приведено на рис. 4.18.

Рис.4.18. Условное графическое изображение четырехканального демультиплексора.
Следует отметить, что микросхемы демультиплексоров применяются редко, а наиболее часто в качестве демультиплексоров используются микросхемы дешифраторов – демультиплексоров, рассмотренные далее.
Мультиплексоры находят широкое применение и при создании СБИС, например для сокращения числа выводов микропроцессоров. Кроме основного назначения мультиплексоры могут использоваться для синтеза комбинационных схем.
Рассмотрим пример синтеза комбинационного автомата с использованием восьми канального мультиплексора. Пусть автомат выполняет логическую функцию, заданную таблицей истинности табл. 4.1.
По этой таблице построена карта Карно рис. 4.19а. Правило выбора адресных переменных устанавливается из соображений, что для наиболее рационального использования адресных входов мультиплексора, им необходимо присваивать значения тех переменных, которые входят в ДНФ наибольшее число раз. Из таблицы Карно следует, что ДНФ функции Y имеет вид:
,
В этой формуле наиболее часто встречаются
, поэтому на адресный вход S3 подаем
, на адресный вход S2 подаем
и на адресный вход S1 можно подать как
так и
. Подадим на S3
. Адреса, соответствующие такому выбору указаны на карте рис. 4.19,б.
Таблица 4.1.
| № | | | | | |
Сигналы, подаваемые на входы А0…А7 мультиплексора определим на основании рис.4.19 следующим образом:
- номерам входов соответствуют цифры, записанные в ячейках рис. 23б;
- на вход соответствующий адресу i подается лог. «1», если в обеих ячейках с адресом i в карте Карно записана «1».;
- на вход соответствующий адресу i подается лог. «0», если обе ячейки с адресом i в карте Карно пусты.;
- на вход соответствующий адресу i подается логический сигнал
, если в ячейке с адресом i и соответствующей
= 1 в карте Карно записана «1», а в ячейке с адресом i и соответствующей
= 0 в карте Карно пустая ячейка;
- на вход соответствующий адресу i подается логический сигнал
, если в ячейке с адресом i и соответствующей
= 0 в карте Карно записана «1», а в ячейке с адресом i и соответствующей
= 1 в карте Карно пустая ячейка;

Рис. 4.19. Карта Карно и карта адресов комбинационного автомата.
На основании этих правил разработана схема автомата рис. 4.20.
В случае если комбинационный автомат одновременно реализует несколько логических функций, синтез производится аналогичным образом. Для каждой функции строятся карты Карно и ДНФ, затем путем сравнения ДНФ находятся наиболее часто встречающиеся переменные, которые подаются на адресные входы, причем каждой функции соответствует свой мультиплексор, а адресные входы мультиплексоров объединяются.

Рис.4.20. Схема комбинационного автомата с использованием восьми канального мультиплексора.






