Асинхронный R-S триггер имеет два входа: вход установки S (et) и сброса R (eset) и два выхода: прямой Q и инверсный
. Триггер переходит из текущего состояния на выходах Х к состоянию, когда на выходе Q устанавливается лог. «1», а на выходе
- лог. «0» при подаче на вход S сигнала лог. «1», а на вход R сигнала лог.»0». И наоборот, триггер переходит из текущего состояния на выходах Х к состоянию, когда на выходе
устанавливается лог. «1», а на выходе Q - лог. «0» при подаче на вход S сигнала лог. «0», а на вход R сигнала лог. «1». Состояние, когда одновременно на оба входа подаются сигналы лог. «1» является запрещенным. В практике более часто применяются R-S триггеры с инверсными входами, когда активными являются входные сигналы лог. «0». Таблица истинности для этого триггера представлена в таблице 4.7. Здесь значения Q и
в ячейках таблицы говорят о том, что выходы могут принимать любое значение, совпадающее с предыдущим по времени значением, значение d соответствует запрещенному состоянию входов и будет доопределено на этапе оптимизации.
|
|
|
Таблица 4.7.
| | | | | Название режима |
| Q | Q | | Хранение информации | ||
| X | Установка в «1» | ||||
| X | Сброс | ||||
| X | d | d | Запрещенное (неопределенное) состояние |
Карта Карно, соответствующая таблице 4.7. приведена на рис. 4.29.
Логическое уравнение по этой карте при условии, что d до определены как «1» будет иметь вид:
. (34)

Рис. 4.29. Карта Карно R-S триггера.
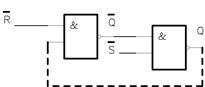
Схема, реализующая (34) представлена на рис. 4.30.

Рис. 4.30. R-S триггер
На рис. 4.30 сигналам
и
соответствует выход Q (пунктирная линия на рисунке).
На схемах R-S триггеры, полученные соединением двух элементов И-НЕ изображают как на рис. 4.31. Здесь же справа приведено условное графическое обозначение этого триггера как функционального элемента.

Рис. 4.31. Схема R-S триггера и его условное графическое изображение






