В расширяющих одновибраторах (заторможенных мультивибраторах) длительность входного (запускающего) импульса должна быть короче длительности формируемого импульса.
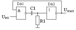
Схема расширяющего одновибратора приведена на рис. 6.13. Он выполнен на двух логических элементах. Схема охвачена положительной обратной связью, так как выход второго элемента соединен с входом первого.

Рис. 6.13. Схема расширяющего одновибратора.
В исходном состоянии на выходе элемента DA2 (рис. 6.14) имеется уровень логической единицы, а на выходе элемента DA1 - уровень логического нуля, так как на обоих его входах присутствуют логические единицы.

Рис. 6.14. Временные диаграммы работы расширяющего одновибратора
При поступлении на вход запускающего импульса с нулевым потенциалом на выходе первого элемента появится уровень логической единицы, который через конденсатор С1 поступит на вход второго элемента. Элемент DA2 инвертирует этот сигнал и уровень “0” по цепи обратной связи подается на второй вход элемента DA1. Теперь даже если на входе снова появится уровень логической единицы, на выходе элемента DA1 будет сохраняться высокое напряжение.
|
|
|
На выходе элемента DA2 уровень логического нуля будет присутствовать до тех пор, пока конденсатор C1 не зарядится до уровня Uc = U1 - Uпор, а напряжение на резисторе R1 не достигнет порогового уровня Uпор.
Длительность выходного импульса одновибратора может быть определена с помощью выражения

где Rвых - выходное сопротивление первого элемента. Uпор - пороговое напряжение логического элемента. Сопротивление резистора R1 выбирается из условия:

Основными недостатками рассмотренных схем являются ограничения, накладываемые на длительность входного сигнала. В частности, как следует из описания, длительность входного сигнала не может быть больше расчетной длительности выходного. Поэтому были разработаны и выпускаются промышленностью мультивибраторы у которых на длительность входного сигнала не накладывается ограничений (К555АГ1, К555АГ3). Их принцип действия подобен рассмотренному. Отличие заключается в наличии в составе схемы R-S триггера, обеспечивающего дополнительные возможности.






