Формирователи сигналов
При работе с цифровыми устройствами достаточно часто требуется формировать импульсы определённой длительности. Эту задачу выполняют специальные устройства - формирователи импульсов.
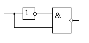
Рассмотрим схему, приведённую на рис. 6.8.

Рис. 6.8. Схема укорачивающего формирователя.
Временные диаграммы сигналов на входе и выходе инвертора, а также на выходе схемы "И" приведены на рис. 6.9.
Как видно из этих временных диаграмм, формирователь, схема которого приведена на рис. 6.8, вырабатывает одиночный импульс по фронту входного сигнала. Длительность

Рис. 6.9. Временные диаграммы укорачивающего формиователя.
импульса на выходе такой схемы будет равна времени задержки инвертора.
Если требуется длительность выходного импульса, большая времени задержки одиночного инвертора, то можно применить дополнительные элементы задержки на пассивных RC элементах. Пример подобной схемы приведён на рис. 6.10, а временные диаграммы этой схемы - на рис. 6.11.

Рис. 6.11. Схема укорачивающего формирователя с использованием RC элементов задержки.
|
|
|
Длительность выработанного формирователем импульса можно вычислить исходя из условия разряда конденсатора С1. Действительно, пока конденсатор С1 разряжается до уровня порогового напряжения Uпор на его выходе поддерживается уровень логического нуля. С течением времени напряжение на конденсаторе C1 становится равным Uпор и на выходе элемента И-НЕ появится уровень логической единицы. Если считать, что напряжение до начала разряда на конденсаторе было равно напряжению уровня уровень логической единицы
, то изменение напряжения
с течением времени можно представить как:
,
следовательно
.
Длительность импульса равна времени разряда конденсатора до порогового значения Uпор будет равна:


Рис. 6.12. Временные диаграммы укорачивающего формирователя с использованием RC элементов задержки.






