Биполярный n-p-n транзистор в минимальном режиме.
Транзистор.
Схемы замещения индуктивно сведённых ветвей в Z параметрах с управляемыми источниками.


ИНУТ
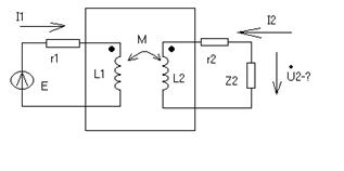
Пример:
Известно: E,w,r1,r2,Z2, L1, L2, M
![]() |
(II-ой закон Кирхгофа для катушек)
, 



Рассмотрим малые сигналы, поэтому можно говорить, что транзистор в минимальном режиме.
Транзистор не взаимный элемент, т.к. он содержит управляемый источник тока, а управляемые источники тока независимы.

Найдём матрицу Z













