Добротность r-l-c контура
(w0*L)/r =
=
=Q-добротность
1/(w0*C*r) =
=
=Q
Q=(w0*L)/r=1/(w0*C*r)
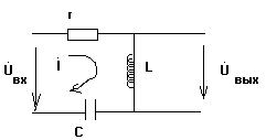
zвх(jw)=r+j(wL-1/(wC))=r+jw0L(w/w0-w0/w)=r*[1+j*(w0*L)*v/r]=r[1+jQv]
а) Каноническая форма записи предаточной ф-ции схемы 2-го порядка
H(p)=(b2*p2+b1*p+b0)/(p2+(w0/Q)*p+w20) p=jw
1) H(jw)=
вых/
вх=(
*r)/(
*zвх(jw))
H(p)=r/zвх(p)=r/(r+pL+1/(p*C))=rpc/(p2*L*C+prc+1)=
=(rp/L)/(p2+(r/L)*p+1/(LC))=(pw0/Q)/(p2+(w0/Q)*p+w20)
zL=jwL=pL
zC=1/(jwC)=1/(pC)
r/l=w0r/(w0L)= w0/q
H(jw)=(jw*(w0/q))/((w20-w2)+jww0/Q)
|H(jw)|=H(w)=(ww0/Q)/
φ(w)=π/2-arctg((w*w0)/(Q*(w20-w2)))

АЧХ
ФЧХ
Это ППФ
dw=w2-w1- полоса пропускания
Q=w0/dw - чем уже dw,тем выше Q
=
= 
![]() |
2) H(p)=
вых/
вх=
*zc/
*zвх=(1/(p*c))/(r2+pL+1/(pc))=1/(p2Lc+pcr+1)=(1/(Lc))/(p2+p*r/L+1/(Lc))= w0/(p2+w0*p/Q+w0)
АЧХ
|H(jw)|= w20/((w20-w2)+(w0/Q)jw)
ФЧХ
φ (w)=0-arctg(ww0/(Q*(w20-w2)))
wmax=w0
1/(2*Q2)<1 --> Q>
3) H(p)=
вых/
вх=(
*zL)/(
*zвх)=(Lp)/(r+pL+1/(pc))= p2*Lc/(p2Lc+prc+1)=p2/(p2+pw0/Q+w20)
|H(jw)|=H(w)=-w2/
H(jw)=-w2/((w20-w2)+(w0/Q)*jw)
φ (w)= π -arctg(ww0/(Q*(w20-w2)))
wmax=w0/


4) Полосно заграждающий фильтр w2-w1 – полоса загрождения
НЧ
H(p)=H0*w20/(p2+w0*p/Q+w20)
ВЧ
H(p)=H0*p2/(p2+w0*p/Q+w20)
ПП
H(p)=Hmax*p/(p2+w0*p/Q+w20)
ПЗ
H(p)=H0*(p2+w21)/ (p2+w0*p/Q+w20)







