![]() |



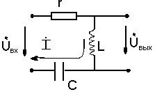
1) Входное сопротивление
Zвх (jw)=r+j*w*L-j/(w*c)
Zвх (jw0)=r+j*w0*L-j/(w0*c)
Послед w0*L= 1/(w0*c)
Ur=I*r Uc=-j*I*1/(w0*c) UL=I*j*w0*L
-Uc= UL
Uвх= Ur
2) Добротность RLC- контура
(w0*L)/r=L/(r*((L*C)1/2))=(1/r)*((L/C)1/2)=Q-добротность
1/(w0*c*r)= ((L*C)1/2)/(r*c)= ((L/C)1/2)/r=Q w0=1/((L*C)1/2)
Q=(w0*L)/r=1/(w0*c*r)
Zвх (jw)=r+j(w*L-1/(w*c))=r+ j*w0*L(w/w0 - w0/w)=r(1+j*u*(w0*L)/r)= =r(1+j*Q*u)
u-расстройка
Передаточная ф-я последовательной RLC –цепи.
а) Каноническая форма записи передаточной ф-ии 2-го порядка.
H(p)=(b2*p2+b1*p+b0)/(p2+(w0/Q)*p+w20) –общий кан. вид перед. ф-ии.
б) Последовательная схема
для этой схемы определим передаточную ф-ю
H(jw)=(Uвых)/(Uвх)=(I*r)/(I*Zвх (jw))
H(p)=r/(Zвх (p))=r/(r+p*L+1/(p*c)) = (r*p*c)/(p2*L*c+p*r*c+1)=(*)
ZL=j*w*L=p*L
Zc=1/(j*w*c)=1/(p*c) R/L=(w0*r)/(w0*L)= w0/Q
(*)=(p*r/L)/(p2+p*r/L+1/(L*C))=(p*w0/Q)/(p2+(w0*p)/Q+w20)
H(jw)=(j*w*(w0/Q))/(w20-w2)+j*w*(w0/Q)) – передаточная функция, записанная через w
АЧХ
| H(jw)|= H(w)=(w*(w0/Q))/ 
ФЧХ
j(w)=p/2-arctg((w*w0)/(Q*(w20-w2))
H(w) Q1 Q2





Hmax Hm/((2)1/2)
![]() |


0 w1 wmax w2 w
Q2>Q1
![]() |
j(w)
p/2
p/4
w1 w2

0 w
-p/4
-p/2
ППФ
Dw=w2-w1 (H(w0))/(H(w1))=(H(w0))/(H(w2))=1/(2)1/2 Q=(w0)/(Dw)
Чем уже полоса пропускания, тем больше добротность поля.
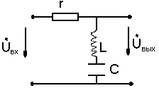
2)
H(p)=(Uвых(p))/(Uвх(p))=(I*Zc)/(I*Zвх)=(1/(p*c))/(r+p*L+1/(p*c))=1/(p2*L*C+p*c*r+1)= =(1/(L*c))/(p2+p*(r/L)+1/(L*c))=(w20)/(p2+(w0/Q)*p+w20)
|
|
|
H(jw)=(w20)/((w20-w2)+(w0/Q)*p)
АЧХ
|H(jw)| = H(w)=(w20)/((w20-w2)2+(w*(w0/Q))2)1/2
ФЧХ
j(w)=0-arctg((w*w0)/(Q*(w20-w2))


H(w) Q>1/(21/2)





Q<1/(21/2) ФНЧ

wmax=w0*(1-1/(2*Q2))1/2

0 w
wmax w0


j(w)
0 w0 w
-p/2
-p
3)
H(p)=(Uвых(p))/(Uвх(p))=(I*ZL)/(I*Zвх)= =(p*L)/(r+p*L+1/(p*c))=(p2*L*C)/(p2*L*C+p*c*r+1)= =p2/p2+(w/Q)*p+w20)
H(jw)=(-w2)/((w20-w2)+ j*(w0/Q)*w)
j(w)=p-arctg((w*w0)/(Q*(w20-w2))
ФВЧ
w0-квазирезонансная частота
wmax=w0/
H(w) Q>1/(21/2)
![]() |




1


Q<1/(21/2)



0 w0 wmax w
j(w)
p
p/2
0 w
w0
4) полосно-заграждающий фильтр

H(w)
H0
![]() |


H0/(21/2)
0 w
Вид фильтра w1 w2
w1 -w2 -полоса заграждения
НЧ H(p)=H0*w20/(p2+(w/Q)*p+w20)
ВЧ H(p)=H0*p2/(p2+(w/Q)*p+w20)
ПП H(p)=Hmax*p/(p2+(w/Q)*p+w20)
ПЗ H(p)=H0*(p2+w21)/(p2+(w0/Q)*p+w20)
w=w0
zвх(jw)=r+jwL-j*1/(wc)
zвх(jw0)=r+jw0L-j*1/(w0*c)=r
послед. w0*L=1/(w0*c)
r=
*r;
c=-j*
*1/(w0*c);
L=I*j*w0*L
-
c=
L;
вх=Ur











