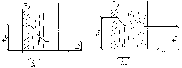
Рассмотрим два случая режима движения среды (жидкости или газа) с температурой tж вдоль стенки с температурой tст:

a – ламинарный режим б – турбулентный режим
Здесь:
δп.с. – пограничный слой в ламинарном режиме движения жидкости; δл.с – ламинарный подслой при турбулентном режиме движения жидкости.
Тепло, передающееся стенке (или наоборот), при установившемся теплообмене и любом режиме движения жидкости может быть выражено законом Фурье
,
откуда плотность теплового потока
, (5.5)
где l – коэффициент теплопроводности жидкости;
– градиент температуры в ламинарном подслое.
Теплоотдачу конвекцией описывают уравнением Ньютона-Рихмана
.
Тогда плотность теплового потока
, (5.6)
где α – коэффициент теплоотдачи, Вт/(м2·oC).
Сравнивая уравнения (5.5) и (5.6), получим выражение для коэффициента теплоотдачи







