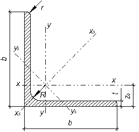
| Номер двутавра | Размеры | Площадь поперечного сечения, S, см2 | Масса 1м, кг | Справочные значения | |||||||||||
| h | b | s | t | R | r | х-х | у-у | ||||||||
| не более | Ix, см4 | Wx, см3 | ix, см | Sx, см4 | Iу, см4 | Wу, см3 | iу, см | ||||||||
| мм | |||||||||||||||
| 4,5 | 7,2 | 2,5 | 9,46 | 39,7 | 4,06 | 17,9 | 6,49 | 1,22 | |||||||
| 4,8 | 7,3 | 7,5 | 14,7 | 11,5 | 58,4 | 4,88 | 33,7 | 27,9 | 8,72 | 1,38 | |||||
| 4,9 | 7,5 | 17,4 | 13,7 | 81,7 | 5,73 | 46,8 | 41,9 | 11,5 | 1,55 | ||||||
| 7,8 | 8,5 | 3,5 | 20,2 | 15,9 | 6,57 | 62,3 | 58,6 | 14,5 | 1,7 | ||||||
| 5,1 | 8,1 | 3,5 | 23,4 | 18,4 | 7,42 | 81,4 | 82,6 | 18,4 | 1,88 | ||||||
| 5,2 | 8,4 | 9,5 | 26,8 | 8,28 | 23,1 | 2,07 | |||||||||
| 5,4 | 8,7 | 30,6 | 9,13 | 28,6 | 2,27 | ||||||||||
| 5,6 | 9,5 | 10,5 | 34,8 | 27,3 | 9,97 | 34,5 | 2,37 | ||||||||
| 9,8 | 4,5 | 40,2 | 31,5 | 11,2 | 41,5 | 2,54 | |||||||||
| 6,5 | 10,2 | 46,5 | 36,5 | 12,3 | 49,9 | 2,69 | |||||||||
| 11,2 | 53,8 | 42,2 | 13,5 | 59,9 | 2,79 | ||||||||||
| 7,5 | 12,3 | 61,9 | 48,6 | 14,7 | 71,1 | 2,89 | |||||||||
| 8,3 | 72,6 | 16,2 | 86,1 | 3,03 | |||||||||||
| 14,2 | 84,7 | 66,5 | 18,1 | 3,09 | |||||||||||
| 15,2 | 78,5 | 19,9 | 3,23 | ||||||||||||
| 16,5 | 92,6 | 21,8 | 3,39 | ||||||||||||
| 17,8 | 23,6 | 3,54 |
Уголки стальные горячекатаные равнополочные.






