Для определения утечки из ТМ, необходимо перекрыть разобщительный кран.
6.1 Давление в ТМ падает, т.е. утечка из ТМ.
Действия машиниста:
Действуем согласно п.2.2 стр.97.
6.2. Давление в ТМ в норме, тогда:
7. Проверяет по манометрувеличину давления в ТЦ.
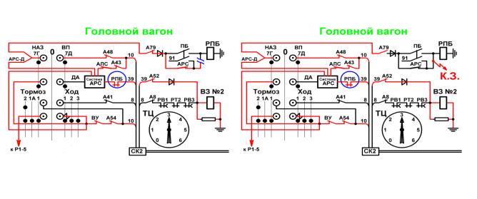
1. В ТЦ давление ВЗ №2
Возможные причины:
а) Обрыв в цепи катушки РПБ (реле педали безопасности),
б) Выбит А79, из-за К.З. в катушке РПБ,

По этим причинам РПБ теряет питание, а её блокировка замыкается в цепи
39 провода, что приводит к включению ВЗ №2 в каждом вагоне.
Действия машиниста:
- затормозить состав первой ступенью торможения (КМ поставить в 3 положение)
- перекрыть ЭПВ,
- отключить тумблер АРС,
- перевести реверсивный вал КВ в,,0’’.
После перевода реверсивного вала в,,0’’ – разомкнулись КЭ проводов:
ДА и 7Г—7Д, что привело к отключению системы АРС-Д, а следовательно
к обесточиванию ВЗ №2 на всех вагонах при замкнутой размыкающейся
блокировки РПБ в 39-м поездном проводе.
а) ВЗ №2 — отпустил.
1. Проверить положение А-79
А-79 выбит – восстановить его,
а) не выбивает -продолжает работу на линии,
б) вновь выбивает или он не выбит
2. Перейти на ДАУ-АРС или АРС-Р, т.е. на резервный комплект АРС хвостовой кабины.
ВЗ №2 не сработал – с пассажирами следует в депо приписки(на линии, где основным средством сигнализации явл. АЛС-АРС)
При работе на линии с АРС-Д в хвостовой кабине должен быть постоянно включён тумблер АЛС.
б) ВЗ №2 – не отпустил.
Причины: 1) остался замкнут КЭ 8-го провода,
2) постороннее питание на 8-м поездном проводе,
3) постороннее питание на 39-м поездном проводе.
Действия машиниста: Восстанавливает систему АРС.
1. Перевести реверсивный вал из положения,,0’’ в положение,,Вперёд’’,
2. Включает тумблер АРС, нажимает КБ или КВТ,
3. Открывает кран ЭПВ и отпускает тормоза
1. Отключает А-41
а) ВЗ №2 — Отпустил.
С пассажирами следует до станции, откуда после высадки пассажиров из поезда, следует в депо.
б) ВЗ №2 — Не отпустил
Включает А-41. Следовательно, КЭ 8-го провода разомкнут.
2. Отключает А8 на головном вагоне
а) ВЗ №2 – Отпустил.
Причина: постороннее питание на 8-м поездном проводе.
Докладывает ДЦХ о характере неисправности и своих дальнейших действиях.
Открывает двери, высаживает пассажиров. Отключает на всех вагонах А8.
После отключения на всех вагонах А8 и прибытия в головную кабину, закрывает двери по сигналу дежурной по станции и следует резервом в депо.
После отключения А8 на головном вагоне,
б) ВЗ №2 – Не отпустил
3. Отключает А52 на головном вагоне.
а) ВЗ №2 – Отпустил.
Причина: Постороннее питание на 39-м поездном проводе
Докладывает ДЦХ о характере неисправности и своих дальнейших действиях.
Открывает двери в поезде, высаживает пассажиров. Отключает на всех вагонах А52
После отключения на всех вагонах А52 и прибытия в головную кабину, закрывает двери по сигналу дежурной по станции и следует резервом в депо.
Если, после отключения на головном вагоне А8 и не отпуске ВЗ №2, отключает А52 при отключённом А8 и ВЗ №2 отпустил, то в следующих вагонах, если после отключения А52 ВЗ №2 не отпустил, то отключает А8 и ВЗ №2 отпустил, тогда в следующих вагонах одновременно отключает А8 и А52.

2. Давление в ТЦ от ВЗ №1,тогда:
Действия в п. 8, 9, 10, производят в первую очередь при выводе поезда из тупиков.






