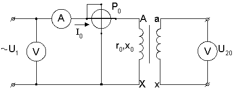
Режимом холостого хода называется режим работы трансформатора при разомкнутой вторичной обмотке, а на первичную обмотку подается номинальное напряжение 
Под воздействием подсоединённого электрического напряжения по первичной обмотке трансформатора начинает течь некоторая сила тока (который равен электрическому току холостого хода). Сила тока холостого хода трансформатора равна около 5—10% номинального его значения, а в электрических трансформаторах с малой мощностью (примерно десятки вольт-ампер) может достигать величины в 30% и даже больше номинального рабочего.
Для непосредственного измерения электрического тока холостого хода, которое возникает при подсоединении к первичной обмотке трансформатора напряжения и потребляемой электрической мощности в имеющейся цепь этой обмотки включены различные измерительные электроприборы (вольтметр V, амперметр А и ваттметр W). Вторичная обмотка проверяемого электрического трансформатора, в свою очередь, замкнута на вольтметр, внутреннее сопротивление которого довольно большое, поэтому сила тока на вторичной обмотки трансформатора почти равна нулю. Сила тока холостого хода трансформатора возбуждает в его магнитопроводе электромагнитный поток, что в свою очередь индуктирует электродвижущую силу (ЭДС) Е1 и Е2, как в первичной, так и во вторичной обмотках нашего трансформатора. Во вторичной обмотке электрического трансформатора тока нет, а следовательно, не будет и падения электрического напряжения в имеющемся сопротивлении данной обмотки, по этой причине электродвижущая сила (ЭДС) приравнивается действительному напряжению, то есть Е2=1/2. Отсюда следует, что электродвижущая сила (ЭДС) вторичной обмотки трансформатора определяется значениями вольтметра, подключенного в эту обмотку. Сила тока холостого хода трансформатора, который протекает в его первичной обмотке, весьма мала, если сравнивать с номинальным его значением, поэтому имеющееся падение электрического напряжения во внутреннее сопротивлении первичной обмотки довольно маленькое по сравнению с подключённым электрическим напряжением. Отсюда следует, что подключённое напряжение почти полностью сбалансируется электродвижущей силой (ЭДС) первичной обмотки трансформатора и реальная величина электрического напряжения и электродвижущая сила (ЭДС) приблизительно равны между собой. Значит, при работе холостого хода трансформатора электродвижущая сила первичной обмотки полностью определится действительным показанием вольтметра, который включен в ее электроцепь.
|
|
|
Для однофазного трансформатора на основе данных опыта холостого хода можно рассчитать:
|
|
|

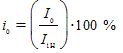
– процентное значение тока холостого хода

– активное сопротивление ветви намагничивания r0, определяемое из условия

– полное сопротивление ветви намагничивания
.
– индуктивное сопротивление ветви намагничивания

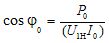
Часто определяют также коэффициент мощности холостого хода:







