Определим динамическую характеристику лампового ГВВ для мгновенных значений анодного тока и напряжения:
при типовом значении угла отсечки
. Согласно (5.9) и (5.10) для анодного тока (см. рис. 5.8) запишем:
при
;
при
, (5.33)
Согласно формулам (5.25) и (5.24) для анодного напряжения имеем
. (5.34)
Решая уравнения (5.33) и (5.34), исключив из них время t, получим:
при
,
при
. (5.35)
Согласно (5.35) динамическая характеристика генератора состоит из двух отрезков прямых линий. Каждый период колебаний рабочая точка, характеризуемая координатами
, «пробегает» по ней: полпериода по одной ветви, полпериода - по другой. Построим динамическую характеристику (5.35) на плоскости статических ВАХ (рис. 5.9). Одна ветвь этой характеристики (
) проходит по оси абсцисс правее координаты
, и неизменна, а вторая располагается на плоскости под углом:
, (5.36)
где при
коэффициент
. Согласно (5.36) при изменении сопротивления анодной нагрузки по 1-й гармонике сигнала
, меняется угол наклона у динамической характеристики: от
при
(режим КЗ) до
при
(режим ХХ). До тех пор пока динамическая характеристика не пересекает линию граничного режима (рис. 5.8, случаи 1 и 2), форма импульса анодного тока остается косинусоидальной.

Рис. 5.8. Динамическая характеристика ГВВ
При возрастании значения
и соответственно
, в динамической характеристике происходит второй излом и появляется третий участок, проходящий по линии граничного режима, а в импульсе анодного тока появляется провал (рис. 5.8, случай 3).
В результате в ламповом ГВВ возможны три режима работы:
- граничный, при котором динамическая характеристика касается линии граничного режима, ему соответствует значение сопротивления анодной нагрузки на частоте сигнала
и амплитуда ВЧ напряжения
импульс тока имеет косинусоидальную форму (рис. 5.8, случай 2);
- недонапряженный, при котором динамическая характеристика не доходит до линии граничного режима, ему соответствует значение сопротивления анодной нагрузки на частоте сигнала
и амплитуда ВЧ напряжения
, импульс тока имеет косинусоидальную форму (рис. 5.8, случай 1);
- перенаиряженный, при котором динамическая характеристика пересекает линию граничного режима и далее с ней совпадает, этому режиму соответствует значение сопротивления анодной нагрузки на частоте сигнала
и амплитуда ВЧ напряжения
импульс тока имеет косинусоидальную форму с провалом посередине (см. рис. 5.8, случай 3).
Возникновение провала в импульсе анодного тока связано с тем, что при возрастании амплитуды
уменьшается остаточное напряжение на аноде лампы
(см. рис. 5.9), которое становится соизмеримым с максимальным значением напряжения на управляющей сетке
. Вследствие этого поток электронов, идущий от катода к аноду «перехватывается» управляющей сеткой, ток которой резко возрастает, а в анодном токе при этом происходит провал. В перенапряженном режиме с увеличением сопротивления
провал в импульсе тока возрастает, что может привести к «расщеплению» импульса (рис. 5.9). Определим параметры ВЧ генератора в граничном режиме (рис. 5.10).

Рис. 5.9. Эффект расщепления импульса анодного тока

Рис. 5.10. К определению параметров генератора в граничном режиме
Из рис. 5.10, следует
, (5.37)
где
- крутизна линии граничного режима;
- коэффициент использования анодного напряжения в граничном режиме работы.
Мощность 1-й гармоники сигнала в граничном режиме
(5.38)
Или
, где
.
Решив квадратное уравнение (5.38), для коэффициента использования анодного напряжения в граничном режиме работы получим
. (5.39)
При
режим работы ГВВ недонапряженный, при
- перенапряженный. Наиболее часто генератор работает в граничном режиме с максимальным КПД. В особых случаях, например при амплитудной модуляции, выбираются другие режимы работы.
По видам цепей питания анода и управляющей сетки лампы различают: схемы с последовательным питанием (рис. 6.8, а); схемы с параллельным питанием (рис. 6.8, б). Преимущество схемы последовательного типа состоит в том, что в ней дроссель
не шунтирует анодный контур, параллельного типа и элементы этого контура не находятся под высоким анодным напряжением, что особенно важно при перестройке контура.
![]() |
Рис. 6.7. Виды связи контура ГВВ с нагрузкой
При изменении частоты излучаемого сигнала в диапазонных радиопередатчиках необходимо перестраивать все контуры в генераторных каскадах, резонансные частоты которых (6.2) должны быть равны частоте возбудителя.
Такая перестройка электрических цепей осуществляется или с помощью конденсаторов переменной емкости, или путем изменения индуктивности контура, или за счет изменения обоих элементов. При работе радиопередатчика в большой полосе частот весь диапазон обычно разбивается на поддиапазоны. При этом, например, возможен такой вариант: переход с одного поддиапазона на другой осуществляется переключением катушек индуктивности, а перестройка внутри поддиапазона - с помощью конденсатора переменной емкости
![]() |
Рис. 6.8. Виды питания анода и сетки лампы ГВВ.
В современных радиопередатчиках настройка контуров в резонанс с частотой усиливаемого сигнала осуществляется с помощью устройств автоматического регулирования. В отличие от названных механических способов перестройки контуров особое место занимают электрические методы, осуществляемые с помощью ферритов и полупроводниковых приборов-варикапов.

Рис. 6.9. Перестройка электрических цепей ГВВ изменением
элементов резонансного контура.
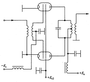
Комбинируя типы согласующих электрических цепей, их связи с нагрузкой, источником возбуждения и лампой, способы соединения лампы с источниками питания и методы перестройки контуров, создают разнообразные схемы ВЧ генераторов с внешним возбуждением. Одна из них представлена на рис. 6.9. Рассмотрим еще одну схему, позволяющую складывать мощности двух генераторных ламп (рис. 6.10). Такая схема называется двухтактной. Сигналы на управляющие сетки ламп подаются в схеме в противофазе, т.е. повернутыми на 180', в результате чего лампы работают попеременно, возбуждая общий анодный контур, сопротивление которого на частоте 1-й гармоники сигнала определяется выражением
,
где
,
- параметры, относящиеся к одной лампе.

Рис. 6.10. Двухтактная схема сложения мощностей ГВВ
Преимуществами двухтактной схемы помимо возможности двукратного увеличения выходной мощности ВЧ сигнала являются: повышение устойчивости работы, фильтрация четных гармоник и лучшее блокирование цепей питания от проникновения в них токов высокой частоты ввиду симметрии схемы. Для двухтактных схем разработаны специальные двойные генераторные тетроды, размещаемые в одном баллоне.

