Принцип действия. Биполярные транзисторы делятся на две большие группы: типа n-р-n и р-п-р. Под n понимается электронная проводимость материала, под р - дырочная. Мощные биполярные транзисторы являются, как правило, типа п-р-п.
В основе работы биполярного транзистора типа n-р-n лежат три явления: инжекция электронов из эмиттера в область базы, их накопление в базовой области (по отношению к проводимости типа р электроны становятся неосновными носителями заряда) и перенос электронов под действием внешнего электрического поля из базы к коллектору (рис. 7.1,а). Здесь имеют место два ограничения, не позволяющие увеличивать мощность прибора при одновременном повышении частоты сигнала. Первое ограничение связано с предельной скоростью движения электронов в полупроводнике. Так, для кремния эта скорость, зависящая от напряженности электрического поля, не превышает
см/с (рис. 7.1,б). Второе ограничение связано с предельным значением напряженности электрического поля
, при превышении которого наступает электрический пробой. У кремния
В/с.

Рис. 7.1. Зависимость скорости движения электронов в полупроводнике от напряженности электрического поля.
Предельная или граничная частота усиления транзистора
непосредственно связана со временем переноса носителей заряда
через базовую область толщиной W (рис. 7.1,а):
, (7.1)
где
- время переноса носителей через базу.
Для напряженности электрического поля запишем (7.1)
, (7.2)
где
- напряжение коллектор-база.
Совместно решив уравнения (7.1), (7.2) с учетом указанных значений
и
и приняв Е=0,6
, получим
, (7.3)
которое определяет предельные возможности биполярного транзистора. Согласно (7.3) чем выше частота, тем меньше должно быть напряжение питания, а следовательно, и мощность биполярного транзистора. Так, при напряжении питания коллектора транзистора
=20 В его граничная частота усиления составит
=5 ГГц.
С помощью специальной, очень сложной технологии при создании СВЧ транзисторов удалось приблизиться к теоретическому пределу, определяемому соотношением (7.3). В качестве примера укажем, что в транзисторе
=400 МГц толщина базовой области W=0,7 мкм; при
=1...2 ГГц W= 0,2...0,3 мкм. Помимо двух названных (предельная скорость переноса носителей заряда и допустимая напряженность электрического поля), есть еще два ограничительных фактора, не позволяющих увеличить мощность транзистора: допустимая температура р-n-перехода (у кремния не выше
) и эффект оттеснения. Сущность последнего сводится к тому, что с возрастанием плотности тока перенос носителей заряда оттесняется ко внешнему краю эмиттера. В результате значение тока определяется периметром, а не площадью эмиттера, что не позволяет увеличивать мощность с повышением частоты. Последнее ограничение удалось преодолеть путем создания так называемых многоэмиттерных структур, в которых существенно увеличен периметр эмиттера без увеличения его площади. Одна из таких структур, называемая полосковой, показана на рис. 7.2.

Рис. 7.2. Полосковая многоэмиттерная структура р-n-перехода
В этой структуре эмиттер 1 имеет гребенчатую структуру. Такую же форму имеют контактные площадки выводов базы 2. Коллектор в приборе общий. Общее число полосков-эмиттеров в приборе может достигать нескольких десятков. В качестве примера приведем параметры типичного СВЧ транзистора полоскового типа: размеры одного эмиттерного полоска 16х240 мкм; число полосков-эмиттеров 18; площадь коллектора 0,22
; общий периметр всех эмиттеров 8 мм, площадь 0,065
. Для повышения выходной мощности СВЧ транзистора на одном кристалле располагают несколько структур, а в одном корпусе размещают несколько кристаллов. Тепло, рассеиваемое в кристалле транзистора, необходимо отвести на его корпус. При этом обеспечивается электрическая изоляция электродов относительно корпуса прибора, для чего используется бериллиевая керамика - диэлектрик с высокой теплопроводностью (такой же, как у латуни). В зависимости от схемы применения в мощных транзисторах с корпусом соединяется эмиттер или база. Внешний вид двух типов транзисторов показан на рис. 7.3. Работа транзистора описывается большим числом характеристик и параметров, которые позволяют произвести расчет режима работы прибора в каскадах различного назначения и установить правильные условия его эксплуатации. Рассмотрим наиболее важные характеристики и параметры мощных транзисторов с рассеиваемой мощностью более 3...5 Вт.

Рис. 7.3. Внешний вид двух типов транзисторов.
Cтатические характеристики биполярного транзистора. При схеме транзистора с общим эмиттером различают два вида семейств характеристик: выходные - зависимости тока коллектора от напряжения коллектор-эмиттер и тока базы
(рис. 7.4,а) и входные - зависимости тока базы от напряжения эмиттер-база и коллектор-эмиттер
(рис. 7.4,б). У кремниевых транзисторов напряжение отсечки
=0,5...0,7 В.

Рис. 7.4. Статические характеристики биполярного транзистора
При изменении температуры происходит смещение характеристик. Так, входная характеристика смещается влево при повышении температуры и вправо с ее понижением. Биполярный транзистор представляет собой структуру из двух р-n-переходов (см. рис. 7.1). Сначала рассмотрим отдельно взятый р-п-переход, статическая характеристика которого описывается функцией
, (7.4)
где
- обратный ток, или ток насыщения;
- напряжение, приложенное к р-n-переходу;
=25,6 мВ - температурный потенциал. Статическая характеристика р-n-перехода (7.4), приведенная на рис. 7.5, имеет два участка: один соответствует открытому р-n-переходу при приложении к нему прямого напряжения, другой - закрытому р-n-переходу при обратном напряжении. Обратное напряжение, превышающее по абсолютной величине напряжение
, приводит к электрическому пробою р-n-перехода. В реальной модели значение тока
ограничено сопротивлением активных потерь
р-n-перехода. Закрытый р-n-переход характеризуется барьерной, или зарядовой, емкостью
, (7.5)
где
- начальная емкость р-n-перехода; и - обратное напряжение, приложенное к р-n-переходу;
- контактная разность потенциалов (
- 0,5...0,8 В - для кремния);
- коэффициент перехода, зависящий от состава примесей в переходе (обычно
=0,5).

Рис. 7.5. Статическая характеристика р-n-перехода
Таблица 7.2
| Коллекторный переход - вид включения | Эмиттерный переход - вид включения | Область на характеристиках |
| Обратное Обратное Прямое Прямое | Обратное Прямое Прямое Обратное | Отсечки (1) Активная (2) Насыщения (3) Инверсная (4) |
График функции (7.5) приведен на рис. 7.6.

Рис. 7.6. Зависимость зарядовой емкости от обратного напряжения.
Модель транзистора, как структура из двух р-n-переходов, может быть представлена в виде, показанном на рис. 7.7.

Рис. 7.7. Модель транзистора из двух р-п-переходов.
Каждый из р-n-переходов может находиться в открытом или закрытом состоянии в зависимости от приложенного к нему напряжения - прямого или обратного. Таким образом, в зависимости от того, какое напряжение приложено к эмиттерному и коллекторному переходу - прямое или обратное, могут быть четыре состояния биполярного транзистора, показанные в табл. 7.2, и соответственно четыре области на плоскости его статических характеристик: отсечки (1), активная (2), насыщения (3), инверсная (4) (рис. 7.8).

Рис. 7.8. Четыре состояния биполярного транзистора
Область насыщения (3) характеризуется сопротивлением насыщения:
. При обратном напряжении, приложенном к р-n-переходу, превышающем обратное напряжение
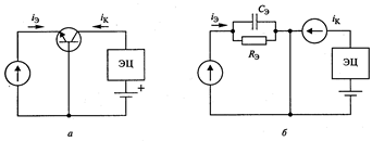
, происходит электрический пробой, сопровождаемый резким увеличением носителей заряда - их лавинному умножению. Эта область обозначена на рис. 7.8 цифрой 5. Заход в нее недопустим, поскольку пробой р-n-перехода является необратимым явлением, приводящим к выходу прибора из строя. Зарядовая модель транзистора в схеме с общей базой. Процессы, протекающие в теоретической модели транзистора при работе в активной области в схеме с общей базой (рис. 7.9,а; ЭЦ - электрическая цепь), могут быть описаны двумя уравнениями:
; (7.6)
; (7.7)
где
- заряд базы;
- среднее время жизни неосновных носителей заряда в области базы (в транзисторе типа n-р-n ими являются электроны);
- ток эквивалентного генератора в коллекторной цепи;
- время пролета носителями заряда базовой области, определяемое согласно (7.1).

Рис. 7.9. Зарядовая модель транзистора в схеме с общей базой.
Уравнение (7.6) определяет накопление заряда в базовой области, (7.7) - их дальнейший перенос к коллектору под действием внешнего электрического поля. Для составления эквивалентной схемы транзистора рассмотрим цепь из параллельно соединенных сопротивления R и емкости С (рис. 7.10), для которой согласно правилам электротехники запишем:
;
;
;
.
Из последнего выражения получим
, (7.8)
где Q - заряд, накапливаемый емкостью;
=CR - постоянная времени цепи.
Сравнивая уравнения (7.6) и (7.8), устанавливаем их полное совпадение, что позволяет сделать следующий вывод: эквивалентная схема открытого р-n-перехода есть параллельная цепь из сопротивления
и емкости
, произведение которых и есть постоянная времени
, где
,
называются диффузионной емкостью или сопротивлением открытого эмиттерного перехода. Сказанное позволяет от схемы рис. 7.9,а перейти к эквивалентной схеме рис. 7.9,б.
![]() |
Рис. 7.10. Рис. 7.11.
Совместно решая уравнения (7.6), (7.7), получим дифференциальное уравнение, связывающее ток на выходе транзистора (ток коллектора
) с входным током (ток эмиттера
):
, (7.9)
где
- коэффициент передачи тока на низкой частоте в схеме с общей базой (
);
- граничная частота, определяемая согласно (7.1);
- граничная частота в схеме с общей базой.
В операционной форме уравнение (7.9) примет вид
. (7.10)
Формальной заменой р на
из формулы (7.10) получим зависимость коэффициента передачи тока в схеме с общей базой от частоты:
. (7.11)
Для модуля той же величины из (7.11) получим
. (7.12)
График функции (7.12) построен на рис. 7.11. Из него следует, что при частоте
коэффициент передачи тока
уменьшается в 1,41 раза по сравнению с его низкочастотным значением
. Коэффициент усиления по мощности в схеме с общей базой есть произведение из коэффициентов усиления по току
, и по напряжению
:
. (7.13)
где 
Из (7.13) следует, что в схеме с общей базой коэффициент усиления сигнала по мощности
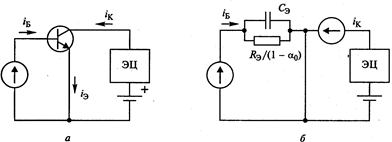
. Зарядовая модель транзистора в схеме с общим эмиттером. Процессы, протекающие в теоретической модели транзистора при работе в активной области в схеме с общим эмиттером (рис. 7.12,а), могут быть описаны тремя уравнениями: (7.6), (7.7) и дополнительным - для тока базы
, который является входным в данной схеме:
. (7.14)
Совместное решение уравнений (7.6), (7.7) и (7.14), проведенное по той же методике, что и в предыдущем случае, приводит к эквивалентной схеме, приведенной на рис. 7.12,б. По аналогии с предыдущим случаем для коэффициента усиления по току в схеме с общим эмиттером и для модуля данной величины получим:
; (7.15)
, (7.16)
где
- коэффициент усиления по току на низкой частоте в схеме с общим эмиттером;
- граничная частота в схеме с общим эмиттером.
График функции (7.16) построен на рис. 7.11. Из него следует, что при частоте
коэффициент передачи тока
уменьшается в 1,41 раза по сравнению с его низкочастотным значением
. При частоте
из (7.16) получим
. (7.17)
Коэффициент усиления по мощности в схеме с общим эмиттером по аналогии с (7.13):
. (7.18)
Из сравнения (7.13) с (7.18) следует, что коэффициент усиления по мощности в схеме с общим эмиттером больше, чем в схеме с общей базой. Однако в области высоких частот, близких к граничной частоте
как это следует из приведенных формул и графиков на рис. 7.11, они различаются мало. Граничная частота
, является самым важным параметром, характеризующим частотные свойства транзистора. Значение
, можно определить экспериментальным путем согласно (7.17). Для этого следует измерить модуль коэффициента усиления по току в схеме с общим эмиттером (см. рис. 7.12,а) и умножить полученное значение на частоту, при которой проводились измерения. Максимальная частота усиления генератора, как правило, не превосходит значения
,. При
, коэффициент усиления мощных ВЧ и СВЧ биполярных транзисторов обычно находится в пределах 3...6 дБ, т.е. в 2 — 4 раза по мощности.

Рис. 7.12. Схема с общим эммитером.
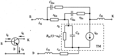
Теоретическая, идеализированная модель транзистора (ТМ), показанная на рис. 7.9 и 7.12, отражает наиболее важные процессы, протекающие в его структуре. В реальной эквивалентной схеме биполярного транзистора помимо этой модели следует также учесть: индуктивности выводов электродов (
,
,
); сопротивления потерь в базе (
) и коллектора (
,
); стабилизирующие сопротивления, включаемые последовательно с эмиттерами и отображаемые в виде общего сопротивления (
); зарядную или барьерную емкость закрытого коллекторного перехода (
,
). Такая модель транзистора при работе в активной области и схеме с общим эмиттером приведена на рис. 7.13.

Рис. 7.13. Модель транзистора для схемы с общим эмиттером
Предельно допустимые параметры транзистора. У мощного биполярного транзистора ограничены токи, напряжения на р-n-переходах и мощность рассеяния. К их числу относятся:
- импульсное (пиковое) значение коллекторного тока;
- постоянная составляющая коллекторного тока в непрерывном режиме;
- пиковые значения напряжения коллектор-эмиттер и коллектор-база (не более 45..65 В), не превышающие напряжение пробоя
(см. рис. 7.8);
- пиковое значение обратного напряжения база-эмиттер (обычно не более 4...6 В), не превышающее напряжение пробоя этого p-n-перехода;
- мощность
, рассеиваемая коллектором.
Остановимся подробнее на последнем параметре. Часть подводимой к транзистору мощности от источников питания и возбуждения рассеивается в нем в виде тепла. В результате температура переходов и корпуса транзистора превышает температуру окружающей среды. Мощность
, рассеиваемая коллектором, и температура р-n-перехода
связаны в транзисторе соотношением
, (7.19)
где
-температура корпуса транзистора;
- тепловое сопротивление участка р-n-переход-корпус, град/Вт. При температуре корпуса
(обычно
-50...70
) максимально допустимая мощность, рассеиваемая коллектором, снижается по закону:
. (7.20)
График функции (7.20) построен на рис. 7.14.

Рис. 7.14.
При работе транзистора в составе генератора недопустимо превышение ни одного из перечисленных предельно допустимых параметров. Нарушение этого правила приводит или к резкому сокращению долговечности полупроводникового прибора, или к его внезапному отказу и выходу из строя аппаратуры в целом.
