Одновибраторами называются регенеративные переключающие устройства, имеющие одно устойчивое и одно временно устойчивое состояния равновесия. Одновибраторы, в основном, используются для формирования прямоугольных импульсов определенной амплитуды и заданной длительности под действием внешних (входных) запускающих импульсов. Этот импульс вызывает скачкообразный переход одновибратора во временно устойчивое (квазиравновесное) состояние. В этом состоянии в одновибраторе протекают переходные процессы, которые завершаются обратным переходом схемы в устойчивое состояние. В итоге под действием запускающего импульса генерируется только один импульс определенной длительности.
До поступления внешнего запускающего импульса (см. рис.3.1) на входах DD2 будет низкий уровень, а на входах DD1 – высокий. При этом на выходе DD1 (выходе одновибратора) будет низкий уровень, что сохраняет устойчивое состояние равновесия одновибратора. Из этого состояния одновибратор может быть выведен запускающим импульсом (формы импульсов на входе и выходе устройства показаны на рис. 3.1).
|
|
|

Рисунок 3.1. – Схема одновибратора на логических элементах “2И-НЕ”
Для одновибратора величина и длительность выходного импульса tим определяются следующими выражениями:
,
где
,
;
,
.
После окончания формирования выходного импульса одновибратор будет сохранять устойчивое состояние равновесия.
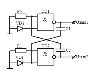
Автоколебательные генераторы (мультивибраторы) используют положительную обратную связь для создания незатухающих колебаний. Мультивибратор на ЛЭ содержит две RC цепочки, определяющие длительность импульса tим и паузы tп. Простейший мультивибратор на ЛЭ “2И-НЕ” с двумя RC цепочками (классическая схема) для надежной работы требует дополнительной цепи возбуждения колебаний.
Схема мультивибратора изображена на рис. 3.2 и не содержит данной цепи, поэтому при включении питания иногда возможен срыв колебаний. Для мультивибратора при С1=С2=С, R1=R2=R величины tим и паузы tп равны:
![]() |
, где
– логический перепад.
Рисунок 3.2. – Схема мультивибратора
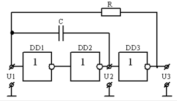
Генераторы, предназначенные для формирования колебаний резко несинусоидальной формы, называются релаксационными. Особенность их состоит в существовании 2-х взаимно чередующихся процессов: регенерации (процесс переключения энергии от источника к цепи заряда и наоборот) и релаксации (самопроизвольный выход генератора из устойчивого состояния). Схема генератора на 3-х инверторах приведена на рис. 3.3.
Величины tим и tп исходя из некоторых допущений, для генератора определяются по формулам:
,
.

Рисунок 3.3. – Генератор импульсов на 3х элементах “НЕ”
|
|
|







