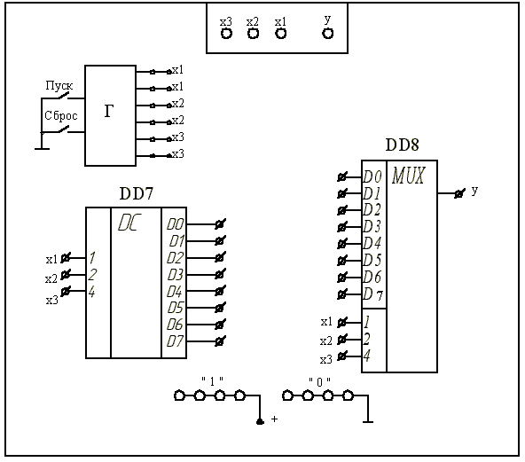
1. Макет лабораторной работы №2

Рисунок 2.4. – Макет лабораторной работы №2
2. Исследовать работу дешифратора DD7 в соответствии с таблицей истинности, необходимо составить эту таблицу и проверить её экспериментально.
Для этого необходимо установить дешифратор в исходное положение, нажав на кнопку “Сброс”. С помощью соединительных проводников подключать индикатор “У” к выходам дешифратора и, нажимая кнопку “Пуск”, фиксировать по индикаторам x1, x2, x3 состояния каждого кода, а по индикатору “У” –состояния выходов дешифратора, данные занести в табл. 2.1. Привести временную диаграмму работы дешифратора по тактам.
Примечание: исследуется полный дешифратор DD7 с инверсными выходами, т.е. на выходе, соответствующему входному коду числа будет сигнал “0”, а на всех остальных выходах – “1”.
Таблица 2.1 –
Таблица истинности дешифратора
| №п.п. | x1 | x2 | x3 | D0 | D1 | D2 | D3 | D4 | D5 | D6 | D7 |
3. Исследовать функционирование мультиплексора DD8. Т.к. для серии ТТЛ свободный вход соответствует уровню логической “1”, то следует поочередно подключать низкий уровень (“0”) на соответствующий информационный вход. С помощью соединительных проводов подключить индикатор “У” к выходу мультиплексора и, нажимая кнопку “Пуск”, фиксировать по индикаторам x1, x2, x3 состояния адресных входов, а по индикатору “У” – выхода мультиплексора. Данные занести в табл. 2.2.
|
|
|
Таблица 2.2 –
Таблица истинности мультиплексора
| № п.п. | x1 | x2 | x3 | Y |
4. Исследовать работу мультиплексора в качестве преобразователя параллельного кода в последовательный. По указанию преподавателя установить восьмиразрядный двоичный код на входах D0…D7 мультиплексора используя соединительные проводники и гнезда “0”. Нажать кнопку “Сброс” и, нажимая кнопку “Пуск”, фиксировать прохождение последовательного восьмиразрядного кода по выходу при смене состояний на адресных входах от “000” до “111”. Привести временную диаграмму работы мультиплексора в режиме преобразователя параллельного кода в последовательный по тактам. Данные занести в табл. 2.3.
Таблица 2.3 –
Таблица истинности мультиплексора в режиме преобразователя параллельного кода D0…D7 в последовательный
| № п.п. | x1 | x2 | x3 | Y |






