Проверку можно выполнить с помощью уравнения суммы моментов относительно любой другой точки, например, C. Если подставив полученные значения в уравнение, сумма моментов будет равна нулю, то значит, опорные реакции были найдены верно.

Здесь, значение 0,1 в сумме моментов получилось за счет округления значений найденных реакций до одного знака после запятой, и показывает правильность вычислений. Положительный знак величины опорных реакций говорит о том, что их направление изначально было выбрано правильно. Если найденное значение реакции окажется отрицательным, ее надо направить в противоположную сторону изменив знак на "+".
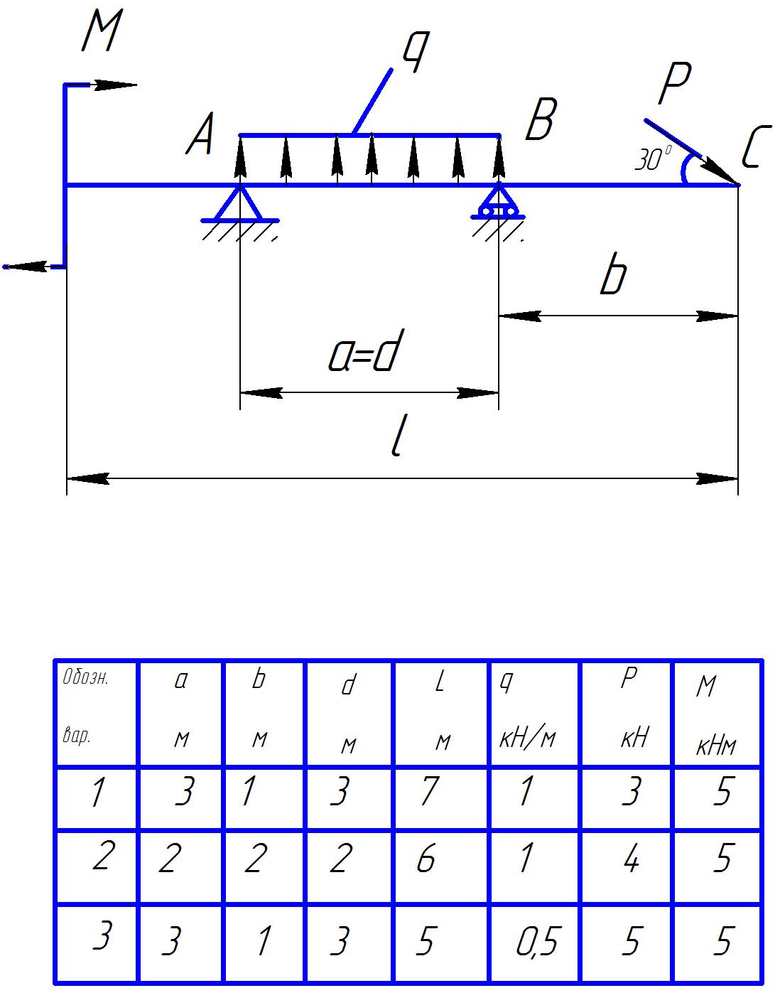
Варианты заданий
Рис.С1.1
Рис. С1.2.
Рис. С1.3
Рис. С1.4
Рис. С1.5
Рис. С1.6
Рис. С1.7
Рис. С1.8
Рис. С1.9
Рис. С1.10
Рис. С1.11
Рис. С1.12
Рис. С1.13
Рис. С1.14
Рис. С1.15
Рис. С1.16
Рис. С1.17
Рис. С1.18
Рис. С1.19
Рис. С1.20
Рис. С1.21
Рис. С1.22
Рис. С1.23
Рис. С1.24






