Категории поездов для организации вагонопотоков на и со станций участка определяются объемом выполняемой на них погрузки и выгрузки.
Если объем погрузки на каких-либо станциях участка достаточен для организации отправительских маршрутов, то в соответствии с Инструктивными указаниями доказывается целесообразность их формирования.
Немаршрутизируемый вагонопоток доставляется и убирается со станций участка сборными, вывозными поездами и диспетчерскими локомотивами. Для подачи на промежуточные станции или вывоза с них значительного числа местных вагонов используются вывозные поезда. Сборные поезда могут назначаться с работой по всему участку либо зонные – с работой на какой-то части его станций с работой на всех или только на опорных станциях.
Для увеличения участковой скорости, сокращения простоя местных вагонов, а также для выполнения установленных норм непрерывной работы локомотивных и поездных бригад целесообразна работа сборных поездов по опорным станциям с использованием маневровых локомотивов для развоза местных вагонов с опорной станции на промежуточные.
|
|
|
В качестве опорных выбираются станции, имеющие достаточное путевое развитие и маневровые средства. При этой системе группы вагонов для сборных поездов прицепляют и отцепляют только на опорных станциях. Маневровая работа по подаче вагонов к грузовым фронтам, их уборке, а также формированию групп вагонов для прицепки к сборному поезду и подаче вагонов с опорных на другие промежуточные станции осуществляется маневровыми локомотивами опорных станций.
Зонные сборные поезда назначают на участках с большими размерами грузовой работы (превышающими потребности в одной паре сборных поездов) при рассредоточении ее на многих промежуточных станциях. Разделение участка на зоны обеспечивает повышение участковой скорости сборных поездов за счет сокращения стоянок на промежуточных станциях. Однако, это вызывает увеличение простоя местных вагонов на промежуточных станциях и увеличение вагоно-часов накопления составов сборных поездов на станциях их формирования.
Количество местных поездов обслуживающих участок определяется по формуле:
(3.1)
где
– груженые и порожние вагонопотоки перегона в данном направлении, на котором в сумме они являются наибольшими, ваг;
Ni – количество сборных поездов для данного направления;
– количество вагонов в сборном поезде, ваг:
, (3.2)
где
– масса брутто сборного или вывозного поезда, т;
– масса брутто одного вагона, т.
Далее студентом самостоятельно разрабатываются и описываются в пояснительной записке два варианта технологии развоза местных вагонов на участке. Для этого необходимо определить:
|
|
|
1) какими поездами будут доставлены вагоны на промежуточные станции (сборными, вывозными, диспетчерскими локомотивами, прицепки к транзитным поездам);
2) станции приписки маневровых локомотивов. В проекте условно принимается, что маневровый локомотив имеется на станциях, где сумма грузовых операций (U погр + U выгр) составляет более 30 вагонов в сутки, количество маневровых локомотивов задается преподавателем.
3) на каких промежуточных станциях будут работать сборные поезда;
4) каким локомотивом (поездным или маневровым) будут выполняться маневры по отцепке (прицепке) и подаче (уборке) вагонов на промежуточных станциях;
В проекте распределение вагонопотока между поездами одного направления производится самостоятельно. При распределении работы следует учитывать, что число вагонов в составе поезда не может превышать нормативное число вагонов, установленное для данного участка, диспетчерскими локомотивами перевозится до 10 вагонов одновременно.
После распределения вагонов производится разложение составов поездов (см. таблицу 3.2).
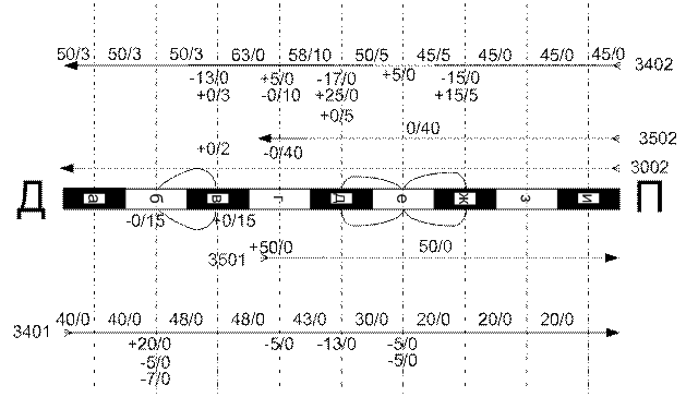
Таблица 3.2 – Разложение составов местных поездов на участке Д-П
| Станция | Четное направление | Нечетное направление | ||||||||||
| Сборный поезд № 3402 | Вывозной поезд 3502 | Сборный поезд 3401 | Вывозной поезд 3501 | |||||||||
| Отцеплено | Прицеплено | Всего вагонов в поезде | Отцеплено | Прицеплено | Всего вагонов в поезде | Отцеплено | Прицеплено | Всего вагонов в поезде | Отцеплено | Прицеплено | Всего вагонов в поезде | |
| Д | 50/3* | 40/0 | ||||||||||
| а | 50/3 | 40/0 | ||||||||||
| б | 50/3 | 12/0 | 20/0 | 48/0 | ||||||||
| в | 13/0 | 0/3 | 50/3 | 48/0 | ||||||||
| г | 0/10 | 5/0 | 63/0 | 0/40 | 5/0 | 43/0 | 50/0 | 50/0 | ||||
| д | 17/0 | 25/5 | 58/10 | 0/40 | 13/0 | 30/0 | 50/0 | |||||
| е | 5/0 | 50/5 | 0/40 | 10/0 | 20/0 | 50/0 | ||||||
| ж | 15/0 | 15/5 | 45/5 | 0/40 | 20/0 | 50/0 | ||||||
| з | 45/0 | 0/40 | 20/0 | 50/0 | ||||||||
| и | 45/0 | 0/40 | 20/0 | 50/0 | ||||||||
| П | 45/0 | 0/40 | 20/0 | 50/0 |
Примечание: *Общее число вагонов в поезде, в том числе в числителе – груженые вагоны, знаменателе – порожние вагоны.
Схема обслуживания участка Д-П местными поездами по первому варианту приведена на рисунке 3.2.

На схеме дугами показаны районы работы маневровых локомотивов на станциях участка б – в и д-е-ж