Акустический неразрушающий контроль основан на анализе изменения в результате появления дефектов возбужденных или возникающих в объекте упругих колебаний в диапазоне частот: низкочастотные от 50 Гц до 100 кГц, ультразвуковые 100кГц до 50 МГц. Акустические методы контроля широко применяют для контроля толщины и сплошности детали.
Акустические методы подразделяют на активные, основанные на излучении и приеме волн, и пассивные, основанные только на приеме.
Активные, использующие бегущие волны, делятся на 2 группы: прохождения и отражения.
Волны прохождения относится к теневому методу (рисунок 1). Основан на уменьшении амплитуды прошедшей волны под влиянием дефекта.
Временной теневой метод основан на запаздывании импульса, вызванного запаздыванием дефекта.

Рисунок 1 – Теневой метод акустического НКТ
В методах отражения применяют импульсное излучение – эхометод, дельтаметод.
Рассеянные на дефекте волны (образованные от преобразования А), принимаются преобразователем Б непосредственно над дефектом. Метод позволяет получить визуальное изображение дефектов сварных швов.

Рисунок 2 – Дельта неразрушающего контроля
Реверберационный метод НК предназначен для контроля слоистых конструкций типа металлопластинок. Основан на анализе длительности ревербации (затухания колебаний) ультразвуковых колебаний в одном из слоев. Например, преобразователь расположен на слое металла, ультразвук частично отражается от границ с пластмассой, частично переходит в пластмассу, что вызывает гашение реверберации. При некачественных соединениях материала отражение от границ раздела будет больше и, соответственно, длительность ревербации будет увеличиваться.

Рисунок 3 – Реверберационный метод НК
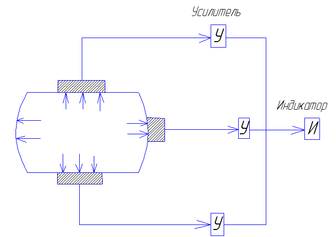
Импедансный метод НК (рисунок 4) основан на анализе изменений импедансна участка поверхности объекта. Об изменении импеданса судят по характерам показаний преобразователя (частота, амплитуда, фаза).

Г – генератор; П – преобразователь.
Рисунок 4 – Импедансный метод НК
Зеркальный эхометод (рисунок 5) основан на зеркальном отражении импульсов от дефектов, ориентированных вертикально к поверхности. Наклонный преобразователи С и А располагают по разные стороны изделия, либо по 1 сторону А и В, используя отражения от нижней поверхности. В процессе контроля выполняется условие:
la+lb=const

Рисунок 5 – Зеркальный метод НК
Метод акустической эмиссии (рисунок 6).
При акустической эмиссии упругие волны излучаются самим материалом в результате внутренней динамической перестройки его структуры. Такие явления, как возникновение и развитие трещин, движение, скопления дислокаций - наиболее характерные источники акустической эмиссии. Контактирующие преобразователи принимают упругие волны и позволяют установить место их источника (дефекта). Метод акустической эмиссии относится к пассивным методам. Также к пассивным относятся вибродиагностические и шумодиагностические методы. При первом анализируют параметры вибрации отдельного узла, при втором – спектр узлов рабочего механизма.
Г – генератор; П – преобразователь.

Рисунок 6 – Метод акустической эмиссии
Эхометод (рисунок 7).
Здесь используется раздельно-совмещенный преобразователь, который регистрирует эхосигналы от дефектов.

Рисунок 7 – Эхометод НК
Локальный метод свободных колебаний (рисунок 8).

Рисунок 8
В детали возбуждают механические колебания с помощь ударов молоточка и анализируют спектр возбуждаемых частот. В дефектах изделия спектр как правило смещается в высокочастотную сторону.
Наиболее распространение на практике получил эхо-метод контроля. Зеркальный метод и дельта метод применяют для точного определения и расположения дефектов сварных соединений. Теневой метод примеяёняют в основном для контроля листов малой и средней толщины с большим рассеиванием ультразвуковых колебаний.