«Определение мощности и потребляемого линейного тока однофазных сварочных трансформаторов»

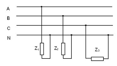
Рисунок 2. Пример подключения сварочных трансформаторов.
Дано: три однофазных сварочных трансформатора включены в четырёхпроводную сеть на линейное напряжение.
S1=27 кВА; cos
1=0.54; ПВ1=0,38, S2=98 кВА; cos
2=0.5; ПВ2=0,34, S3=94 кВА; cos
3=0.46; ПВ3=0,3, Uл=220В.
Задание:
1.Расчитать мощность каждого потребителя;
2.Определить мощность потребляемую из каждой фазы;
3.Определить условные трёхфазные номинальные мощности трансформаторов;
4.Расчитать потребляемый линейный ток;
1. Мощность потребляемая трансформатором Рн, кВт:
,
где,
-полная мощность трансформатора, кВА;
- коэффициент мощности трансформатора;
- режим работы потребителя, %.
,
,
.
2. Мощность потребляемая из каждой фазы питающей Рi, кВт.
Мощность потребляемая из фазы А РА, кВт:
,
.
Мощность потребляемая из фазы В РВ, кВт:
,
.
Мощность потребляемая из фазы С РС, кВт:
,
.
3. Номинальные трёхфазные мощности
Активная номинальная трёхфазная мощность Р(3), кВт:
,
.
где,
- наибольшая мощность потребляемая из одной фазы =РС, кВт.
Полная условная трёхфазная мощность потребителей
, кВА:
,
,
где,
- коэффициент мощности наиболее нагруженной фазы =
.
4. Линейный ток Iл, А:
,
,
где, Uл – линейное напряжение, В.
Вывод: в ходе выполнения данного практического задания мы получили навыки в определении мощности и потребляемого линейного тока потребителей на примере однофазных сварочных трансформаторов, что является неотъемлемой частью при проектировании любого объекта.






