Корректное использование терминов не только признак технически грамотного специалиста, но также необходимое и обязательное условие для однозначного истолкования и правильного понимания устанавливаемых требований.
Терминология единой системы допусков и посадок является базой для соответствующей области взаимозаменяемости и нормируется ГОСТ 25346-89 «Основные нормы взаимозаменяемости. Единая система допусков и посадок. Общие положения, ряды допусков и основных отклонений». Такие термины как «вал», «отверстие», «допуск», «отклонение» и ряд других используются для гладких, резьбовых, шлицевых, шпоночных и других поверхностей и сопряжений.
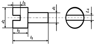
Под термином размер понимается числовое значение линейной величины в выбранных единицах измерения. «Линейная величина» есть физическая величина – длина, которая объединяет такие геометрические параметры изделий, как диаметры, высоты, толщины, глубины и т.д. (рис. 1.6).

Рис. 1.6. размеры изделия
В соединении деталей, входящих одна в другую, различают охватывающую и охватываемую поверхности.
Для гладких, цилиндрических и конических деталей охватывающая поверхность является отверстием, охватываемая – валом, а соответствующие размеры – диаметром отверстия и диаметром вала. Допускается применять термины «отверстие» и «вал» также и к другим охватывающим и охватываемым поверхностям, например, образуемых парой плоскостей (на рис.1.6 размеры l 1 и L 4).
Итак вал – термин, условно применяемый для обозначения наружных элементов деталей, включая и нецилиндрические элементы (рис. 1.7). Все обозначения элементов деталей подпадающих под термин «вал» записываются строчными буквами (например d 1, l 1 и т.д.).
| |
Рис. 1.7. Наружные элементы деталей («валы»)
Отверстие – термин, условно применяемый для обозначения внутренних элементов деталей, включая и нецилиндрические элементы (рис. 1.8). Обозначения элементов деталей, подпадающих под термин «отверстие» обычно записывают прописными буквами (например D 1, L 1 и т.д.).
| |
Рис. 1.8. Внутренние элементы деталей («отверстия»)
Действительный размер (D, d) – размер элемента, установленный измерением с допустимой погрешностью.
На чертеже должны быть указаны все размеры, необходимые для изготовления и контроля детали. Однако, как уже было сказано ранее, требуемые размеры не могут быть выполнены абсолютно точно, поскольку в процессе изготовления проявляется нестабильность физико-механических характеристик материала заготовки, приходит износ режущего инструмента, изменение температуры окружающей среды и т.д. Поэтому в процессе изготовления будут незначительно изменяться размеры на одной поверхности и от детали к детали. Успешное функционирование изделий возможно при условии исполнения поверхностей в пределах некоторого диапазона размеров, поэтому введено понятие предельных размеров.
Предельные размеры – два предельно допустимых размера элемента, между которыми должен находиться (или которым может быть равен) действительный размер годной детали (рис. 1.9).
Наибольший предельный размер – это наибольший допустимый размер элемента (D max, d max), а наименьший предельный размер, соответственно, наименьший допустимый размер элемента (D min, d min,).
| |
Рис.1.9. Предельные размеры валов и отверстий
Для ограничения предельных контуров нормируемых поверхностей стандарт водит понятия интерпретации предельных размеров. Пределы максимума и минимума материала представлены следующим образом.
Для отверстий диаметр наибольшего правильного воображаемого цилиндра, который может быть вписан в отверстие так, чтобы плотно контактировать с наиболее выступающими точками поверхности на длине соединения (размер сопрягаемой детали идеальной геометрической формы, прилегающей к отверстию без зазора), не должен быть меньше, чем предел максимума материала. Дополнительно наибольший диаметр в любом месте отверстия, определенный путем двухточечного измерения, не должен быть больше, чем предел минимума материала.
Графическое отображение интерпретации предельных размеров отверстия представлено на рисунке 1.10.

Условия годности элементов
,

Рис. 1.10. К интерпретации предельных размеров отверстия
Для валов диаметр наименьшего правильного воображаемого цилиндра, который может быть описан вокруг вала так, чтобы плотно контактировать с наиболее выступающими точками поверхности на длине соединения (размер сопрягаемой детали идеальной геометрической формы, прилегающей к валу без зазора), не должен быть больше, чем предел максимума материала. Дополнительно наименьший диаметр в любом месте вала, определенный путем двухточечного измерения, не должен быть меньше, чем предел минимума материала.
На рисунке 1.11 представлена схема интерпретации предельных размеров вала.

Условия годности элементов
,

Рис. 1.11. К интерпретации предельных размеров вала
Допуск Т – разность между наибольшими и наименьшими предельными размерами или алгебраическая разность между верхним и нижним отклонениями. Для обозначений, относящихся к деталям типа «вал» будем использовать строчную букву «d», а к «отверстиям» – прописную букву «D» (по типу: диаметр отверстия D, допуск вала Тd, допуск отверстия – ТD).
ТD = D max – D min;
Тd = d max – d min.
Стандартный допуск T – любой из допусков, устанавливаемых данной системой допусков и посадок.
Допуск (величина заведомо положительная) определяет диапазон допустимого рассеивания действительных размеров годных деталей в партии, т.е. заданную точность изготовления.
Допустимый диапазон изменения размеров деталей можно показать схематически, в виде полей допусков, без изображения самих деталей. В общем случае поле допуска – поле, ограниченное наибольшим и наименьшим предельными размерами и определяемое шириной поля допуска и его положением относительно номинального размера.
При графическом изображении на схеме поле допуска заключено между двумя линиями, соответствующими наибольшему и наименьшему размерам или верхнему и нижнему отклонениям относительно нулевой линии. Линии, ограничивающие поле допуска при графическом отображении эквидистантны профилю номинальной поверхности.
При графическом изображении нулевая линия, как правило, располагается горизонтально, при этом положительные отклонения откладываются вверх от нее, а отрицательные – вниз (рис. 1.12).
Вместо стандартного выражения «величина допуска» можно использовать словосочетание «значение допуска», поскольку под величиной в метрологии понимают физическую величину (длину, угол и т.д.).
Сравнение размеров двух или нескольких взаимодействующих элементов деталей существенно облегчается, если задана некоторая система отсчета, роль которой исполняют номинальный размер и нулевая линия.
Номинальный размер – это размер, относительно которого определяются отклонения, а нулевая линия – линия, соответствующая номинальному размеру, от которой откладываются отклонения размеров при графическом изображении полей допусков.
| |
Рис. 1.12. Графическое изображение номинального (D, d)
и предельных размеров вала (d max, d min) и отверстия (D max, D min),
а также и полей допусков вала (Тd) и отверстия (ТD)
Отклонение – алгебраическая разность между размером (действительным или предельным размером) и соответствующим номинальным размером.
Различают следующие виды отклонений (рис. 1.13)

Рис. 1.13. Графическое изображение
отклонений вала (es, ei) и отверстия (ES, EI)
– действительное отклонение – алгебраическая разность между действительным и соответствующим номинальным размерами;
– предельное отклонение – алгебраическая разность между предельным и соответствующим номинальным размерами.
Предельные отклонения в свою очередь могут быть верхними и нижними:
– верхнее предельное отклонение (для валов es, для отверстий ES) – алгебраическая разность между наибольшим предельным и соответствующим номинальным размерами
,
;
– нижнее предельное отклонение (для отверстий EI, для валов ei) – алгебраическая разность между наименьшим предельным и соответствующим номинальным размерами
,
;
– основное отклонение – одно из двух предельных отклонений (верхнее или нижнее), определяющее положение поля допуска относительно нулевой линии. Основным является одно из двух предельных отклонений (верхнее и нижнее) ближайшее к нулевой линии.
Основной вал – вал, верхнее отклонение которого es равно нулю (рис. 1.14 а)
Основное отверстие – отверстие, нижнее отклонение которого EI равно нулю (рис. 1.14 б)
| |
а б
Рис 1.12. Графическое изображение полей допусков
основного вала (а) и основного отверстия (б)
Предел максимума материала – термин, относящийся к тому из предельных размеров, которому соответствует наибольший объем материала, т.е. наибольшему предельному размеру вала или наибольшему предельному размеру отверстия (рис 1.15 а).
Предел минимума материала – термин, относящийся к тому из предельных размеров, которому соответствует наименьший объем материала, т.е. наименьшему предельному размеру вала или наибольшему предельному размеру отверстия (рис 1.15 б)
а | б |
Рис. 1.15. Пределы максимума и минимума материала
Термины и определения номинального, действительного и предельных размеров, предельных отклонений, допуска и поля допуска, принятые для геометрических параметров, относятся, в общем случае, и к механическим, физическим и другим параметрам определяющим качество деталей, узлов и изделий.
а
б