Две детали, подвижно или неподвижно соединенные друг с другом, образуют соединение.
Поверхности, по которым происходит соединение деталей, являются сопрягаемыми поверхностями.
Разнообразные виды соединений деталей, применяемые в машиностроении и приборостроении, целесообразно для удобства рассмотрения классифицировать на группы.
По форме сопрягаемых охватывающей и охватываемой поверхностей деталей различают:
а) гладкие цилиндрические соединения (к этой группе можно отнести соединения подшипниковых колец с валами и с отверстиями в корпусах, штифтовые соединения и т.д.);
б) конические соединения (например, соединения конусов режущего инструмента со шпинделем станка);
в) соединения призматических элементов деталей, состоящие из охватывающей и охватываемой поверхностей, образованных плоскостями (например, призматические прямоугольные направляющие, направляющие типа «ласточкин хвост», соединение шпонки с поверхностями пазов вала и втулки и т.п.);
г) шлицевые соединения, состоящие из охватывающей и охватываемой поверхностей, имеющих продольные закономерно расположенные по окружности шлицы прямобочного, эвольвентного или другого профиля;
д) сферические соединения, состоящие как правило из двух неполных сферических поверхностей;
е) резьбовые соединения (цилиндрические, конические), состоящие из охватывающей и охватываемых винтовых поверхностей, имеющих в нормальном сечении треугольный, трапецеидальный или иной профиль;
Кроме того, к соединениям относят зубчатые цилиндрические, конические, винтовые, реечные и червячные передачи. В них взаимодействующие элементы сложных поверхностей (поверхности зубьев колес, имеющих эвольвентный, циклоидальный или другой профиль) периодически контактируют друг с другом.
По степени свободы взаимного перемещения деталей различают:
· неподвижные неразъемные соединения,
· неподвижные разъемные соединения,
· подвижные соединения,
В неподвижных неразъемных соединениях сопрягаемые детали не перемещаются относительно друг друга в течение всего срока эксплуатации механизма. Такие соединения деталей получают сваркой, пайкой, склеиванием, соединением заклепками, а также применяя соединения с гарантированным натягом.
Неподвижные разъемные соединения характеризуются неподвижностью одной сопрягаемой детали относительно другой в период работы механизма. Однако при этом предусматривается возможность взаимного перемещения деталей при разборке соединения с целью регулировки, ремонта и т.д. К таким соединениям относятся, например, крепежные резьбовые соединения, штифтовые соединения и т.д. Для достижения таких целей применяют соединения с небольшим натягом или с гарантированным зазором. При необходимости неподвижность таких соединений обеспечивается дополнительными конструктивными элементами (стопорные кольца, штифты, шплинты и др.)
В подвижных соединениях одна сопрягаемая деталь во время работы механизма перемещается относительно другой в определенных направлениях. Например, в шлицевых соединениях полумуфты с валом полумуфта подвижна в осевом направлении. В подшипнике скольжения вал вращается в отверстии втулки, а в винтовой передаче винт может перемещаться в продольном направлении при вращении его в неподвижной гайке.
В каждый из рассмотренных видов соединений может входить множество разновидностей, имеющих свои конструктивные особенности и свою область применения (например, прямобочные, эвольвентные и треугольные шлицевые соединения), в соответствии с которыми осуществляют их группирование. Для кинематических пар применяются зубчатые, червячные и винтовые соединения, основное требование к которым – высокая точность взаимного перемещения сопрягаемых деталей. Для обеспечения герметичности применяются конические гладкие и конические резьбовые соединения, основное требование к которым – максимально полное прилегание сопрягаемых поверхностей.
Для центрирования деталей применяют цилиндрические и конические соединения, основное требование к которым – точность взаимного расположения поверхностей и осей сопрягаемых деталей. Для обеспечения движения в заданном направлении применяют цилиндрические, шлицевые, призматические направляющие основное требование к которым – точность взаимного расположения поверхностей и осей сопрягаемых деталей при их перемещении и остановках.
Сохранение постоянства высоких эксплутационных качеств соединений в процессе длительной работы, простота изготовления, сборки, измерения и эксплуатации являются общими требованиями для всех соединений.
В зависимости от различных эксплутационных требований сборка соединений осуществляется с различными посадками.
Посадка – характер соединения двух деталей, определяемый разностью их размеров до сборки.
Номинальный размер посадки – номинальный размер, общий для отверстия и вала, составляющих соединение.
Посадка характеризует большую или меньшую свободу относительно перемещения или степень сопротивления взаимному смещению соединяемых деталей. Вид посадки определяется взаимным расположением полей допусков отверстия и вала и их размерами.
Посадка с зазором – посадка, реализация которой всегда приводит к образованию зазора в соединении, т.е. наименьший предельный размер отверстия больше наибольшего предельного размера вала или равен ему.
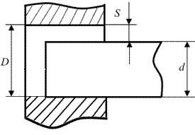
Зазор (S) – разность между размерами отверстия и вала, если размер отверстия больше размера вала (рис.1.16).

Рис. 1.16. Графическая интерпретация понятия «зазор»
При графическом изображении посадки с зазором поле допуска отверстия расположено над полем допуска вала (рис.1.17 а, б). Различают наименьший S min и наибольший S max зазоры.
Наименьший зазор – разность между наименьшим предельным размером отверстия и наибольшим предельным размером вала в посадке с зазором.
S min = D min – d max
Наибольший зазор – разность между наибольшим предельным размером отверстия и наименьшим предельным размером вала в посадке с зазором или в переходной посадке. S max = D max – d min.
а | б |
Рис. 1.17. Примеры расположение полей допусков посадок с зазором
Иногда, для количественной характеристики посадки прибегают к расчету среднего зазора (Sm) (рис. 1.18).

Рис. 1.18. Графическая интерпретация максимального (S max),
минимального (S min) и среднего (Sm) зазоров

Натяг (N) – разность между размерами вала и отверстия до сборки, если размер вала больше размера отверстия (рис. 1.19).

Рис. 1.19. Графическая интерпретация понятия «Натяг»
Посадка с натягом – посадка, при которой всегда образуется натяг в соединении, т.е. наибольший предельный размер отверстия меньше наименьшего предельного размера вала. При ее графическом изображении поле допуска отверстия расположено под полем допуска вала (рис. 1.20).
Наименьший натяг – разность между наименьшим предельным размером вала и наибольшим предельным размером отверстия до сборки в посадке с натягом. N min = d min - D max.
Наибольший натяг – разность между наибольшим предельным размером вала и наименьшим предельным размером отверстия до сборки в посадке с натягом или в переходной посадке. N max = d max - D min.

Рис. 1.20. Расположение полей допусков посадок с натягом
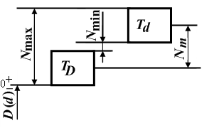
Средний натяг Nm равен полусумме наибольшего и наименьшего натягов (рис. 1.21).
.

Рис. 1.21. Графическая интерпретация максимального (N max),
минимального (N min) и среднего (Nm) зазоров
Переходная посадка – посадка, при которой возможно получение как зазора, так и натяга в соединении в зависимости от действительных размеров отверстия и вала. При графическом изображении поля допусков отверстия и вала перекрываются полностью или (рис. 1.22).

Рис. 1.22. Графическая интерпретация переходной посадки
Переходная посадка представляет собой характеристику партии сопряжений с большей или меньшей вероятностью зазоров и натягов. В конкретном сопряжении двух деталей может быть либо зазор, либо натяг.
В связи с имеющим место рассеиванием размеров сопрягаемых валов и отверстий введем понятие допуск посадки, как сумму допусков отверстия и вала, составляющих соединение. Допуск посадки численно равен разности наибольшего и наименьшего зазоров (натягов) в посадках. T = TD + Td
а
б 





