

1-2-3-4-5-4 фотоприемника неподвижные растры 3 подвижные растры коллиматор источник света
Роль фотоприёмников в генераторе изображений выполняют отдельные площадки четырёхэлементного фотодиода. Эти площадки располагаются вдоль направления перемещения муаровых полос на расстояниях, равных 1А шала муаровой картины, что соответствует сдвигу фаз на п/2.
Площадки фотодиода соединены попарно через одну но разной схеме, через выходы своих предусилителей, преобразующих фототоки в напряжение U1.... U4. Такое включение фотоприемников позволяет исключить постоянные составляющие сигналов.
При юстировке корпуса датчика обеспечивают параллельность обеих решеток, а также разворот их штрихов на требуемый угол (около SO pa|). Излучение источника преобразуется линзой в параллельный пучок лучей, которые дифрагируют на прозрачной дифракционной решетке. Пучки нулевого и первого порядка вторично дифференцируют на отражательной решетке, а затем еще раз - на прозрачной. Накладываясь друг на друга, эти пучки, формируют муаровую картину. Перемещение решетки на мкм. Соответствует сдвигу муаровых полос на 10 мм, что легко фотоприемником.
|
|
|
В результате их выходные сигналы датчика представляют собой два синусоидальных сигнала Ui и Un нулевыми постоянными составляющими и одинаковыми амплитудами, при чем эти сигналы различаются по фазе на п/2. Сигналы Ui и Un поступают на формирователи DD5 И DD6.
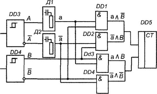
Структурная схема устройства счета муаровых полос представляет собой последовательно соединенные Триггера Шмитта и потенциального инвертора.

Каждый формирователь имеет по два выхода. С одного выхода снимается прямоугольное напряжение с той же фазой, что и входной синусоидальный сигнал, а с другого - прямоугольное напряжение с фазой, сдвинутой на половину периода по отношению к первому. В результате на выходах формирователей DD5 и DD6 образуются четыре прямоугольных напряжения АВАВ, три из которых сдвинуты по фазе относительно каждого предыдущего на Till. Для управления реверсивным счетчиком полос, выходные сигналы Л и Алю даются на диферинцирующие цепи Д1 и Д2. Продиференцированые импульсы it и А поступают на соответствующие схемы совпадения DD1 и DD4. На вторые выходы схем совпадения подаются соответствующие сигналы группы В, В. Если измерительная растровая решетка 3 движется в прямом направлении, выходные импульсы схем совпадения вырабатываются на шине прямого кода и затем подаются на вход (+) реверсивного счетчика DD5» При обратном ходе измерительной решетки счетные импульсы появляются на шине обратного хода и затем подаются на вход (-) реверсивного счетчика. При перемещении решетки на один шаг на счетчик подаются два импульса, т. е. данное отсчетное устройство обладает разрушающей способностью, соответствующей VI шага растра.
|
|
|
Датчик фокусировки
Предназначен для контроля отклонения экспонируемой поверхности от плоскости проекционного объектива. Луч света от источника 43 проходит через светофильтр 44, вырезающий активную составляющую излучения, линзу 45, растр 46,склеенную линзу 47, отражается от полупрозрачного зеркала 42. Отраженный от зеркала луч проходит второй растр 41, сканирующий диск 40, компенсатор хриматизма 39 и зеркалом 38 направляется в проекционный объектив 19. Объектив формирует изображение растра на поверхности фото пластины 21.
Отраженное от этой поверхности автоколлимационное изображение растра теми же оптическими элементами проецируется в область растра 41. Свет от него через полупрозрачное зеркало 42 и линзу 48 направляются на фотоприемник 49. Особенностью оптической системы датчика является то, что склеенная линза 47 проецирует изображение первого растра 46 в плоскость второго растра 41, при этом их рисунки должны точно совпадать друг с другом. Автоколлимационное изображение отраженного растра строится в зависимости от угла поворота сканирующего диска 40 его утонченной или утолщенной частью по этому оно периодически создается перед или за плоскостью растра 41. Количество света, проходящего через растр 41 и попадающего на фотоприемник 49, обратнопропорцанально расстоянию от плоскости растра до его автоколлимационного изображения.
Положение растра выбирается таким чтобы при точной фокусировке, автоколлимационное изображение создавалось на равных расстояниях от него.
При этом световые потоки на фотоприемнике одинаковы при прохождении отраженного луча света через оба участка сканирующего диска 40. Расфокусировка приведет к смещению авто коллимационного изображения относительно растра 41 и к изменению световых потоков за один оборот сканирующего диска.
Электрический сигнал вырабатываемый фотоприемником 49 совместно сигналом синхронизации, несущим информацию о вращении диска 40, поступает в систему управления. Изменением давления воздуха в аэростатических направляющих производится подъемом и опусканием кареток с фото пластиной на требуемую величину.






