Разбиваем составное сечение на составляющие типовые сечения и определяем геометрические характеристики относительно их собственных центральных осей. Рисунок 2.7.
Для горизонтальных пластин b1= 20 см, h1= 1,0 см, А1= b1
h1= 20
1,0=20 см2,
, 
Для вертикальных пластин
=1,0 см,
см,
см 2
см 4;
см 4; 
Для неравнобоких уголков № 7,5/5,0´0,5 по ГОСТ 8510-86
=5 см;
= 7,5 см;
=6,11 см 2;
= 34,8 см 4;
=12,5 см 4;
=1,17 см;
=2,39 см;
=0,436;
=23036¢

Рисунок 2.6

Рисунок 2.7
Центробежный момент инерции сечения неравнобокого уголка относительно собственных центральных осей определяется по формуле:

Ход решения
Вычерчиваем в масштабе составное сечение по заданному варианту задания. Рисунок 2.6.
1. Определяем положение центра тяжести составного сечения. Так как сечение симметрично относительно осей х0, у0, то эти оси являются главными центральными осями сечения и
.
Площадь составного сечения см 2 
2. Определяем моменты инерции составного сечения относительно главных центральных осей х 0, у 0.
см 4 = 

- где 
- расстояния между собственными центральными осями типовых сечений и главными центральными осями
составного сечения.
Так как составное сечение симметрично относительно обеих центральных осей, то центробежный момент инерции сечения относительно этих осей равен нулю.
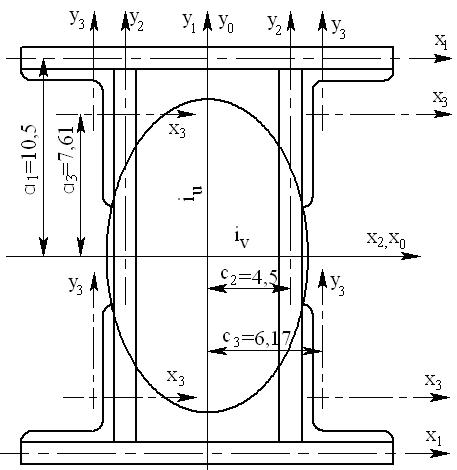
3. Определяем радиусы инерции эллипса инерции составного сечения относительно главных центральных осей
.
см,
см,
По найденным радиусам инерции строим эллипс инерции, откладывая их значения относительно соответствующих осей.






