|
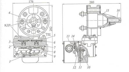
При обрыве ТМ, ВР в поезде срабатывают на торможение. В головной части поезда и на локомотиве вследствие питания ТМ через кран машиниста, ВР кратковременную частичную доп разрядку ТМ примерно на 0,2...0,25 кгс/см2, а затем отпускает. В процессе начавшейся доп. разрядки будет возрастать давление в КДР, воздух из которого воздействует на левую диафрагму 5 (рис.40.) сигнализатора. Когда давление в КДР достигнет значений 1,1... 1,3 кгс/см2, диафрагма, преодолевая усилие пружины, прогнется настолько, что стержнем-толкателем 7 замкнет контакты ДЦР левого микропереключателя. При срабатывании ВР на доп разрядку контакты ДТЦ правого микропереключателя остаются замкнутыми, так как давление воздуха, поступающего в канал ТЦ, не превышает 0,3 кгс/см2 — этого недостаточно для перемещения вниз
|
Рис. 40.
левой диафрагмы сигнализатора. При этом на катушку реле Р1 подается питание через замкнувшиеся контакты ДДР и замкнутые контакты ДТЦ правого микропереключателя. Сработавшее реле Р1 своим контактом Р1/1 замыкает цепь сигнальной лампы «ТМ» на пульте машиниста, а размыкающим контактом Р1/2 разбирает цепь управления тяговым режимом локомотива. После прекращения дополнительной разрядки давление в КДР падает, и контакты ДДР размыкаются. Однако катушка реле Р1 будет продолжать получать питание через свои замкнутые контакты Р1/1, диод и замкнутые контакты ДТЦ, т. е. сигнальная лампа «ТМ» на пульте будет продолжать гореть. При выполнении ступени торможения 0,6...0,7 кгс/см2 в ТЦ локомотива появляется скачок давления не менее 0,5 кгс/см2. Давлением из канала ТЦ правая диафрагма 5 сигнализатора, преодолев усилие пружины, переместит стержень-толкатель 7 вниз, и контакты ДТЦ правого микропереключателя размыкаются. Катушка реле Р1 теряет питание, сигнальная лампа «ТМ» гаснет, электрическая цепь управления тягой восстанавливается. При выполнении регулировочных торможений в пути следования сигнальная лампа загорается кратковременно и гаснет, что свидетельствует об исправной работе датчика.
|
|
|
Однако, если обрыв ТМ произошел вблизи локомотива, то его воздухораспределитель может наполнить ТЦ до значений давления 1,0... 1,2 кгс/см2. При этом сигнальная лампа также кратковременно загорается и гаснет, но электрическая цепь управления режимом тяги будет отключена, т. е. в данном случае будет отсутствовать световая сигнализация нарушения целостности ТМ.






