Устройство и принцип работы гальванического элемента

Металл, погруженный в раствор электролита, называется электродом. Электроды — это система двух токопроводящих тел — проводников первого и второго рода. К проводникам первого рода относятся металлы, сплавы, оксиды с металлической проводимостью, а также неметаллические материалы, в частности графит; носители заряда — электроны. К проводникам второго рода относятся расплавы и растворы электролитов; носители заряда — ионы. Устройство, состоящее из двух электродов, называется гальваническим элементом.

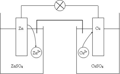
Рис. 2. Схема медно-цинкового гальванического элемента

Рассмотрим гальванический элемент Якоби—Даниэля (схема приведена на рис. 2). Он состоит из цинковой пластины, погруженной в раствор сульфата цинка, и медной пластины, погружен­ной в раствор сульфата меди. Для предотвращения прямого взаимодействия окислителя и восстановителя электроды отделены друг от друга пористой перегородкой.

В гальваническом элементе электрод, сделанный из более активного металла, т.е. металла, расположенного левее в ряду напряжений, называют анодом, а электрод, сделанный из менее активного металла — катодом.

На поверхности цинкового электрода (анода) возникает двойной электрический слой и устанавливается равновесие:

Zn0 – 2 ē Zn2+.

В результате протекания этого процесса возникает электродный потенциал цинка.

На поверхности медного электрода (катода) также возникает двойной электрический слой и устанавливается равновесие:

Cu2+ + 2 ē Cu0.

В результате возникает электродный потенциал меди.

Так как потенциал цинкового электрода имеет более отрицательное значение, чем потенциал медного электрода, то при замыкании внешней цепи, т.е. при соединении цинка с медью металлическим проводником, электроны будут переходить от цинка к меди. В результате этого процесса равновесие на цинковом электроде смещается вправо, поэтому в раствор перейдет дополнительное количество ионов цинка. В то же время равновесие на медном электроде сместится влево и произойдет разряд ионов меди.

Таким образом, при замыкании внешней цепи возникают самопроизвольные процессы растворения цинка на цинковом электроде и выделения меди на медном электроде. Данные процессы будут продолжаться до тех пор, пока не выровняются потенциалы или не растворится весь цинк или не высадится на медном электроде вся медь.

Итак, при работе гальванического элемента Якоби—Даниэля протекают следующие процессы:

1. Анодный процесс, процесс окисления:

Zn0 – 2 ē → Zn2+.

2. Катодный процесс, процесс восстановления:

Cu2+ + 2 ē → Cu0.

3. Движение электронов во внешней цепи.

4. Движение ионов в растворе: анионов SO42– к аноду, катионов Cu2+ к катоду. Движение ионов в растворе замыкает электрическую цепь гальванического элемента.

Суммируя электродные реакции, получим:

Zn + Cu2+ = Zn2+ + Cu.

В результате протекании данной реакции в гальваническом элементе возникает движение электронов во внешней цепи и ионов внутри элемента, т.е. электрический ток. Поэтому суммарную химическую реакцию, протекающую в гальваническом элементе, называют токообразующей реакцией.

Электрический ток в гальваническом элементе возникает за счет окислительно-восстановительной реакции, протекающей так, что окислительные и восстановительные процессы оказываются пространственно разделенными: на отрицательном электроде (аноде) происходит процесс окисления, на положительном электроде (катоде) — процесс восстановления.

Необходимым условием работы гальванического элемента является разность потенциалов электродов. Максимальная разность потенциалов электродов, которая может быть получена при работе гальванического элемента, называется электродвижущей силой (ЭДС) элемента. Она равна разности между потенциалом катода и потенциалом анода элемента:

ЭДС = E кE a. (1)

ЭДС элемента считается положительной, если токообразующая реакция в данном направлении протекает самопроизвольно. Положительной ЭДС отвечает и определенный порядок в записи схемы элемента: записанный слева электрод должен быть отрицательным. Например, схема элемента Якоби—Даниэля записывается в виде:

Zn │ ZnSO4 ║ CuSO4 │ Cu.





Подборка статей по вашей теме: