Триггеры – это элементы с двумя устойчивыми состояниями. Триггеры являются наиболее распространёнными функциональными элементами цифровых систем. Они применяются в счётчиках импульсов, регистрах, запоминающих устройствах, распределителях импульсов и пр.
Триггером является логическая схема с положительной обратной связью, имеющая два устойчивых состояния, которая под действием внешних сигналов переключается в любое состояние и находится в этом состоянии неограниченное время после исчезновения входных сигналов.
Триггеры имеют два выхода, по уровням которых можно судить о состоянии триггера. Один из выходов называется прямым или единичным и обозначается Q, а второй – инверсным или нулевым
(рис. 11.1).

Рисунок 11.1 – Обобщенная структурная схема триггера
Первое из двух состояний триггера принимается нулевым и носит название сброшенного. При этом его прямой выход Q находится под нулевым потенциалом, т.е. Q = 0, а инверсный выход находится под единичным потенциалом, т.е.
= 1.
|
|
|
Второе состояние триггера – единичное, когда Q = 1, а
= 0, и называется взведенным.
Переключение триггера в единичное состояние называется взводом, а в состояние нуля – сбросом.
Обобщённая структурная схема триггера (рис. 11.1) состоит из двух частей: элемента памяти – собственно триггера Т и схемы управления СУ, на которую поступают внешние сигналы управления работой схемы.
Входы А 1, …, Аn называют информационными или логическими. К ним подводят двоичную информацию в виде логических нулей либо единиц.
С помощью схемы управления СУ входная информация преобразуется в комбинации сигналов 00, 01, 10, 11, действующих непосредственно на входах а 1, …, аn, собственно триггера.
Схема триггера, кроме логических, может иметь тактовые входы синхронизации (С 1, …, Сn), управляющие входы (V 1, …, Vn), а также установочные S- и R- входы непосредственного взвода или сброса триггера.
Вход S (Set - установка)– вход установки единичного состояния или единичный вход.
Вход R (Reset -сброс) – вход установки нулевого состояния или нулевой вход.
Тактовые или синхронизирующие сигналы, которые подводятся к входам С 1, …, Сn, определяют в СУ момент записи или считывания состояния, т.е. момент переключения триггера.
Классифицируют триггеры по многим признакам: по схемной реализации, по логике функционирования, по способу записи информации.
По способу записи информации различают два типа триггеров: асинхронные и синхронные.
К асинхронным относятся триггеры, которые имеют только информационные входы без входа синхронизации. Запись информации в них происходит в момент поступления сигнала, который подаётся на информационный вход триггера.
|
|
|
Отличительной особенностью синхронныхтриггеров является наличие дополнительного тактового (синхронизирующего) входа С для подачи синхро-низирующих импульсов, осуществляющих запись информации. При этом синхронные триггеры подразделяются на триггеры однотактного и многотактного действий. В триггерах однотактного действия срабатывание происходит с поступлением каждого синхроимпульса. В триггерах многотактного действия запись информации завершается в конце действия n -го тактового импульса.
В триггерах различают входы статические и динамические.
На статические входы подают потенциальные цифровые сигналы для переключения триггера, т.е. такие сигналы х, которые несут уровни х = 0 либо х = 1.
Динамические входы управляются импульсными сигналами, длительность которых бесконечно мала, т.е. при изменении входного сигнала от нуля до единицы (фронтом) либо, наоборот, при изменении входного сигнала от единицы до нуля (срезом). Тип управления синхросигналами (фронтом или срезом) указывается в технических параметрах триггера.
11.1.1. Асинхронный RS -триггер
Асинхронным RS-триггером называют логическое устройство с двумя устойчивыми состояниями. RS -триггер имеет два информационных входа S и R:
R – вход установки нуля или сброса (нулевой вход);
S – вход установки единицы или взвода (единичный вход).
При подаче на S- вход логической единицы (S = 1), а на R – логического нуля (R = 0), триггер взводится, т.е. устанавливается в единичное состояние, при котором Q = 1 и
= 0.
При подаче S = 0 и R = 1 триггер сбрасывается, т.е. устанавливается в нулевое состояние, при котором Q = 0 и
= 1.
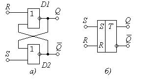
Триггер RS -типа имеет простейшую структуру, называемую базовой. Реализовать RS -триггер можно на любых логических элементах булевого базиса.
На рис. 11.2, а приведена базовая схема RS -триггера, реализованная на двух логических элементах 2ИЛИ-НЕ, а на рис. 11.2, б – условное обозначение RS -триггера.

Рисунок 11.2 – Асинхронный RS -триггер на элементах 2ИЛИ-НЕ: а) схема;
б) условное обозначение.
Работу RS -триггера отражает таблица переходов (табл. 11.1), в которой Q n – предыдущее состояние триггера, а Q n +1 – нынешнее состояние триггера. Крестиком Х обозначена независимость от состояния.
Таблица 11.1. – Таблица переходов RS -триггера
|
Из таблицы видно следующее.
При обоих нулевых входах R = 0 и S = 0 триггер находится в режиме хранения, т.е. он не срабатывает, а сохраняет предыдущую информацию (предыдущее состояние) либо Q n = 0, либо Q n = 1. Если триггер был сброшен (Q n = 0) до подачи сигналов R = 0; S = 0, то сброшенным он и останется, т.е. Q n +1 = 0. Если же триггер до подачи сигналов R = 0; S = 0 пребывал во взведенном (единичном) состоянии (Q n = 1), то взведенным он и останется, т.е. Q n +1 = 1.
Если на нулевой вход R подать логическую единицу (R = 1), а на единичный вход S – логический нуль (S = 0), то независимо от предыдущего состояния триггер сбрасывается (Q = 0,
= 1).
Далее состояние триггера будем определять уровнем только прямого выхода Q.
Триггер работает следующим образом.
При R = 1 выходной уровень схемы D1 (см. рис. 11.2, а), т.е.прямого выхода, станет Q = 0. Тогда к обоим входам схемы D2 приложены логические нули (Q = 0 и S = 0), поэтому на выходе
= 1. Следовательно, при R = 1; S = 0 триггер сбрасывается, т.е. в него записывается логический нуль (нулевое состояние).
Если на единичный вход S подать логическую единицу (S = 1), а на нулевой вход R – логический нуль (R = 0), то независимо от предыдущего состояния, триггер устанавливается в единичное состояние Q = 1. Действительно, при S = 1 уровень инверсного выхода
= 0. Тогда к обоим входам схемы D1 приложены логические нули (
= 0 и R = 0), поэтому на выходе Q = 1. Так, при S = 1; R = 0 триггер взводится, т.е. в него записывается логическая единица (единичное состояние).
|
|
|
Если же на входах R и S действуют одновременно логические единицы (S = 1; R = 1), то состояние триггера становится неопределённым. Это обозначено в таблице значком “–“. При такой комбинации входных сигналов оба элемента D1 и D2 не имеют на своих выходах логических нулей 0. Поэтому состояние триггера является неопределенным. Комбинация S = 1; R = 1 для RS -триггера запрещена, и её нельзя допускать, чтобы избежать сбоев в цифровой системе.
Базовый RS -триггер (рис. 11.2) относится к асинхронным. Особенность его работы состоит в том, что он изменяет своё состояние непосредственно в момент подачи сигналов на входы S и R.
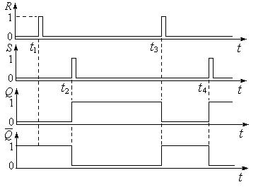
Принцип действия RS -триггера поясняет временная диаграмма его работы, приведенная на рис. 11.3.
Пусть до момента t 1 триггер находился в нулевом состоянии (Q = 0;
= 1). В момент t 1 поступления единичного импульса на R -вход на входе S остаётся нулевой уровень, поэтому в соответствии с табл. 11.1 триггер остаётся в нулевом состоянии, т.е. Q n +1 = 0. Это состояние не изменится до момента t 2, когда на вход S поступит единичный импульс.
В момент t 2 поступления единичного импульса на S -вход на входе R остаётся нулевой уровень, поэтому в соответствии с табл. 11.1 триггер взводится, т.е. в него записывается логическая единица. Несмотря на то, что импульс на S -входе исчез, триггер остаётся взведенным. Так он помнит, что в него записали логическую единицу. Это состояние триггера может сохраняться, сколь угодно долго, пока на R -вход не поступит единичный импульс в момент t 3.
Рисунок 11.3 – Временная диаграмма работы асинхронного RS -триггера |
В момент t 3 поступления на R -вход единичного импульса на S -входе действует нулевой уро-вень, поэтому в соответствии с табл. 11.1 триггер сбрасывается, т.е. в него записывается логи-ческий нуль. Несмотря на то, что импульс на R -входе исчез, триггер остаётся сброшенным. Так он помнит, что в него за-писали логический нуль. Это состояние триггера может со-храняться, сколь угодно долго, пока на S -вход не поступит единичный импульс в момент t 4 и т.д.
Из диаграммы работы (рис. 11.3) видно, чем обусловлено название “асинхронный”, а именно: триггер срабатывает непосредственно в любые моменты поступления сигналов на информационные входы S и R.
|
|
|
RS -триггер может быть выполнен также на логических элементах 2И-НЕ (элементах Шеффера), если в цепи R - и S -входов включить инверторы (рис. 11.4).
Рисунок 11.4 – Асинхронный RS -триггер на элементах 2И-НЕ |
11.1.2. Синхронный RS -триггер
Синхронный RS-триггер обозначается как CRS -триггер. В отличие от асинхронного триггера состояние в синхронном триггере изменяется при наличии синхронизирующего сигнала С.
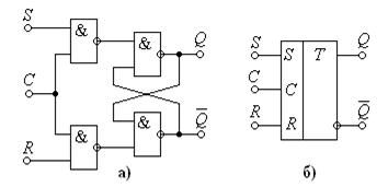
Синхронный CRS -триггер можно получить из асинхронного, если дополнить его синхронизирующим входом С. CRS -триггер можно реализовать, например, на базе RS -триггера на четырёх логических элементах 2И-НЕ, как показано на рис. 11.5, а.

Рисунок 11.5 – CRS -триггер: а) схема; б) условное обозначение

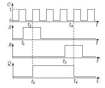
Условное обозначение CRS -триггера (рис. 11.5, б) сходно с триггером RS типа (см. рис. 11.2, б). Различие лишь в дополнительном входе синхронизации С. В табл. 11.2 указаны состояния CRS -триггера, а на рис. 11.6 дана временная диаграмма работы CRS -триггера.
Принцип действия CRS -триггера состоит в том, что состояния входов R и S лишь подготавливают триггер к срабатыванию, а взвод либо сброс в зависимости от состояния R - и S -входов осуществляются только тогда, когда появится фронт импульса “
” на входе С.
Итак, входы R и S CRS -триггера только управляют процессом срабатывания триггера, а срабатывание триггера происходит только при поступлении фронта синхроимпульса С. Временная диаграмма работы CRS -триггера показана на рис. 11.6.
Рисунок 11.6 – Временная диаграмма работы СRS -триггера |
Пусть триггер находится в нулевом состоянии. Если на вход S поступает логическая единица в любой момент t 1, то триггер в этот момент не срабатывает. Он взведётся только при поступлении фронта синхронизирующего импульса на вход С в момент t 2.
Аналогичная последователь-ность поступления сигналов и при сбросе триггера. Несмотря на то, что единичный сигнал поступает на вход R в момент t 3, триггер сбросится лишь в момент t 4, когда на входе синхросигнала С появится фронт, т.е. сначала подаётся сигнал сброса R, а потом синхросигнал С сбрасывает триггер.
Синхронный CRS -триггер, схема которого дана на рис. 11.5, можно преобразовать в асинхронный, если на синхровход С подать единичный потенциал на всё время работы.
11.1.3. D -триггер
D-триггер или триггер-задержка (названный так от английского Delay – задержка) – элементарный конечный автомат, который имеет один информационный вход D и вход синхросигнала С. D -триггер является синхронным триггером. D -вход подготавливает триггер к срабатыванию, а собственно срабатывание осуществляется фронтом синхросигнала С, т.е. фронтом С триггер копирует состояние входа D.
D -триггер, как и любой синхронный, имеет два вида запуска: раздельный и счётный.
В раздельном запуске D -вход подключён к какому-то внешнему устройству, а в счётном – к инверсному выходу именно этого триггера.
Наличие лишь одного информационного входа D является преимуществом D -триггера по сравнению с двухвходовыми триггерами, так как в нем уменьшается количество межкаскадных связей.
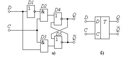
Схема D -триггера и его условное обозначение даны на рис. 11.7.
Здесь организация D - и С -входов осуществляется соответственно на инверторе D1 и схемах 2И (D2 и D3). Схемы 2ИЛИ (D4 и D5) образуют RS -триггер.
Закон функционирования D -триггера дан в таблице переходов (табл. 11.7). Из этой таблицы видно, что и при С = 0, и при С = 1 триггер сохраняет своё предыдущее состояние, т.е. сохраняет предыдущую информацию.

Рисунок 11.7 – D -триггер: а) схема; б) условное обозначение
Срабатывает же триггер от фронта синхросигнала С, когда его уровень меняется от 0 до 1 (“
”).
D -триггер не воспринимает состояние входа D при постоянных сигналах
С = 0 и С = 1, а также при срезе, когда синхросигнал С меняется от 1 до 0.
Рисунок 11.8 – Временная диаграмма работы D -триггера в раздельном запуске |
В отсутствие синхроимпульсов на входе С триггер находится в состоянии хранения информации Qn и на изменение сигнала D -входа не реагирует. Последнее обусловливает высокую помехоустойчивость триггера по информационному входу D.
D -триггер в раздельном запуске работает следующим образом.
Пусть до момента t 1 (рис. 11.8) триггер был сброшен (Q n = 0). При D = 0 на выходе инвертора D1 (см. рис. 11.7) действует логическая единица, которая подготавливает к срабатыванию схему 2И (D2).
Если С = 0, то схемы 2И (D2 и D3) заперты и могут срабатывать лишь в моменты t 1, t 2, t 3 и т.д., когда на С -вход поступят фронты (рис. 11.8).
В момент t 1 с поступлением фронта С на выходе D2 действует логическая единица, устанавливающая на выходе D4 нуль (Q = 0). При этом на входах и выходе D3 нули, поэтому состояние D5 не изменяется. Тогда Q = 0, а
= 1, т.е. триггер находится в нулевом состоянии.
Так информационный вход D = 0 сбрасывает триггер (Q = 0) только с поступлением фронта С. (В момент t 1 нулевое состояние триггера сохраняется).
Пусть в момент t 2 на вход D поступил единичный сигнал (D = 1). Триггер на него не реагирует, так как в момент t 2 состояние С = 0 запирает схемы 2И (D2 и D3). На их выходах нули, которые не меняют состояний D4 и D5.
При этом входом D = 1 схема D3 подготовлена к срабатыванию и в момент t 3 фронтом С на её выходе устанавливается единица, которая схемой D5 обеспечивает
= 0. Тогда на обоих входах D4 логические нули, поэтому Q = 1. Итак, при D = 1 с поступлением фронта С триггер переходит в единичное состояние Q = 1;
= 0, т.е. взводится. Так информационный вход D = 1 взводит триггер (Q = 1) только с поступлением фронта С.
Таким образом, для записи в D -триггер логического нуля следует на D -вход подвести нуль и подать на С -вход фронт. Для записи логической единицы необходимо к D -входу подвести единицу и подать фронт на С -вход.
Следует отметить, что для работы D -триггера в раздельном запуске необходимо обеспечить временную очерёдность подачи сигналов на входы триггера. Чтобы состояние входа D копировалось без ошибок, необходимо устанавливать уровни на входе D до подачи фронта синхроимпульса С.
Это означает, что все изменения состояния D -входа вместе с переходными процессами должны закончиться за некоторое время до прихода фронта синхроимпульса С. Это время носит название временной подготовки. Поэтому все изменения уровней на входах триггера можно начинать не ранее окончания этого времени.
11.1.4. D -триггер со счетным запуском
Рассмотрим счётный запуск D -триггера.
В счётном запуске D -триггер изменяет своё состояние на противоположное, когда на вход синхросигнала С приходит фронт очередного импульса.
Это осуществляется соединением входа D с инверсным выходом
.
Схема D -триггера со счётным запуском и временная диаграмма его работы (см. рис. 11.9).

Рисунок 11.9 – D -триггер со счетным запуском: а) схема; б) временная диаграмма работы
D -триггер со счётным запуском работает следующим образом.
Пусть до момента t 1 триггер пребывал в нулевом состоянии (Q = 0,
= 1). Поскольку вход D закорочен с инверсным выходом
, то в нулевом состоянии триггера D =
= 1, т.е. состояние входа D единично и подготавливает триггер к взводу. В момент t 1 фронтом импульса С триггер взводится (Q = 1,
= 0).
Начиная с момента t 1 триггер в единичном состоянии, поэтому D = 0, т.е. состояние входа D нулевое и подготавливает триггер к сбросу фронтом импульса С в момент t 2 и т.д.
Из диаграммы работы видно, что в счётном запуске с каждым импульсом на синхровходе С триггер изменяет своё состояние на противоположное.
Результатом работы D -триггера со счётным запуском является следующее:
– деление частоты следования входных импульсов С на два;
– обеспечение скважности выходных импульсов, равной двум.
Деление частоты на два видно из диаграммы работы, так как период выходных импульсов Q вдвое больше периода входных импульсов С.
Обеспечение же скважности два объясняется следующим. Скважность импульсов равна отношению их периода T к длительности импульсов ti:
N =
. (11.1)
Как видно из диаграммы, длительности импульсов ti сохраняется даже тогда, когда скважность импульсов С отличается от двух (момент t 3). Поэтому скважность выходных импульсов триггера со счётным запуском, равная двум, гарантирована.
Рисунок 11.3 – Временная диаграмма работы асинхронного RS -триггера
Рисунок 11.4 – Асинхронный RS -триггер на элементах 2И-НЕ
Рисунок 11.6 – Временная диаграмма работы СRS -триггера
Рисунок 11.8 – Временная диаграмма работы D -триггера в раздельном запуске 





