Узел воротника обычно состоит из деталей нижнего воротника, верхнего и прокладок. В зависимости от вида изделия и принятых методов обработки построение лекал деталей воротников может быть различным. Особенно это характерно для деталей воротников пиджачного типа.
Чертеж лекала нижнего воротника этого варианта строится, копируя контуры воротника с чертежа модельной конструкции изделия. По срезу втачивания его в горловину изделия, дается припуск 1,0 см и ставится монтажная надсечка, соответствующую плечевому шву изделия. Иногда проектируется посадка воротника по линии втачивания его в горловину, примерно, 0,3 ÷ 0,4 см, которая распределяется равномерно по обе стороны от надсечки.
По линям отлета и концам нижнего воротника даются припуски на шов обтачивания, которые составляют 0,5 ÷ 0,7 см в зависимости от вида изделия и кривизны этих линий (средний припуск 0,7 см).
Аналогичные припуски на шов втачивания и на обтачивания воротника по концам и отлету даются при построении нижних воротников других видов.
На нижнем воротнике допускаются 2 или 4 надставки. Минимальная величина надставки по шву горловины 6.0 см.
Лекало верхнего воротника строится на основе лекал нижнего воротника. Дополнительные припуски даются по следующим срезам:
· по срезу втачивания воротника в горловину в стояче-отложных воротниках дается припуск на облегание линии перегиба стойки. Он равен 0,2÷0,5 см в зависимости от толщины материалов;
· по срезам отлета и концам воротника в уголках даются дополнительные припуски на посадку и огибание верхним воротником нижнего. Этот припуск составляет 0,3÷ 0.5 см;
· припуск на кант со стороны верхнего воротника дается также по срезам отлета и концам. Его величина зависит от толщины материала (0,2÷0,4см).
На рисунке 12.5 приведены чертежи лекал нижнего и верхнего воротников различных вариантов.

Рисунок 12.5 – Варианты построения и оформления лекал нижних и верхних воротников: а- пиджачного типа; б – стояче-отложного
Размеры и форма производных деталей карманов зависят от вида кармана, способов обработки и применяемого оборудования.
Конструктивные параметры деталей карманов для некоторых видов классических изделий унифицированы с учетом групп размеров. При построении отдельных деталей, входящих в узел кармана используют унифицированные длины входа в карман и ширину клапана. Некоторые из этих данных представлены в таблице 12.4.
Таблица 12.4 – Рекомендуемые величины входа в карманы в женских изделиях
| Вид кармана | Величина по группам размеров, в см | |
| 88-104 | 108-128 | |
| Жакет, брюки | ||
| Прорезной горизонтальный | 16,0 | 17,0 |
| Прорезной наклонный | 16,5 | 17,5 |
| Вертикальный | 16,5 | 17,5 |
| Верхний карман с листочкой | 10,5 | 11,5 |
| Накладной верхний карман | 12,5х14,0 | 13,0х14,5 |
| Накладной боковой карман | 18,0х20,0 | 19,0х21,0 |
| Боковой наклонный и вертикальный карманы брюк | 17,0 | 18,0 |
| Горизонтальный карман брюк | 15,0 | 16,0 |
Величина входа в карманы пальто на 1,0 см больше, чем жакета. Кроме использования готовых унифицированных параметров возможно построение деталей карманов по чертежу модельной конструкции.
Для построения чертежа лекала клапана по данным таблицы 12.4 определяют его длину и ширину в готовом виде. Угол наклона клапана к вертикали определяется на чертеже модельной конструкции изделия и соответствует углу наклона разреза кармана. Для горизонтального кармана линия входа в карман должна быть параллельна линии низа изделия. Боковые передние стороны клапанов и накладных карманов должны быть параллельны линии полузаноса. К контурам деталей клапана даются следующие технологические припуски:
· в уголках клапана на посадку 0.1 см;
· швы обтачивания клапана и накладного кармана подкладкой 0,7 см;
· по боковым и нижним срезам на кант 0.2 см;
· по верхнему срезу на шов притачивания 1.0 ÷1.5 см.
По срезу притачивания клапана к полочке ставится ориентировочная надсечка (для распознавания левого и правого клапана), которая располагается ближе к переднему краю клапана.
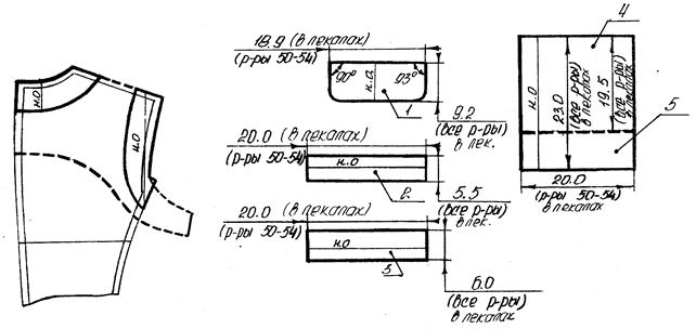
Обтачки прорезных карманов имеют форму прямоугольника, длина которого на 3.0 ÷ 4.0 см больше длины входа в карман. Параметры некоторых деталей бокового прорезного кармана с клапаном для женского пальто представлены на рисунке 6.
К лекалам производных деталей из основной ткани относятся также обтачки, которые используются для обработки различных срезов, а также узла прорезного кармана.
Построение обтачек срезов ведется на основе лекал обтачиваемых деталей. Их ширина устанавливается с учетом вида изделия, модели и методов обработки. На рисунке 12.6 приведено построение и оформление некоторых вариантов обтачек проймы и горловины спинки. Направление нити основы на обтачках совпадает с направлением нити основы в обтачиваемых деталях.

Рисунок 12.6 – Примеры построения лекал производных деталей: а – обтачки горловины и проймы спинки; б - варианты обтачек и подзора боковых прорезных карманов женского пальто






