Руководящие документы по Ростехнадзору и охране труда
Приложение
1. Федеральный закон «О промышленной безопасности опасных производственных объектов» от 21.07.97. № 116 – ФЗ
2. ПБ 10-574 -03.»Правила устройства и безопасной эксплуатации паровых и водогрейных котлов».
3. «Правила устройства и безопасной эксплуатации паровых котлов с давлением пара не более 0,07 МПа (0,7 кгс / см2), водогрейных котлов и водоподогревателей с температурой нагрева воды не выше 388 К (115 0С)». Контроль за соблюдением правил эксплуатации таких котлов возложен на Федеральную инспекцию труда.
4. ПБ 12 – 529 – 03. «Правилами безопасности систем газораспределения и газопотребления» (
5. Правила организации и осуществления производственного контроля за соблюдением требований промышленной безопасности на опасном производственном объекте» (утв. постановлением Правительством РФ от 10. 03.99 № 263)
6.ПБ 10-573-03. «Правила устройства и безопасной эксплуатации трубопроводов пара и горячей воды»
7. СНиП II –35 – 76 «Котельные установки»(с изменениями от 01. 01. 1978 г)
8. РД -10- 94. Типовые технические условия на ремонт паровых и водогрейных котлов промышленной энергетики. Утв. ГГТН в 1994 г.
9. РД – 34.17.435 – 95. «Методические указания о техническом диагностировании котлов с рабочим давлением до 4,0 МПа»
10. РД-10-165-97. Методические указания по надзору за водно-химическим режимом паровых и водогрейных котлов.
11. РТМ 108 030 114-77. Котлы паровые стационарные низкого и среднего давления. Организация водно-химического режима.
12.РТМ 24. О30. 24-72. Котлы паровые низкого и среднего давления. Организация и методы химического контроля за водно-химическим режимом.
13. РД-10-178-98. Методические указания по разработке инструкций и режимных карт при эксплуатации установок докотловой воды и ведению водно-химического режима котлов.
13. ОК 016 – 94. Общероссийский классификатор профессий рабочих, должностей служащих и тарифных разрядов
14 РД 10-319-99. «Типовая инструкция по безопасному ведению работ для персонала котельных»
15. РД 10-304-99. «Типовая инструкция для ответственного за исправное состояние и безопасную эксплуатацию котлов
16. РД 03 -19 – 2007. «Положение об организации работы по подготовке и аттестации специалистов организаций, поднадзорных Федеральной службе по экологическому, технологическому и атомному надзору»» Аттестация руководителей и специалистов – 1 раз в 5 лет, если это не оговорено соответствующими Правилами; аттестация рабочих проводится 1 раз в 12 м- цев.
РД – 03-20-2007. «Положение об организации обучения и проверки знаний рабочих организаций, поднадзорных Федеральной службе по экологическому, технологическому и атомному надзору»
17. РД 10-60-94 Программа повышения квалификации руководящих работников и специалистов, не имеющих теплотехнического образования, назначаемых ответственными за исправное состояние и безопасную эксплуатацию паровых и водогрейных котлов».

Рис. 11. Схемы сепарационных устройств:
а– потолочный дырчатый лист; б – погруженный дырчатый лист; в – жалюзийный сепаратор; г – внутрибарабанный циклон.

Рис. 8. Схема действия естественной тяги:
1 – столб холодного воздуха; 2 – котел; 3 – шибер; 4 – дымовая труба.

Рис. 9. Схемы тяги и дутья с механическими тягодутьевыми устройствами:
а - схема тяги с одним дымососом; б – уравновешенная тяга:
1 – дутьевой вентилятор; 2 – котел: 3 – дымосос; 4 – дымовая труба.

Рис. 62. Тягодутьевая машина.
1 – выход газа; 2 – лопатки осевого направляющего аппарата; 3 – корпус (улита); 4 – диск колеса; 5 – лопатки колеса; 6 – корпус выносного подшипника; 7 соединительная муфта; 8 – электродвигатель.
2Na +R- + Ca+ ® Ca+ R- + 2Na+

Рис.12. Схема использования катионита при умягчении воды:
0 – 1 – слой истощенного катионита; 1 -2 – слой работающего катионита; Na – слой свежего катионита.

Рис. 13. Схема двухступенчатого умягчения воды

Рис.14. Схема двухступенчатого атмосферного деаэратора:
1 – бак-аккумулятор; 2 – рабочая колонка со струйной ступенью; 3 – дырчатые тарелки для образования струй; 4 – труба для подвода пара в барботажное устройство; 5 – подъемная шахта: 6 – дырчатый лист; 7 – паровая коробка; 8 – барботажное устройство.


Рис. 16. Топки с ручным обслуживанием:
а– бесподвальная; б – со шлаковым бункером:
1 – дутьевой канал; 2 – регулирующая заслонка; 3 – зольниковая дверца; 4 – рычаг для прокачки и поворота колосников; 5 – фронт топки; 6 – загрузочная дверца; 7 – топочная камера; 8 – колосники; 9 – подколосниковые балки; 10 – тяга; 11 – вилки; 12 – поддувало (зольник); 13 – шлаковый бункер; 14 – шлаковый затвор.

Рис. 17. Топка с цепной решеткой:
а- устройство топки; б – пластинчатые колосники; в – чешуйчатые колосники:
1 – шлаковая шахта; 2 – забрасыватель топлива; 3 – ведущий вал; 4 – полотно решетки; 5 – дутьевые каналы; 6 – ведомый вал; рама решетки.


Рис.18. Подовая горелка:
1 – решетка; 2 – огнеупорный под; 3 – каналы; 4 – трубы горелки

Рис.20. Смесительная горелка с принудительной подачей воздуха

Рис. 21. Паровая форсунка типа ФП:
3 – корпус; 4 – внутренняя труба; 5 – сопло; 6 – диффузор; 7 - насадок

Рис. 22 Центробежная форсунка:
1 – корпус; 2 – ствол; 3 – наконечник; 4 – распределительный диск; 5 – завихривающий диск; 6 – сопло.

Рис. 23. Схема паромеханической форсунки (фрагмент):
2 – ствол форсунки; 3 – наконечник; 4 и 5– распределительный и завихривающий диски; 6 – сопло; 7 – канал для мазута; 8 – канал для пара; 9 – паровой завихритель; 10 – насадок.

Рис. 24. Ротационная газомазутная горелка:
1 – форсунка; 2 – распыливающий стакан, 3 – полый вал; 4 – вентилятор первичного воздуха; 5 – шибер на воздуховоде вторичного воздуха; 6 – клиноременный привод форсунки; 7 – привод топливного насоса; 8 – гляделка; 9 – кольцевой газовый коллектор; питатель.

Рис.25. Газомазутная горелка типа ГМГ:
1 –патрубок подвода первичного воздуха; 2 – паромеханическая форсунка; 3 – центральный воздушный канал; 4 –подвод газа; 5– кольцевая газовая камера; 6 - периферийный канал вторичного воздуха; 7,8 - лопаточные завихрители; 9–патрубок подвода вторичного воздуха.

Рис. 26. Жидкотопливная горелка фирмы Weishaupt

Рис. 27. Паровой котел Е – 1/9:
1 – рама; 2 – нижний коллектор; 3 – горелочное устройство; 4 – фронтовой коллектор; 5 – верхний коллектор; 6 – огнеупорный кирпич: 7 – тепловая изоляция; 8 – облицовка; 9 – трубы экранов; 10 – газовые перегородки; 11 – верхний барабан; 12 – нижний барабан.

Рис. 28. Паровой котел МЗК-7Ж:
1 – нижняя кольцевая камера; 2 – кипятильные трубы; 3 – окно для выхода газов; 4 – обшивка; 5 – верхняя кольцевая камера; 6 – предохранительные клапаны; 7 – горелочное устройство; 8 –

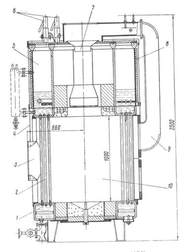
Рис.29. Паровой котел ДКВР - 4-13:
3 – воздуховод; 5 – горелка; 7 – опускная труба; 8 – экранные трубы; 9 – обмуровка; 10 – верхний барабан; 11 – каркас обмуровки; 12, 14 – трубы для подсоединения водоуказательных приборов; 15 – патрубок предохранительного клапана; 17 – патрубок подвода питательной воды; жалюзийный сепаратор; 19 – патрубок отвода пара; 20 – тепловая изоляция барабана; 1 – питательные трубы; 22 – лазовый затвор; 24 – трубы конвективного пучка;25 – чугунная перегородка; 26 – кирпичная перегородка; 27 – камера догорания; 28 – обдувочный аппарат; 30 – труба периодической продувки; 31 – подвижная опора; 32 – дренажная труба; 34 – нижний барабан; 35 – неподвижная опора; 36 – коллектор правого экрана; 37 – опорная рама; 38 – фундамент котла.
Рис. 32. Схемы компоновок водогрейных котлов:
а – горизонтальная; б – П–образная; в – башенная:
1 – коллекторы экранов; 2 – горелочные устройства; 3 – трубы экранов; 4 – топочная камера; 5 – конвективные трубные пакеты.

Рис. 33. Водогрейный котел КВ – ГМ – 10 – 150:
1 – ротационная горелка; 2 – топочная камера; 3 – камера догорания; 4 – дробеструйная установка; 5 – пакеты конвективных поверхностей нагрева; 6 – экранирующие трубы конвективной шахты; 7 – нижний бункер для дроби.

Рис.34. Водогрейный котел ПТВМ-30М:
1 – каркас; 2- газомазутные горелки; 3 – топочная камера; 4 – трубы экранов; 5 – коллекторы; 6 – дробеструйная установка; 7 – обмуровка;8 – поворотная камера;
9 – конвективные пакеты.


Рис. 37. Водогрейный чугунный котел Э5 - Д2:
1 – дутьевой канал; 2 – патрубок воздуховода; 3 – зольниковая дверца; 4 – загрузочная дверца; 5 – передняя дверца; 6 – патрубок для отвода воды; 7 – средние секции; 8 – задняя секция; 9 – патрубок для подвода воды; 10 – шибер; 11 – боров; 12 – фундамент; 13 – зольник; 14 – колосниковая решетка; 15 – дымовые каналы; 16 – обмуровка; 17 – обвязочный каркас; 18 – отверстия для чистки газоходов; 19 – проставка из кирпича.

Рис.38. Чугунный котел «Факел» для сжигания газа и жидкого топлива:
1 – горелочное устройство; 2 – передняя секция; 3 – патрубок для отвода воды; 4 – средние секции; 5 – съемные крышки для чистки газоходов; 6 – задняя секция; 7 – патрубок для отвода газов; 8 – стяжные котлы; 9 – взрывной предохранительный клапан; 10 – патрубок для подвода воды; 11 – металлические пластины; 12 – стойки секций; 13 – топочная камера; 14 – ребра секций; 15 – газоходы с продольны движением газов; 16 – завихрители; 17 - газоходы с поперечным движением газов.

Рис. 40 Схема газотрубного водогрейного котла ВК-22

Рис.41 Газотрубный котел фирмы «Кливер-Брукс» модели «СВ»


Рис. 46. Предохранительные клапаны:
1 – корпус; 2 – седло; 3 – тарелка; 4 – патрубок для отвода пара; 5 – рычаг; 6 – груз; 7 – регулировочный болт; 8 – пружина.

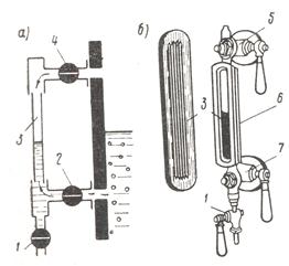
Рис. 47. Водоуказательный прибор:
а– схема действия; б – прибор с плоским рифленым стеклом:
1 – продувочный кран; 2 – водяной кран; 3 – стекло; 4 – паровой кран; 5 – верхняя головка; 6 – оправа; 7 – нижняя головка.

Рис. 52. Трехходовой кран манометра:
1 – фланец контрольного манометра; 2 – пробка крана; 3 – риска; 4 – скоба; 5 – рабочий манометр; 6 – контрольный манометр; 7 – сифонная трубка.

Рис. 53. Тепловая схема котельной со стальными паровыми котлами:
1 – котел; 2 – главный паропровод; 3 – редукционная установка; 4 – пароводяной подогреватель; 5 – охладитель конденсата; 6 – перемычка; 7 – сетевой насос; 8 - конденсатный бак; 9 – конденсатный насос; 10 – подпиточный насос; 11 – деаэратор; 12 – паровой питательный насос; 13 – питательный насос с электроприводом; 14 – охладитель выпара; 15 – охладитель продувочной воды; 16 – ХВО; 17 – подогреватель сырой воды; 18 – продувочный колодец; 19 – насос сырой воды; 20 – сепаратор непрерывной продувки; 21 – экономайзер; 22, 23, 24 - редукционный клапан; 25 – паропровод собственнных нужд.

Рис. 54. Тепловая схема котельной со стальными водогрейными котлами:
1 –котел; 2 – рециркуляционный насос;3 – перемычка; 4 – подающий трубопровод; 5 – обратный трубопровод; 7 – насос сырой воды; 8 – подогреватель; 9 – ХВО; 10 – подогреватель; 11 – деаэратор; 12 – перекачивающий насос; 13 – бак-аккумулятор; 14 – подпиточный насос.

Рис. 55. Схема топливоподачи с ковшовым подъемником:
1 – дробилка; 2 – ковш; 3 – вертикальные направляющие; 4 – горизонтальные направляющие; 5 – опрокидыватели ковша; 10 – лебедка.

Рис.57. Принципиальная циркуляционная схема мазутного хозяйства:
1 – железнодорожная цистерна; 2 – сливной лоток; 3 – приемная емкость; 4 – перекачивающие насосы; 5 – резервуары топливохранилища; 6 – вентиляционные трубы резервуаров; 7 – фильтр грубой очистки; 10 – топливные насосы; 11- перепускная линия; 12- подогреватель; 13 – фильтр тонкой очистки; 14 – напорная магистраль; 15 – обратная магистраль; 16 – перепускные клапаны; 17 – форсунки котлов; 18 - котлы

Рис. 58. Схема газового оборудования котельной:
1 – ввод; 2 – отключающая задвижка; 3 – фильтр; 4 – предохранительный запорный клапан; 5 – регулятор давления; 6 – сбросной предохранительный клапан; 7 – газовый счетчик; 8 – главная магистраль; 9 – клапаны-отсекатели; 10 – контрольные задвижки; 11 – рабочие задвижки; 12 – газовые горелки; 13 – котлы; 14 – продувочный газопровод; 15 – газопровод безопасности.

Рис. 59. Схема скреперного шлакозолоудаления:
1 – канал; 2 – ковш-скрепер; 3 – канаты 4 – наклонная эстакада; 5 – сборный шлаковый бункер; 7 – шлаковые бункеры котлов; 8 – груз натяжной станции.

Рис. 60. Циклоны:
а– одиночный; б- блок циклонов:
1 – цилиндрическая часть корпуса; 2 – коническая часть корпуса, 3 – золовой бункер; 4 – входной патрубок; 5 – выхлопная труба; 6 – выходной патрубок.






