Проблема: т. к. эквалайзеры – это набор фильтров второго и более порядков, то фазовая характеристика у них получается очень неравномерной, а переходная характеристика очень плохой
для оперативной регулировки тембра эквалайзеры не подходят.
В основном эквалайзеры делаются на основе регулируемых полосовых фильтров (ПФ) восьго порядка:
Корректор Боде:

– добротность фильтра, где
– центральная частота;
– полоса пропускания фильтра.
АЧХ фильтра Чебышева
Такой корректор имеет достаточно хорошую фазовую характеристику, но
малое (больше 12 дБ не получается).
Обязательно должно быть перекрытие по частоте:

Фильтры бывают октавные и треть-октавные (эквалайзеры). Октавный эквалайзер имеет 10 полос. Треть-октавный эквалайзер имеет в 3 раза больше (используется в профессиональной аппаратуре).
Октава – когда частота изменяется в 2 раза.
Для треть-октавных фильтров необходима высокая добротность т. е. фильтры более чем 2-го порядка.
Такие схемы реализуются на трех или четырех операционных усилителях (ОУ).
|
|
|
Электрические фильтры (фильтры Чебышева или инверсный Чебышева):

Данные фильтры имеют сложную ФЧХ (могут вносить большие фазовые искажения, заметные на слух).

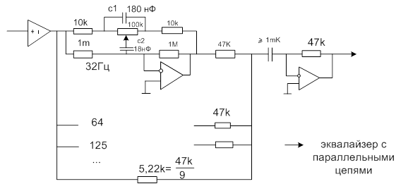
На рисунке представлен десяти полосный эквалайзер.
| | |
| 32 Гц | 180 нФ | 18 нФ |
| 64 Гц | 100 нФ | 10 нФ |
| 125 Гц | 47 нФ | 4,7 нФ |
| 250 Гц | 72 нФ | 2,2 нФ |
| 500 Гц | 12 нФ | 1,2 нФ |
| 1 кГц | 5,6 нФ | 560 пФ |
| 2 кГц | 2,7 нФ | 270 пФ |
| 4 кГц | 1,5 нФ | 150 пФ |
| 8 кГц | 680 пФ | 68 пФ |
| 15 кГц | 390 пФ | 39 пФ |
Недостатки: относительно других схем: шумы отдельных каналов суммируются.
Существует много разновидностей схемных решений эквалайзеров. Схемы на –фильтрах плохо работают на НЧ и ВЧ (на НЧ возникает очень высокая индуктивность; на ВЧ трудно осуществить резонанс для взаимных емкостей);
Существуют схемы на гираторах (электронных индуктивностях) – позволяют избавиться от недостатков обычных индуктивностей (обычная емкость переводится в отрицательную емкость).
Несмотря на это переходная характеристика в случае сложной АЧХ бывает непредсказуемой.
Для всех эквалайзеров при глубоком регулировании АЧХ характерны существенные (большие) фазовые искажения






