Назначение: обеспечить такое регулирование АЧХ усилителя, чтобы компенсировать частотные искажения, вызванные несовершенством акустических систем; или сформировать АЧХ под конкретную фонограмму с учетом акустических свойств помещения и дефектов записи фонограммы, и тем самым восстановить естественный (либо желаемый) тембр звучания.
В устройствах высокого качества звучания коррекция АЧХ для уменьшения ее искажений акустическими системами или помещениями часто осуществляют эквалайзерами.
Такая коррекция проводится один раз для определенных условий прослушивания.
В дальнейшем настройка эквалайзера не меняется, а коррекция тембра под разные фонограммы осуществляется обычными регуляторами тембра.
Поэтому эквалайзер – отдельное устройство (в отдельном корпусе), а в усилителях мощности есть регуляторы тембра.
3. Методы регулировки АЧХ

1. Классический метод Баксандалла:
– регулируются характеристики ВЧ и НЧ – звука; нельзя менять уровни сигналов только на нужных частотах;
|
|
|
– трудно повторить найденную ранее форму АЧХ;
– частоты перегиба устанавливаются подбором величин элементов при изготовлении и далее не меняются;
2. Графический эквалайзер:
– диапазон частот разбивается на 5,12 и более полос (октавных диапазонов), усиление в которых устанавливаются отдельно высокоточными ползунковыми – переменными резисторами;
– при применении в схеме –контуров, переходная характеристика оказывается сложной и непредсказуемой (минус данного метода);
– также практически невозможно получить достаточно гладкую АЧХ при ненулевом коэффициенте передачи (минус данного метода);
– также требуется много компонентов (минус данного метода);
3. Регулировка наклона АЧХ:
– при преобладании в фонограмме НЧ или ВЧ составляющих можно устранять искажения АЧХ в большем диапазоне малым количеством регулировок;
4. Ступенчатая регулировка:
– не на много меняется нужный участок АЧХ (
дБ);
– при нескольких независимых регуляторах можно скорректировать общий баланс фонограммы или обеспечить избирательное выравнивание;
5. Многоступенчатая регулировка:
– осуществляется по пункту 4 с большим количеством ступеней;
– АЧХ меняется произвольно в широких пределах, а наличие переключателей позволяет легко запомнить и восстановить потом желаемую АЧХ (плюс данного метода);
– гладкая АЧХ получается только при среднем положении регуляторов (минус данного метода).
Регуляторы тембра (реализация на методе Баксандалла):
Параметры:
1. Диапазон регулировки частот;
2. Пределы регулирования тембра (
дБ);
3. Отношение
(в среднем положении регуляторов);
4.
.

, т.е. в среднем положении регулятора:
(должно быть для возможности подъема АЧХ на данной частоте).
|
|
|
В пассивных регуляторах отношение
ухудшается в несколько раз.
Пассивные регуляторы тембра:

нужно для развязки регуляторов между собой.
Минусы:
– пассивный регулятор вносит ослабления в сигнал в положении 0 дБ;
– нагрузка должна быть высокоомной, иначе
будет шунтировать нагрузку.
Плюсы:
– в схеме отсутствуют нелинейные и фазовые искажения сигналов;
– обходятся без активных элементов.
Видно, что полного усиления и ослабления не происходит. Эта схема применяется в высокочастотных схемах усилителей.
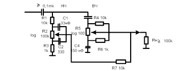
Активные регуляторы тембра:
– цепочка коррекции по входу;
– для развязки регуляторов друг от друга;
(влево) 
(330 нФ) закорочен 
(10 кОм, 330 нФ) – интегральная цепочка
НЧ-регулятор;
Плюсы:
– в данной схеме можно использовать недорогие резисторы с линейной характеристикой;
– не вносятся ослабления в сигнал (т. е. не повышается относительный уровень шума);
– нагрузка может быть относительно низкоомной.
Минусы:
– может вносить нелинейные искажения;
– в области ВЧ могут возникнуть дополнительные фазовые искажения.
Сейчас распространены специализированные ИМС регулирования тембра (громкости) К174УН10.
Параметры регулирования:
В простейших устройствах часто применяют подъем НЧ и ВЧ (часто одновременно), также существует кнопка X-BASS – ступенчатое регулирование НЧ.
Активные регуляторы тембра делаются на основе инвертирующих схем (т.к. не инвертирующий усилитель не может обеспечить
).

– максимальный подъем;
– максимальный спад.
Такие регуляторы слабо влияют на СЧ, поэтому желательно дополнять их регуляторами СЧ.
Минусы:
–
такие регуляторы не позволяют менять АЧХ только очень низких или очень высоких частот;
– при подъеме регуляторами тембра, также немного повышается СЧ (возникают звоны, бубнения).
Если добавить возможность регулирования
и
, то получится параметрический регулятор тембра.
Иногда вводят переключатели частот
и
(частоты перегиба).






