Рис. 27
Рис.25 Рис.26
Параллельный стабилизатор, как правило, не требует дополни-тельного устройства защиты от перегрузки. При увеличении тока нагрузки ток через микросхему уменьшается, а при замыкании выхода становится равным нулю. Превышение выходного напряжения также не создает угрозы для микросхемы, так как при этом лишь несколько увеличивается ее катодный ток, соответственно увеличивается падение напряжения на балластном резисторе.
Из выражения для коэффициента следует, что с увеличением коэффициент стабилизации увеличивается. Однако увеличение требует повышения, но это приводит к увеличению мощности, рассеиваемой на и снижению КПД схемы.
.
На основании закона Кирхгофа в приращениях запишем
,
,
где
,
могут быть определены из соотношений
;
;
.
С учетом этих соотношений выражения для
и
можно представить в виде
;
.
Поставив во второе уравнение значение тока
, получим
.
Зная
, получим выражения для коэффициента стабилизации
, где
.
Если
, то это выражение упрощается
.
Обычно
у ПСНВЭ равен 10÷15.
Для повышения коэффициента стабилизации применяют многокас-кадные схемы ПСН ВЭ.
Коэффициент полезного действия ПСН ВЭ равен
.
КПД ПСН ВЭ, как правило, не превышает (25-35)%.
Преимущества и недостатки ПСН ВЭ.
Малые габариты, простота схемы и надежность являются преимуществами таких стабилизаторов перед компенсационными.
К недостаткам ПСН ВЭ относятся – малый коэффициент стабилизации; небольшая выходная мощность; низкий КПД.
8. МИКРОСХЕМНЫЙ СТАБИЛИЗАТОР НАПРЯЖЕНИЯ типа КР142ЕН19
Микросхема КР142ЕН19 (рис.22 ) представляет собой регулируемый параллельный стабилизатор напряжения – интегральный аналог стабилит-рона – и предназначена для использования в блоках питания и других узлах высококачественной аппаратуры широкого применения в качестве источника образцового напряжения (ИОН), регулируемого стабилитрона. Микросхема КР142ЕН19превосходит стабилитроны по многим параметрам. Во–первых, она способна формировать регулируемое образцовое напряжение, во–вторых, меньшее, чем у низковольтных стабилитронов. В–третьих, микросхема обладает лучшими стабилизирующими качествами [83].
Приборы изготовлены по планарно-эпитаксиальной технологии с изоляцией p–n переходом. Оформлены они в пластмассовом корпусе КТ–26 (рис. 22) с тремя жесткими выводами прямоугольного сечения.


рис. 22 Рис. 2 3
Масса прибора не более 0,5 г. Ближайшая к КР142ЕН19 по характеристикам зарубежная микросхема ТL431.
Цоколевка микросхемы: выв. 2 – анод, выв. 8 – катод, выв.17 – вход управляющего сигнала (с делителя напряжения измерительного элемента).
Приборы рассчитаны на длительную эксплуатацию при температуре окружающей среды –10...70 оС. Минимальная наработка на отказ – 50000 ч.
Упрощенно функциональная схема прибора показана нарис. 23.
Микросхема содержит внутренний источник образцового напряжения Uобр.вн, определяющий ее минимальное выходное напряжение. Реально микросхема сохраняет работоспособность и обеспечивает заданные параметры при напряжении на аноде не ниже, чем на управляющем входе.
Электрические характеристики при Токр.ср = 25 оС
Минимальное выходное напряжение В, при соединенных аноде и управляю-щем входе (равное Uобр.вн) и катодном токе через ИС10 мА.......2,44..2,55
Ток входа управления, мкА, не более при катодном токе через микросхему, ………………………………………………………………………10 мА..5.
Динамическое сопротивление, Ом, не более, при минимальном выходном напряжении и катодном токе через микросхему, 10 мА..............0,5
Нестабильность выходного напряжения по управляющему напряжению, %/В, не более................................................................................. 0,12
Предельно допустимые значения параметров
Наибольшее значение между анодом и катодом, В.................... 30
Наибольший анодный ток, мА......................................................................... 100
Наименьший анодный ток, мА.......................................................................... 1,2
Наибольшая мощность рассеивания, Вт.......................................................... 0,4
Температурный рабочий интервал, оС.................................................... –10..+70
Типовая схема включения микросхемы КР142ЕН19 представлена на рис. 24. Резистор R1 – балластный; критерии его выбора те же, что и при выборе балластного резистора параметрического стабилизатора на стабилитроне.

Рис. 24
Резисторы R2и R3 образуют делитель напряжения измерительного элемента. Выходное напряжение Uвых и сопротивление резисторов R2 и R3 связаны соотношениями:
Uвых=(1+R2/R3)Uобр;Uвых /(R2 + R3)³10 –4 A.
Конденсатор С1 емкостью 0,1...1 мкФ вводят при необходимости – он предупреждает паразитную генерацию на устройстве. Если необходимо плавно регулировать выходное напряжение, резистор R2 выбирают переменным. Наиболее важным параметром микросхемы, работающей в ион, является температурный коэффициент выходного напряжения.
На рис.25 показана типовая температурная зависимость выходного напряжения микросхемы КР142ЕН19, снятая по результатам испытания одной из партий приборов (заштрихованная зона технологического разбро-са).

Для основной массы производимых микросхем температурные изменения выходного напряжения находятся в пределах 2 мВ.
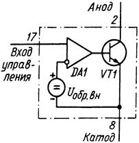
На рис. 26изображена типовая схема включения микросхемы КР142ЕН19 в качестве ИОН для случая, когда Uвых= Uобр.вн.. Как и многие другие стабилизаторы, ИОН на микросхеме КР142ЕН19 тоже можно умощнять. Схема одного из подобных устройств показана на рис. 27.

Резистор R4в этом устройстве – балластный для микросхемы DA1. Общим балластным резистором всего стабилизатора служит резистор R1. Выбор транзистора VT1 определяет требуемый ток нагрузки. Минимальное выходное напряжение умощненного стабилизатора равно3,5 В.
Схема стабилизатора тока, построенного на базе микросхемы КР142ЕН19 показана на рис. 28.

рис. 28
ЗдесьR1 – балластный резистор. Выходной ток стабилизатора определяют выбором сопротивления резистора R2
Iвых = Uобр.вн / R2.
На рис. 29 представлена схема типового последовательного регулируе-мого параметрического стабилизатора напряжения сИОН на микросхеме DA1 КР142ЕН19 и усилителем тока на транзисторе VT1. Переменный резис-тор R2 служит для регулирования выходного напряжения стабилизатора.

рис. 29
Хорошие результаты дает ИОН на микросхеме КР142ЕН19совместно с микросхемными стабилизаторами этой серии. Примером может служить стабилизатор по схеме на рис. 30. Минимальное выходное напряжение здесь Uвых.min > Uобр.вн+5 B.

рис. 30
Такой “тандем” позволяет существенно увеличить коэффициент стабилизации устройства и другие его качественные показатели по сравнению с типовым стабилизатором на микросхеме КР142ЕН5А.
Общие сведения об электрических параметрах и показателях качества выходного напряжения линейных стабилизаторов (ЛСН)
Линейные источники вторичного электропитания (ИВЭП) являются весьма удобным и практичным решением в промышленных и бытовых устройствах. Причины тому: линейные ИВЭП конструктивно достаточно просты и легко настраиваются, они не требуют применения дорогостоящих высоковольтных компонентов и, наконец, они значительно надежнее импульсных ИВЭП [1-26].
Типичный линейный ИВЭП содержит в своем составе: сетевой понижающий трансформатор, диодный мост с фильтром и стабилизатор, который преобразует нестабилизированное напряжение, получаемое со вторичной обмотки трансформатора через диодный мост и фильтр, в выходное стабилизированное напряжение, причем, это выходное напряжение всегда ниже нестабилизированного входного напряжения стабилизатора.
Достигаемые в линейных ИВЭП степень стабилизации и подавление импульсных помех намного превосходят другие схемы ИВЭП.
Основным недостатком линейных ИВЭП является низкий КПД и необходимость резервирования мощности практически во всех элементах устройства (т.е. требуется установка компонентов допускающих большие нагрузки, чем предполагаемые для ИВЭП в целом, например, для ИВЭП мощностью 10 Вт требуется трансформатор мощностью не менее 15 Вт и т.п.). Причиной этого является принцип, по которому функционируют стабилизаторы линейных ИВЭП: сравнение выходного напряжения с некоторым стабилизированным опорным напряжением и управление на основе результатов этого сравнения главным силовым элементом стабилизатора (РУ), одним проходным транзистором VT, работающим в линейном режиме, (но это может быть и группа транзисторов), на котором и рассеивается избыточная мощность.
Чем больше разница между входным и выходным напряжением стабилизатора, тем большую мощность необходимо рассеивать на регулирующем элементе. С другой стороны, чем более нестабильно входное напряжение стабилизатора, и чем больше оно зависит от изменения тока нагрузки, тем более высоким оно должно быть по отношению к выходному напряжению. Таким образом, видно, что стабилизаторы линейных ИВЭП функционируют в достаточно узких рамках допустимых входных напряжений, причем эти рамки еще сужаются при предъявлении жестких требований к КПД устройства.
В настоящее время в качестве источников питания различных устройств применяются линейные ИВЭП на основе микросхем линейных стабилизаторов серии К(КР)142ЕН. Они обладают очень хорошими параметрами, имеют встроенные цепи защиты от перегрузок, цепи термокомпенсации и т.п., легко доступны и просты в применении (большинство стабилизаторов этой серии полностью реализованы внутри ИС, которые имеют всего три вывода). Однако, при конструировании линейных ИВЭП большой мощности (25-100 Вт), требуется более тонкий подход, а именно: применение специальных трансформаторов с броневыми сердечниками (имеющих больший КДП), прямое использование только интегральных стабилизаторов невозможно ввиду недостаточной их мощности, т.е. нужны дополнительные силовые компоненты и, как следствие, дополнительные цепочки защиты от перегрузки, перегрева и перенапряжения. Такие ИВЭП выделяют много тепла, предполагают установку многих компонентов на больших радиаторах и, соответственно, достаточно габаритны; для достижения высокого коэффициента стабилизации выходного напряжения требуются специальные схемные решения.
Средства вторичного электропитания должны жестко соответствовать определенным требованиям, которые определяются как требованиями к самой аппаратуре в целом, так и условиями, предъявляемыми к источникам питания и их работе в составе данной аппаратуры. Любой из параметров ИВЭП, выходящий за границы допустимых требований, вносит диссонанс в работу устройства. Поэтому, прежде чем начинать разработку ИВЭП к предполагаемой конструкции, нужно внимательно проанализировать все имеющиеся варианты и выбрать такой ИВЭП, который будет максимально соответствовать всем требованиям и возможностям.
9.1.Основные показатели линейных стабилизаторов напряжения
интегральные стабилизаторы напряжения характеризуются рядом электрических параметров, основные из которых следующие:
· максимально и минимально допустимое входное напряжение Uвх , В;
· максимально и минимально допустимое выходное напряжение UН =Uвых , В;
· максимально допустимый выходной ток IН= Iвых при температуре корпуса (Tкорп ) от –20 до +100 оС;
· Iп – ток потерь – максимальный ток, который потребляет стабилизатор в режиме холостого хода;
· рассеиваемая мощность Ррас , Вт, при Ткорп = 25 оС, а также максимальная рассеиваемая мощность Рmax , Вт, при Ткорп = +125 оС;
· минимальное падение напряжения на регулирующем элементе микросхемы, Uпд, В – это наименьшее значение разности между нестаби-лизированным напряжением Uвх и стабилизированным UН =Uвых, при кото-ром стабилизатор обеспечивает паспортную стабильность выходного напряжения; минимально допустимое напряжение зависит от выходного тока, температуры окружающей среды и значения переменной составляющей входного напряжения.
Показатели качества выходного напряжения ЛСН.
1. Нестабильность напряжения на нагрузке по входному напряжению, по току нагрузки и по температуре окружающей среды:
1.1. Нестабильность по входному напряжению
.
Нестабильность выходного напряжения из-за изменения входного
,
где
и
- абсолютная величина изменения входного и выходного напряжения соответственно; KU, %/B - справочная величина для ИС.
Коэффициент стабилизации по напряжению (по определению)
.
1.2. Нестабильность по току KI.
Этот показатель определяют при изменении выходного тока от 0 до максимально допустимого значения
,
где
.
Если размерность коэффициента
, то
.
1.3. Нестабильность выходного напряжения по температуре окружающей среды
,
где относительный температурный коэффициент выходного напряжения
, % / oC - справочная величина для ИС.
Здесь
,
где
– значение выходного напряжения при минимальной температуре Т 1;
- значение выходного напряжения при максимальной температуре T 2.
1.4. Суммарное изменение выходного напряжения

или 
Здесь, например, для ИС К142ЕН3 (при температуре +25 o С): нестабильность по напряжению KU £ 0,05 %/ B; температурный коэффициент напряжения
£ 0,01 %/oC;
- изменение температуры окружаю щей среды от T 2 до Т 1; нестабильность напряжения по току KI = 0,25 % (при U вх = 19 В, U вых = 15 В, изменении тока I вых от 0 до 1 А); K уст - погрешность установки U н в процентах;
,
;
.
2. Внутреннее (выходное) сопротивление НСН
.
Если коэффициент по току имеет размерность %/ А, то
.
3. Коэффициент сглаживания.
коэффициент сглаживания пульсаций – отношение переменной составляющей входного напряжения U ~вх и переменной составляющей выходного напряжения U ~вых
Коэффициент сглаживания
выходного напряжения приближенно равен численному значению коэффициента стабилизации К ст.