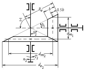
Рис.2.4 | Наибольшее применение в редукторостроении получили прямозубые конические колёса, у которых оси валов пересекаются под углом =90 (рис. 2.4). |
Проектный расчёт. Основной габаритный размер передачи - делительный диаметр колеса по внешнему торцу - рассчитывают по формуле [1]:
,
где Епр - приведённый модуль упругости, для стальных колёс Епр =Естали= =2,1105 МПа;
T2 - вращающий момент на валу колеса, Нмм (см.п.2.3);
KH - коэффициент неравномерности распределения нагрузки по длине зуба, определяют по графикам на рис. 2.5.
Здесь Кbe - коэффициент ширины зубчатого венца относительно внешнего конусного расстояния,
. Рекомендуют принять Кbe 0,3. Меньшие значения назначают для неприрабатываемых зубчатых колёс, когда H1 и H2 > 350 HB или V > 15 м/с.
Рис. 2.5
Наиболее распространено в редукторостроении значение Кbe = 0,285, тогда предыдущее выражение для определения делительного диаметра по внешнему торцу колеса принимает вид
,
где up – расчетное передаточное число конической передачи.
Геометрический расчёт. Определяют диаметр шестерни по внешнему торцу
.
Число зубьев шестерни
назначают по рекомендациям, представленным на рис. 2.6.
По значению
определяют число зубьев шестерни:
при Н1 и Н2 350 HB,
при Н1 45 HRC и Н2 350 HB,
при Н1 и Н2 45 HRC.
Вычисленное значение z1 округляют до целого числа.

Рис.2.6
Определяют число зубьев колеса
.
Вычисленное значение
округляют до целого числа. После этого необходимо уточнить:
- передаточное число передачи
,
- угол делительного конуса колеса
,
- угол делительного конуса шестерни
,
- внешний окружной модуль
.
Рекомендуется округлить
до стандартного значения
по ряду модулей: 1,5; 2; 2,5; 3; 4; 5; 6; 8; 10. После этого уточняют величины диаметров
и
.
Рассчитывают величину внешнего конусного расстояния передачи (рис.2.4)
.
Рабочая ширина зубчатого венца колеса
.
Полученное значение
округляют до ближайшего из ряда нормальных линейных размеров (табл. 2.5).
Определяют расчётный модуль зацепления в среднем сечении зуба
.
При этом найденное значение
не округляют!
Рассчитывают внешнюю высоту головки зуба
.
Внешнюю высоту ножки зуба определяют как
.
Внешний диаметр вершин зубьев колёс рассчитывают по формуле
.
Угол ножки зуба рассчитывают по формуле
.
Проверочный расчёт. При расчёте на выносливость зубьев колёс по контактным напряжениям проверяют выполнение условия
,
где Eпр -приведённый модуль упругости, для стальных колёс Eпр = Eстали = =2,1105 МПа;
- вращающий момент на шестерне, Нмм,
;
здесь
- кпд передачи.
- коэффициент расчётной нагрузки,
; коэффициент концентрации нагрузки
найден ранее по графикам рис.2.5.
- коэффициент динамической нагрузки, находят по табл. 2.7 с понижением на одну степень точности против фактической, назначенной по окружной скорости
в соответствии с рекомендациями (табл.2.6);
- делительный диаметр шестерни в среднем сечении зуба,
;
- угол зацепления,
=20.
Далее проверяют зубья колёс на выносливость по напряжениям изгиба по формулам [1]:
и
,
где
- окружное усилие в зацеплении, Н,
;
- коэффициент расчётной нагрузки,
. Здесь
, а
определяют по табл. 2.7 с понижением точности на одну степень против фактической.
- коэффициент формы зуба соответственно шестерни и колеса, находят по табл. 2.9 в зависимости от эквивалентного числа зубьев колёс
.
Рис.2.4