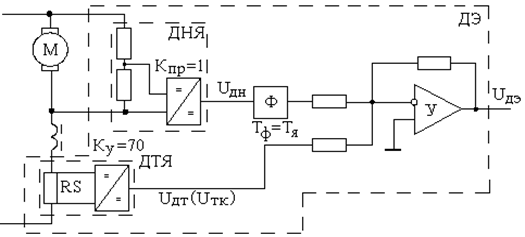
Датчик ЭДС с применением ДН и ДТ представлен на рисунке 3.78, где приняты обозначения: Ф – фильтр; Uтк – сигнал токовой компенсации.
Рисунок 3.78 |
Передаточная функция датчика напряжения
.
В соответствии со схемой замещения цепи, представленной на рисунке 3.79, можно записать уравнения
;
Рисунок 3.79 |
Необходимость включения фильтра на выходе ДН вызвана тем, чтобы исключить из выходного сигнала датчика составляющую пропорциональную падению напряжения на индуктивности Lя, в независимости от источника. В этом случае для получения на выходе усилителя сигнала датчика ЭДС необходимо из сигнала на выходе фильтра вычесть сигнал токовой компенсации Uтк º i×Rя.
;
,
где Тф = Тяц = Lяц / Rяц – постоянная времени того участка цепи, к которому подключен ДН.
Рисунок 3.78
Рисунок 3.79 





