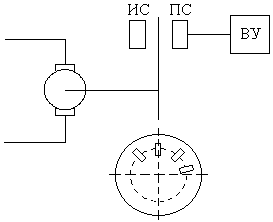
Импульсный датчик скорости (рисунок 3.74)
Датчик скорости на базе тахогенератора переменного тока
Рисунок 3.73 |
Датчик скорости на базе тахогенератора переменного тока представлен на рисунке 3.73.
Применяется только в нереверсивном электроприводе.
На рисунке 3.74 приняты обозначения: ВУ – вычислительное устройство; ИС – источник света (светодиодные излучатели); ПС – приемник света.
Источники света имеют невидимый спектр излучения. Количество отверстий на диске 600, 3000, 6000.
Для получения информации о направлении вращения на диске делают еще ряд перфораций, сдвинутых в пространстве на 90°, и по фазе определяют направление вращения. Тогда нужно иметь второй источник и соответственно приемник света (см. рисунок 3.75).
Рисунок 3.74 Рисунок 3.75 |
Датчики ЭДС применяются в системах ЭП для контроля скорости вращения с определенной точностью. Применяются в системах ЭП с диапазоном регулирования Д = 1¸40 только с однозонным регулированием скорости, т.к. при Фдв = const Е º W.
Рисунок 3.73
Рисунок 3.74 Рисунок 3.75 





