Рис.5.14.
Рис.5.12.
Увеличивая число диодных цепочек можно получить вольт-амперную характеристику близкую к гладкой кривой характеристики.
Погрешность преобразования схемы такого типа определяется в основном нестабильностью характеристик диодов и сопротивлений резисторов и составляет 2,5 – 5%. Частотный диапазон составляет 30Гц-1МГц.
Термопреобразователь (ТП) состоит из подогревателя (П), нагрев которого вызывается действием измеряемого Ix тока, и термочувствительного элемента, который изменяет свои выходные параметры пропорционально степени нагрева подогревателя. В качестве термочувствительных элементов используются термопары и терморезисторы.
На рис.5.13 показано устройство термопреобразователя на основе использования термопары Т. Элементы термопреобразователя помещены в стеклянную колбу наполненную инертными газом.
![]() |
Рис.5.13.
Процесс преобразования измеряемого тока Ix, подводимого к подогревателю, можно представить следующей последующей цепью преобразований:
|
|
|
Ix 
Dq
EТП
Iвых 
где Ix = Iвх - измеряемый ток,
P = Ix2 Rп – мощность, выделяемая сопротивлением Rп, в подогревателе.
D q - приращение температуры подогревателя, вызванное действием тока Ix,
EТП - ЭДС термопары, пропорциональная величине D q,
Iвых = Iип = EТП/R– ток измерительного прибора магнитоэлектрической системы.
a - отклонение стрелки измерительного прибора.
Таким образом, принцип действия термопреобразователя основан на квадратичной зависимости Iвых = F (Ix2) или Iвых = F (Ux2)
![]() |
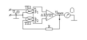
Структурная схема вольтметра с термопреобразователем на основе термопары и обратной связью показана на рис.5.14
В цепь обратной связи УПТ включен ТП2, через подогреватель которого проходит ток Iвых, определяемый напряжением Uвых. Выходной величиной ТП2 является термо ЭДС Е2. Термо ЭДС Е1 и Е2 включены встречно и на вход УПТ поступает напряжение D Е.
Погрешность вольтметра определяется нестабильностью характеристик термопреобразователей и малой их чувствительностью при малых значениях входного напряжения и составляет 1,5 – 4%. Частотный диапазон вольтметра составляет от 20Гц до 10МГц.
Контрольные вопросы:
- Укажите достоинства аналоговых электронных вольтметров (ЭВ).
- Укажите типы ЭВ.
- По каким структурным схемам выполняются ЭВ постоянного и переменного тока.
- Укажите достоинства ЭВ постоянного тока, выполненного на основе дифференциального усилителя.
- Укажите достоинства ЭВ постоянного тока, выполненного на основе автокомпенсатора постоянного тока.
- Поясните принцип действия ЭВ средневыпрямленных значений.
- Почему необходимо производить перерасчёт показаний ЭВ средневыпрямленных значений при измерении напряжений несинусоидальной формы и как произвести перерасчёт?
- По какой структурной схеме выполняются ЭВ среднеквадратичных значений?
- Какие устройства используются в качестве квадратов в ЭВ среднеквадратичных значений?
- Объясните принцип действия ЭВ среднеквадратичных значений с термопреобразователем.
- Объясните принцип действия ЭВ средневыпрямленных значений с двухполупериодным выпрямлением и отрицательной обратной связью.
- Объясните принцип действия ЭВ пиковых значений.
|
|
|
Определение: электронно-лучевой осциллограф (ЭО) – средство измерения, предназначенное для визуального наблюдение электрических сигналов и измерение их параметров с помощью электронно-лучевой трубки (ЭЛТ).
С помощью осциллографа можно измерять напряжения, ток, длительность импульсов, частоту и фазу электрических сигналов, амплитудно-частотные характеристики, временные функциональные зависимости различной физической природы, спектральные характеристики и др.
Достоинства ЭО:
- высокая чувствительность, что дает возможность исследовать малые напряжения (мкВ),
- большое входное сопротивление Rвх=106 Ом, что дает возможность исследовать сигналы малой мощности,
- малая входная емкость Cвх=30-50 пФ,
- универсальность.
Разновидности ЭО:
- однолучевые,
- двухлучевые и двухканальные,
- многолучевые (до 5 каналов),
- скоростные,
- запоминающие,
- цифровые.
Классификация по ГОСТу (приборы группы C для наблюдения, измерения и исследования формы сигналов и спектра):
C1 – универсальные,
С7 – стробоскопические и скоростные,
С8 – запоминающие,
С9 – цифровые (с матричной индикацией).
Обобщенная функциональная схема электронного осциллографа.
Схема представлена далее на рис.6.1. Из неё следует, что электронный осциллограф имеет три входа Y, X и Z и состоит из основных узлов:
- канала вертикального отклонения луча – канал Y,
- канала горизонтального отклонения луча – канал X,
- канала управления яркостью луча – канал Z,
- калибратора амплитуды,
- калибратора длительности,
- блока питания,
- электронно-лучевой трубки.
![]() |
Рис. 6.1.
Электронно-лучевая трубка – главный элемент ЭО, определяющий его основные характеристики. В электронных осциллографах используются в основном ЭЛТ с электростатическим управлением электронного луча.
![]() |
Рис. 6.2.
ЭЛТ представляет собой стеклянный баллон с высоким вакуумом (Рис.6.2), внутри которого находятся:
· устройство, являющееся источником свободных электронов,
· система, формирующая узкий электронный пучок,
· система отклонения электронного пучка в координатах Y и X,
· люминесцентный экран.
Источником свободных электронов трубки является катод K, покрытый металлическим барием, при нагревании которого выделяются электроны. Нагрев катода осуществляет подогреватель Н, выполненный в виде спирали из вольфрамовой проволоки. Напряжение питания подогревателя 6,3 В.
Формирование узкого электронного пучка осуществляется с помощью анодов A1 и A2 , высокий положительный потенциал которых ускоряет поток электронов.
Сформированный электронный луч, двигаясь вдоль оси трубки, попадает в электростатическое поле, созданное пластинами Y и X, и достигает люминесцирующего экрана.
Пара пластин Y отклоняют электронный луч в вертикальном направлении, а пара пластин X – в горизонтальном направлении. Отклонения луча пропорционально напряжению, приложенного к пластинам. Электронный луч, попадая на внутреннюю поверхность экрана трубки, покрытую люминофором, вызывает его свечение.
Управление яркостью луча осуществляется с помощью управляющего электрода (модулятора М), представляющего собой диск с малым отверстием, расположенным между катодом и анодом А1. Регулируя разность потенциалов между катодом и модулятором, можно изменять количество электронов, проходящих через отверстия модулятора и поступающих к аноду А1. При большом отрицательном (относительно катода) потенциале модулятора электронный пучок можно полностью запереть и яркость свечения люминофора трубки погасить.
|
|
|
На управляющий электрод M через канал Z можно подать внешнее переменное напряжение, которое изменяет яркость луча и модулирует его во временных координатах.
Управление электронным пучком осуществляется с помощью делителя напряжения, состоящего из последовательно включенных потенциометров R1, R2 и R3, ручки которых выведены на лицевую панель осциллографа (кроме R3).
Потенциометр R1 регулирует «яркость» луча; потенциометр R2 – «фокус», потенциометр R3 – «астигматизм».
На внутренней поверхности стеклянного баллона ЭЛТ, на небольшом удалении от экрана, нанесён токопроводящий пояс, который образует дополнительный электрод A3, ускоряющий электронный луч. Электрод имеет дополнительный вывод, к которому подводится высокое напряжение положительной полярности, по величине большее напряжения анода A2.
Канал вертикального отклонения.
Назначение канала вертикального отклонения (канала Y) – передача исследуемого сигнала с входа Y на горизонтально отклоняющие пластины без искажений.
На рис.6.3 представлена блок-схема канала, состоящая из:
(!!!вставить рисунок!!!)
Рис. 6.3.
· входного устройства (Вх. У),
· предварительного усилителя (У1),
· линии задержки (Л3),
· оконечного усилителя (У2),
· пластин вертикального отклонения электронного луча.
Входное устройство имеет делитель напряжения ДН, обеспечивающий расширение пределов измерения напряжения со ступенчато-изменяющим коэффициентом деления (1:1; 1:10; 1:100…) и разделительную емкость Ср, обеспечивающую два режима работы канала с «открытым» и «закрытым» входом.
![]() |
На рис.6.4 показана принципиальная схема входного устройства.
Рис. 6.4.
Понятие «открытый» и «закрытый» входы относятся к постоянной составляющей исследуемого сигнала U0 и возможности её прохождения на экран ЭЛТ. При «открытом» входе (ключ K замкнут) постоянная составляющая сигнала U0 проходит канал и исследуемый сигнал воспроизводится на ЭЛТ без искажений. При «закрытом» входе (ключ K разомкнут) постоянная составляющая сигнала U0 задерживается на разделительном конденсаторе Ср и на экран ЭЛТ поступает только переменная составляющая ~U исследуемого сигнала.
|
|
|
На рисунке 6.5.а показан исследуемый сигнал синусоидальной формы с постоянной составляющей U0 (Uy = U0 + Umsin
). Отдельно показана переменная (синусоидальная) составляющая ~U сигнала.
![]() |
При «закрытом» входе канала на экран поступает переменная составляющая сигнала (рис.6.5.б), а под действием постоянной составляющей разделительный конденсатор Ср зарядится до напряжения постоянной составляющей, равной U0 (рис.6.6).
Рис. 6.5.
(!!!вставить рисунок!!!)
Рис. 6.6.
Предварительный усилитель осуществляет согласование параметров ДН и линии задержки и преобразует сигнал из несимметричного в симметричный.
Линия задержки задерживает исследуемый сигнал на время примерно 0,1 мкс, что исключает возможность искажения его переднего фронта.
Оконечный усилитель обеспечивает усиление исследуемого сигнала до значения, достаточного для отклонения луча в пределах экрана трубки по вертикали.
Канал вертикального отклонения определяет следующие основные технические характеристики ЭО:
- полоса пропускания канала (частотный диапазон, МГц),
- входное сопротивление Rвх и входная ёмкость Cвх,
- диапазон калибровочных коэффициентов отклонения, В / дел.,
- погрешность калибровочных амплитуд, %,
- погрешность измерения амплитуд, %.
Канал горизонтального отклонения.
Назначение канала горизонтального отклонения (канала X) – создание напряжения, вызывающего горизонтальное перемещение луча, пропорциональное времени, и синхронизация работы каналов Y и X.
На рис.6.7 представлена блок-схема канала, состоящая из:
· входного устройства (Вх. У),
· блока синхронизации (БС),
· генератора линейно-изменяющегося напряжения (ГЛИН),
· оконечного усилителя (У),
· пластин горизонтального отклонения электронного луча.
![]() |
Рис. 6.7.
Канал может использоваться в двух режимах, определяемых положением переключателя Пр. 2:
1. воспроизведение на экране ЭЛТ неподвижного изображения исследуемого сигнала, подаваемого на канал Y,
2. прямой доступ входного сигнала на горизонтально отклоняющие пластины.
Исследуемое напряжение UY, поступающее на пластины Y, представляется на экране трубки развертывающим во времени. Для воспроизведения его без искажений необходимо на пластины Х подвести напряжение, под действием которого луч перемещался бы по оси X с постоянной скоростью. Таким напряжением является линейно-возрастающее напряжение, вырабатываемое ГЛИНом, называемое «напряжением развертки», а его генератор – генератором развёртки.
В зависимости от режима работы канала различают следующие типы развёрток:
· линейная непрерывная (периодическая);
· линейная ждущая;
· однократная.
Кроме указанных развёеток, название которых определяется формой их напряжения, существуют развёртки, название которых определяется формой траектории луча на экране ЭЛТ:
· круговая;
· спиральная.
Линейная непрерывная развёртка.
Для получения неподвижного изображения исследуемого сигнала на экране ЭЛТ необходимо, чтобы период TX линейно-изменяющегося напряжения развёртки был бы равен или в целое число раз больше периода исследуемого сигнала TY. Равенства частот добиваются изменением частоты генератора развёртки. Процесс принудительного выравнивания частот генератора и исследуемого сигнала называется синхронизацией.
Операция настройки генератора развёртки в синхронизм с исследуемым сигналом выполняется оператором и осуществляется в два этапа – грубой и точной синхронизацией. Вначале подбирается период собственных колебаний генератора развёртки без сигнала синхронизации (режим автоколебаний), а затем подбирается величина напряжения синхронизации, обеспечивающая устойчивое положение исследуемого сигнала на экране ЭЛТ.
Дополнительно применяется синхронизация импульсом запуска (ИЗ), который формируется блоком синхронизации в момент прохождения исследуемого сигнала через нуль.
Таким образом, генератор развёртки оказывается в режиме принудительной синхронизации и подстраивается под исследуемый сигнал.
Осциллографы имеют три вида синхронизации, выбор которой определяется положением переключателя Пр. 1 в канале X (рис.6.7):
1. внутренняя, осуществляемая исследуемым сигналом UY;
2. внешняя, осуществляемая сигналом, сформированным в исследуемой схеме;
3. от сети, если исследуемая схема получает питание от промышленной сети с частотой 50 Гц.
Осциллографы в основном работают при внутренней синхронизации с использованием напряжения исследуемого сигнала, который передаётся из канала вертикального отклонения в блок синхронизации канала горизонтального отклонения. Блок синхронизации формирует короткий однополярный импульс с периодом, равным периоду исследуемого сигнала, который управляет работой генератора развёртки. Таким образом, период развёртки TX оказывается равным периоду исследуемого сигнала TY.
Линейная непрерывная развёртка используется при исследовании периодических непрерывных сигналов и импульсных сигналов с малой скважностью.
![]() |
На рис.6.8а показано использование линейной непрерывной развёртки при исследовании синусоидального напряжения. Исследуемый сигнал UY через связь между каналами X и Y поступает на блок синхронизации (БС) канала X. При переходе исследуемого напряжения через нуль БС формирует импульс синхронизации (ИС), который запускает ГЛИН. На выходе генератора появляется линейно изменяющееся напряжение, за один период которого напряжение перемещается из точки A в точку B. При этом на экране ЭЛТ наблюдается прямой ход луча – перемещение его из точки A в точку B за время tпр. Обратный ход луча проходит за время tобр. Учитывая, что tобр << tпр, можно принять, что tобр = 0, и период исследуемого сигнала TY = tпр.
![]() |
Рис. 6.8а
Рис. 6.8б
На рис.6.8б показана осциллограмма исследуемого сигнала на экране ЭЛТ.
В современных осциллографах обратный ход луча на экране ЭЛТ не наблюдается, так как на время tобр луч гасится по каналу Z сигналом отрицательной полярности, поступающим на модулятор ЭЛТ.
При необходимости представления на экране нескольких периодов исследуемого сигнала, должно выполняться условие TX = n TY, где n – число импульсов исследуемого сигнала. На рис.6.9 показан случай, когда n = 2.
(!!!вставить рисунок!!!)
Рис. 6.9.
Линейная ждущая развертка.
Сущность ждущей развёртки заключается в том, что развёртывающее напряжение подаётся на горизонтально отклоняющие пластины тогда, когда исследуемый сигнал поступит на вход Y осциллографа. После того, как под действием развёртывающего напряжения луч совершит на экране ЭЛТ один цикл, измерения заканчиваются, и развёртка переходит в «ждущий» режим. Процесс повторяется с приходом на вход осциллографа следующего сигнала.
Непрерывная линейная развертка не позволяет исследовать непериодические и однократные импульсы. Малоэффективно также исследование периодических сигналов с большой скважностью. Так, например, при скважности сигнала Q =
(где Т – период и
– длительность сигнала) и ширине экрана 100 мм длительность сигнала на экране составляет 1 мм.
С помощью линейной ждущей развертки можно растянуть интервал времени
на всю ширину экрана трубки. Для этого необходимо чтобы время действия развертывающего напряжения Тх было равно длительности импульса
(Тх =
), а ГЛИН находился бы в ждущем режиме и запускался в момент прихода переднего фронта исследуемого сигнала.
Ждущая развёртка применяется при исследовании непериодических и импульсных сигналов с большой скважностью, одиночных сигналов и переходных процессов.
![]() |
На рис.6.10 показана работа канала Х в ждущем режиме при исследовании импульсного сигнала длительностью
. Рис. 6.10.
На рисунке представлены:
· исследуемый сигнал, подаваемый на вход Y осциллографа;
· импульс синхронизации (ИС), формируемый блоком синхронизации (БС) в момент прохождения переднего фронта исследуемого сигнала через нуль;
· прямой ход линейной ждущей развёртки, вырабатываемой ГЛИНом, начало которой (точка A) задаёт импульс синхронизации;
· осциллограмма исследуемого сигнала на экране ЭЛТ.
При исследовании однократных импульсных сигналов электронный луч только один раз пробегает по экрану ЭЛТ, изображение которого обычно фотографируют на плёнку. Запуск развёртки осуществляется нажатием кнопки ПУСК, расположенной на передней панели осциллографа.
Канал горизонтального отклонения определяет следующие основные технические характеристики осциллографа:
· полоса пропускания усилителя горизонтального отклонения, Гц;
· диапазон калибровочных длительностей развёртки, мкс / дел;
· погрешность измерения временных интервалов, %;
· погрешность калибратора временных интервалов, %.
Круговая развёртка.
Для получения круговой развёртки необходимо переключатель Пр.2 перевести в положение 2 (рис.6.7), отключив таким образом ГЛИН. Затем на входы Y и X осциллографа необходимо подать синусоидальные напряжения одинаковой частоты, сдвинутые по фазе на угол 90º.
UY=Umsin
t,
UX=Umsin(
t
90º).
При этом на экране трубки появится траектория луча в виде окружности, если максимальные отклонения луча по горизонтали и вертикали равны.
На рис.6.11 привёден пример использования круговой развёртки для определения частоты исследуемого сигнала, подаваемого на вход Z осциллографа. Частота исследуемого сигнала
fизм = fz = n fo,
где fo – частота образцового сигнала, равная частоте напряжений, создающих круговую развертку (fo = fx = fy), n – число пунктиров окружности.
Отсчёт результатов измерений производится при неподвижном изображении пунктирной круговой развёртки, когда соблюдается условие
n=Ent(
),
где Ent (entire) – обозначение целого числа.
(!!!вставить рисунок!!!)
Рис. 6.11.
Спиральная развёртка.
Спиральная развёртка (рис.6.12) получается из круговой, если амплитуда напряжений UY и UX будут уменьшаться во времени, при этом на экране трубки будет изображение Архимедовой спирали. При линейном законе спада напряжений UY и UX шаг спирали а=const.
Спиральная развёртка используется для измерения интервалов времени.
![]() |
Рис. 6.12.
Канал управления яркостью.
Назначение канала управления яркостью (канала Z) – модуляция яркости свечения электронного луча на экране ЭЛТ.
На рис.6.13 представлена блок-схема канала, состоящего из:
· входного устройства (Вх.У), регулирующего коэффициент передачи канала;
· усилителя (У), усиливающего сигнал и изменяющего его полярность;
· генератора образцовой частоты (ГОЧ).
(!!!вставить рисунок!!!)
Рис. 6.13.
Изменение яркости луча достигается выбором такой амплитуды переменного напряжения, поступающего на модулирующий электрод ЭЛТ, при котором отрицательная его полуволна гасит луч.
Осциллограф имеет два вида модуляции, выбор которой определется положением переключателя Пр:
1. внешняя, осуществляемая исследуемым или образцовым сигналом;
2. внутренняя, осуществляемая сигналом ГОЧ.
В современных осциллографах в качестве калибратора амплитуды и временного интервала используется ГОЧ, вырабатывающий прямоугольные импульсы типа «меандр» со скважностью Q = 2.
Канал управления яркостью применяется для измерения временных интервалов методом «калибровочных меток», основанным на представлении исследуемого сигнала в виде пунктирных линий (ярких меток). Метки образуются под действием напряжения ГОЧ, поступающего на модулирующий электрод ЭЛТ. Число меток n за период TY исследуемого сигнала определяет его величину
T = n T0,
где T0 – период генератора меток.
На рис.6.14 представлен синусоидальный сигнал, промодулированный импульсными метками, образованными напряжением прямоугольной формы с периодом T0.
(!!!вставить рисунок!!!)
Рис. 6.14.
Калибраторы амплитуды и длительности.
Калибраторы осциллографа – это средства измерений, представляющие меры, с помощью которых градуируются вертикальная ось экрана ЭЛТ в единицах напряжения, а горизонтальная ось – в единицах времени.
Измерение напряжений UY и временных интервалов tX исследуемых сигналов осуществляются методом непосредственной оценки с использованием масштабных сеток (рис.6.15), нанесённых на внутреннюю поверхность экрана ЭЛТ. Каждое деление сеток соответствует определённой цене деления, которые могут принимать значения в широком диапазоне.
Масштабный коэффициент по вертикали называется коэффициентом отклонения (kY) и выражается в единицах измерения напряжения, отнесённых к единицам длины или делениям шкалы на экране ЭЛТ (В / см, мВ / см, В / дел, мВ / дел), а по горизонтали – коэффициентом развёртки (kX), на разных диапазонах выражающимся в единицах времени, отнесённых к единицам длины или делениям шкалы (мкс / см, мс / см, с / см, мкс / дел, мс / дел, с / дел).
(!!!вставить рисунок!!!)
Рис. 6.15.
Измерение параметров сигналов сводится к определению линейного размера определённой части осциллограммы на экране ЭЛТ и вычислению искомых значений по формулам:
UY = kY lY, tX = kX lX,
где lY – линейное отклонение луча на экране в вертикальном направлении, соответствующее значению напряжения UY, а lX – то же в горизонтальном направлении, соответствующее значению интервала времени tX.
Контрольные вопросы:
1. Из каких узлов состоит универсальный электронный осциллограф (ЭО)?
2. Объясните принцип действия электронно-лучевой трубки (ЭЛТ).
3. Поясните назначение блока синхронизации ЭО.
4. Укажите типы синхронизации ЭО.
5. Укажите виды развёрток ЭО.
6. Напряжение какой формы необходимо использовать, чтобы получить неподвижное изображение исследуемого сигнала на экране трубки?
7. Когда используется ждущая развёртка?
8. Как получить круговую развёртку? Приведите пример её использования.
9. На экране ЭО воспроизведён сигнал синусоидальной формы с амплитудой ly=5 см.
10. Коэффициент отклонения составляет ky=0,1 В/см. Определить напряжение Um?
11. На вход ЭО подаётся периодический импульсный сигнал с периодом T, который на экране трубки составляет 5см, и длительностью t равной 1 см. Коэффициент развёртки kx составляет 1 мс/см. Определить частоту и длительность сигнала.
12. Приведите пример использования Z канала.

















