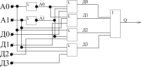
Д-Мультиплексор – это цифровая интегральная микросхема, подключающая один вход к одному из нескольких выходов, в зависимости от адреса, поданного на шину адреса.
| Мультиплексор – цифровая интегральная микросхема подключенная к единственному выходу и используемая как цифровой коммутатор входных сигналов с датчика. |
Таблица истинности:
| А0 | А1 | Q |
| Д0 Д1 Д2 Д3 |
1.

2.
=
=







