АНАЛОГОВЫЕ ПРЕОБРАЗОВАТЕЛИ ЭЛЕКТРИЧЕСКИХ СИГНАЛОВ
Масштабные усилители должны иметь точное нормированное значение коэффициента усиления. К стабильности основных параметров этих усилителей предъявляются повышенные требования.
При создании масштабных усилителей широко применяются ОУ, включенные по схеме неинвертирующего усилителя.
![]() | ![]() |




UВХ UВЫХ UВХ UВЫХ
R1 R2 R2
![]() | |||||||||
![]() | ![]() | ![]() | |||||||
![]() | |||||||||
Если к погрешностям преобразования не предъявляются очень высокие требования, будем считать ОУ идеализированным:
Rвх ® ¥, Rвых ® 0, Ku ® ¥, т.е. Uвх.диф» 0.
Эти допущения позволяют легко определять параметры преобразования сигнала. А в случае прецизионных преобразований анализ работы следует вести с учетом конечных значений Ku, Rвх, Rвых.
Показанная на рисунке схема усилителя обеспечивает усиление
,
имеет повышенное входное сопротивление

и низкое выходное сопротивление
.
Однако этот усилитель работает с синфазным входным сигналом, равным Uвх, поэтому имеется дополнительная погрешность, определяемая коэффициентом ослабления синфазного сигнала Кос.сф.
|
|
|
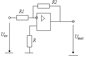
Повторитель напряжения (имеет стопроцентную О.О.С.) применяют либо на входе устройства, если требуется высокое входное сопротивление, или на выходе, если необходимо обеспечить низкое выходное сопротивление.
Инвертирующий усилитель
|
Сопротивление R=R1÷÷R2, подключенное к неинвертирующему входу, обеспечивает симметрирование входной цепи ОУ по постоянному току.
В этой схеме отсутствует синфазный входной сигнал и более стабильны значения параметров. Инвертирующий усилитель имеет параметры:
;
;
.
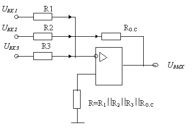
Суммирующий усилитель
Суммирующее устройство выполнено на основе схемы инвертирующего усилителя.
|
Так как инвертирующий вход имеет практически нулевой потенциал, отсутствует взаимное влияние входных сигналов. Из условия

получаем:
.
Сопротивление R эквивалентно всем сопротивлениям, подключенным к инвертирующему входу. Если входные токи ОУ по обоим входам равны, то создаваемые ими падения напряжения не создадут дифференциального сигнала и не вызовут дополнительного смещения нуля.
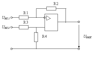
Вычитающий усилитель
|
Выходное напряжение рассматриваем как наложение двух сигналов, усиливаемых по инвертирующему и неинвертирующему входам
.
Чтобы приравнять коэффициенты усиления К1=К2, необходимо

или
.
Тогда
.
Для полной симметрии целесообразно применять R3=R1; R4=R2.
Таким образом, данная схема усиливает разность напряжений, т.е. дифференциальный сигнал.
Эта схема дифференциального усилителя имеет недостатки:
|
|
|
1) на входах ОУ присутствует синфазное напряжение
,
которое создает погрешность преобразования
;
2) усилитель имеет низкое входное сопротивление
,
которое неприемлемо при высокоомном источнике сигнала.
|
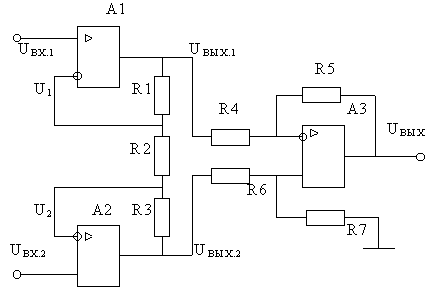
Прецизионный дифференциальный усилитель
Схема на трех ОУ. Для симметрии схемы R3=R1, R6=R4, R7=R5.
При Ku ® ¥ можно принять U1=Uвх.1, U2=Uвх.2.
Напряжение на выходах А1 и А2:
,
.
Разность выходных напряжений

пропорциональна дифференциальному входному сигналу.
Средний уровень этих напряжений
.
Первый каскад синфазный сигнал не усиливает, а только повторяет. Второй каскад имеет усиление
.
.
Эта схема имеет высокое входное сопротивление и большой коэффициент ослабления синфазного сигнала: подавление синфазного сигнала определяется коэффициентом усиления первого каскада
.
Коэффициент усиления по напряжению легко можно сделать регулируемым путем изменения значения R2. В этой схеме невелико влияние напряжений смещения нуля входных ОУ: Uсм.1 и Uсм.2. С учетом этих значений выходное напряжение
.
При одинаковых Uсм.1 и Uсм.2 и равных их изменениях влияние этих напряжений полностью отсутствует. Напряжение смещения Uсм.3 третьего ОУ никак не компенсируется, но его влияние на погрешность усиления невелико, так как сигналы, поступающие на входы третьего ОУ, имеют большие значения.






