Схема инвертирующего интегратора
|
Если ОУ считать идеальным: КU ® ¥, Rвх ® ¥, Rвых ® 0, то
;
;
.
Выходное напряжение не зависит от коэффициента усиления ОУ, а определяется постоянной

и характером Uвх(t).
Например, при подаче на вход скачка напряжения Uвх=Um на выходе линейно изменяющееся напряжение:
.
В реальном ОУ имеется смещение нуля выходного напряжения, которое учитывается эквивалентным источником Uсм.о во входной цепи. Кроме того, протекают токи Iвх.1 и Iвх.2.
|
Из-за входных токов ОУ на входе образуется дифференциальное напряжение
,
которое усиливается в Ku раз и благодаря О.О.С. создает дополнительный ток iR, который уменьшает DU.
Из уравнения

найдем этот дополнительный ток:
.
Этот дополнительный ток вызывает ошибку интегрирования. Для уменьшения ошибки нужно условие
.
Напряжение смещения Uсм.о также вызывает в цепи R и C ток
.
Таким образом, неидеальность ОУ приводит к тому, что
.
При большом времени интегрирования напряжение ошибки нарастает и при неблагоприятных условиях ОУ может войти в режим насыщения.
|
|
|
Поэтому время интегрирования входного сигнала ограничивается допустимой погрешностью.
Реальный ОУ имеет конечное усиление Ku < ¥, и это нарушает условие интегрирования:
,
;
,
Подставим в формулу

.
В частности, при скачке Uвх=Um на выходе будет не линейно изменяющееся напряжение, а экспонента
.
Идеально
.
Относительная ошибка к моменту tинт

.
Чем больше усиление, тем ближе кривая Uвых к линейной и тем меньше искажение, т.е. ошибка интегрирования.
Отметим, что комплексный коэффициент передачи идеального интегратора

и фазовый сдвиг j(w) = __90° независимо от частоты.
ЛАЧХ интегратора должна иметь наклон -20дБ/дек. во всем частотном диапазоне, т.е. при w ® 0 модуль Kинт ® ¥. Так как в реальных ОУ Кu ограничен, значит, интегрирование на низких частотах, т.е. в области больших интервалов, будет с погрешностью.
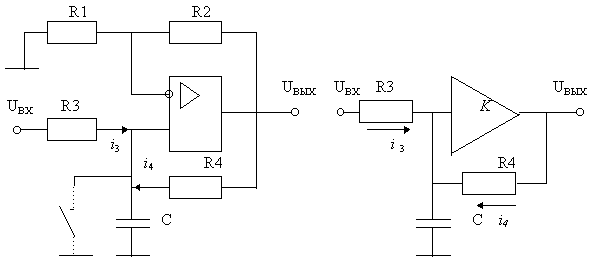
Неинвертирующий интегратор
|
Эта схема с компенсирующей положительной обратной связью.
Выходное напряжение
.
Ток емкости
.
Подставим
.
.
Если второе слагаемое равно нулю, то

Для равенства нулю второго слагаемого
.
Если
– недокомпенсация, если
– перекомпенсация.
Коэффициент усиления задается резисторами R1, R2:
.
Таким образом,
.
Для симметрии следует брать R1=R3, R2=R4. В этой схеме даже при KU < ¥ регулировкой резисторов можно добиться полной компенсации.
Перед интегрированием нужно конденсатор разрядить. Параллельно подключают электронный ключ. Этот ключ может быть источником дополнительной погрешности. Сопротивление утечки разомкнутого ключа Rзакр ¹ ¥.
Интеграторы применяются в решающих блоках, генераторах линейно изменяющегося напряжения, в качестве фильтров низких частот, для сдвига фазы на 90° в синусоидальном напряжении независимо от частоты и прочего.
|
|
|






