При проектировании рассматриваются двигатели, у которых:
; 
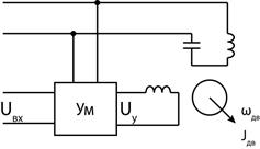
Схема подключения двигателя показана на рисунке

Механические характеристики такого двигателя имеют вид:

Из каталога определяются
;
;
; 
Номинальный режим приближенно можно определить, используя соотношения:



Проводя линеаризацию механической характеристики для диапазона частот вращения
, получим систему уравнений, описывющую динамику двигателя:
1. 
2. 
где:




Совместное решение уравнений как и для системы с двигателем постоянного тока позволяет оценить возможные значения передаточных чисел редуктора. Следует обратить внимание, что
может располагаться дальше той точки, которая соответствует номинальному значению скорости двигателя, поэтому здесь следует начать выбор передаточного числа редуктора с проверки пригодности передаточного числа редуктора по скорости.

Проверка

(сравнивать с ним и выбирать его, в крайнем случае поднять на 20 % рассматриваемое значение, ели оно много меньше
)
В асинхронном двигателе момент потерь
силу его относительной малости не учитывают..






